
Notified by email when this product becomes available
Pre-order product
- Description
- User manual
- Payment methods
- Guarantee
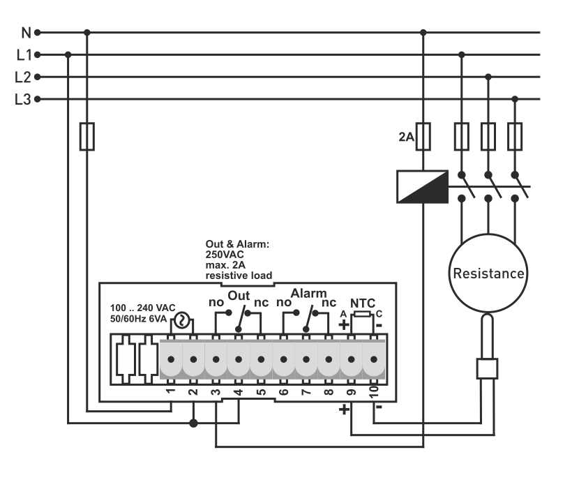
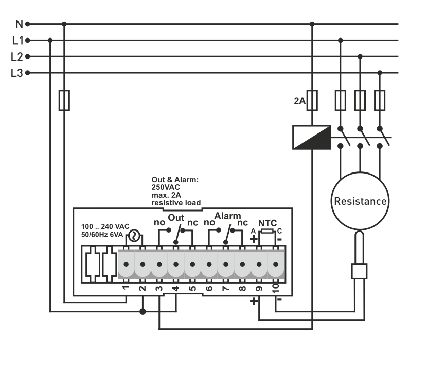
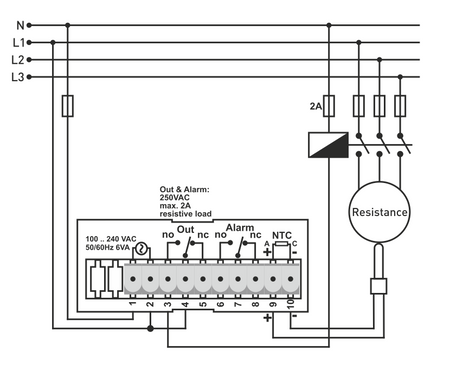
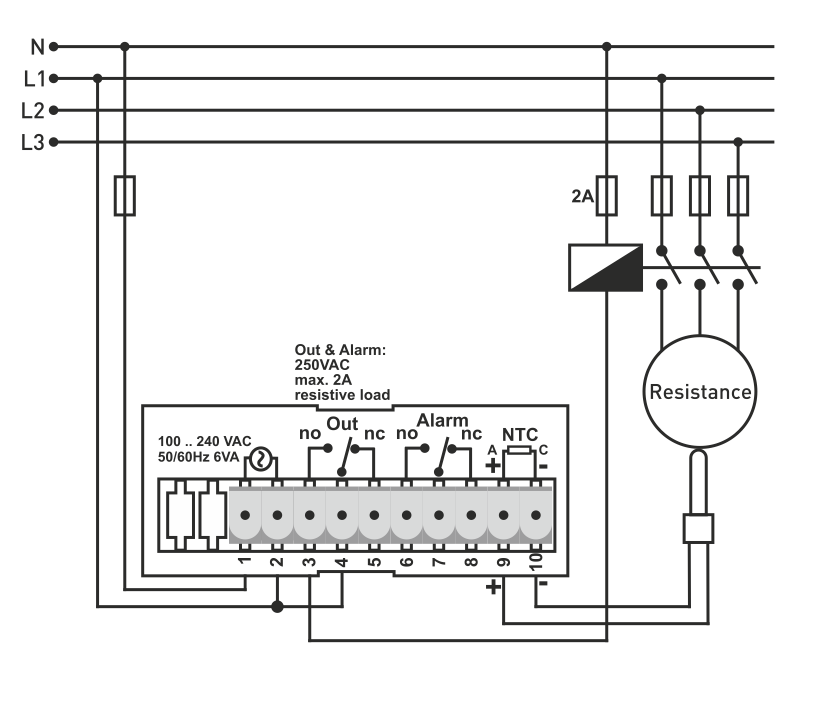
Thermostat / 2-point temperature controller mountable ON-OFF control mode, measurement range -19.9 °C - +99.9 °C, resolution / step 0.1ºC (manufactured in Turkey, TENSE) DT-322
Control and monitoring of heating, air conditioning, and ventilation systems, building automation, and thermal processes in industrial plants.
Sensor type: NTC
Relay outputs OUT and ALARM (NO+NC) 250VAC, 2A
Optional heating and cooling function
- Hysteresis
Adjustable ON/OFF timers for OUT output in case of sensor failure
- Protection against condensation due to adjustable shutdown times
Upper and lower threshold values for SET and ALARM settings
Adjustable separate hysteresis for SET and ALARM settings
Power-on delay for OUT in cooling mode
EEPROM memory for storing settings
Password protection
High accuracy
Download the
PAYMENT METHODS
Online card payment – after completing the order, you will be redirected to the payment interface, and you will receive confirmation of the payment by email.
Cash on delivery – you will pay the courier the amount specified in the payment instructions.
Bank transfer – we will send a proforma invoice by email no later than the next working day, which will include the bank account number to be indicated for the transfer.
Payment by invoice – this payment option is available to our partners who have signed a framework contract with our company.
If you would like to take advantage of the last two options, please contact our manager, who will provide guidance on how to obtain an invoice with VAT or VAT exemption.
SHIPPING METHODS AND COSTS
- GLS home delivery: 4 500 Ft
- Packeta home delivery:4 500 Ft
The electrical equipment we supply meets high-quality standards, comes with a 24-month warranty, and complies with all EU regulations.
In addition, we offer free shipping for orders over 39,000 HUF, along with a flexible discount and promotional system.
Our staff's technical knowledge and experience enable us to provide high-quality consulting and, if necessary, recommend alternative electrical products.
The electrical equipment we sell meets high quality standards, has a 24-month warranty, and complies with EU regulations.
In case of a complaint, returning the goods is free of charge.
