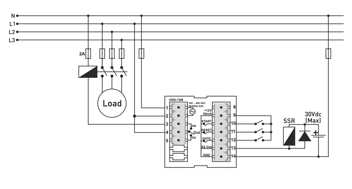
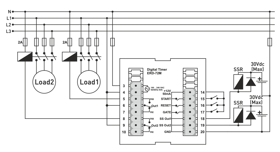
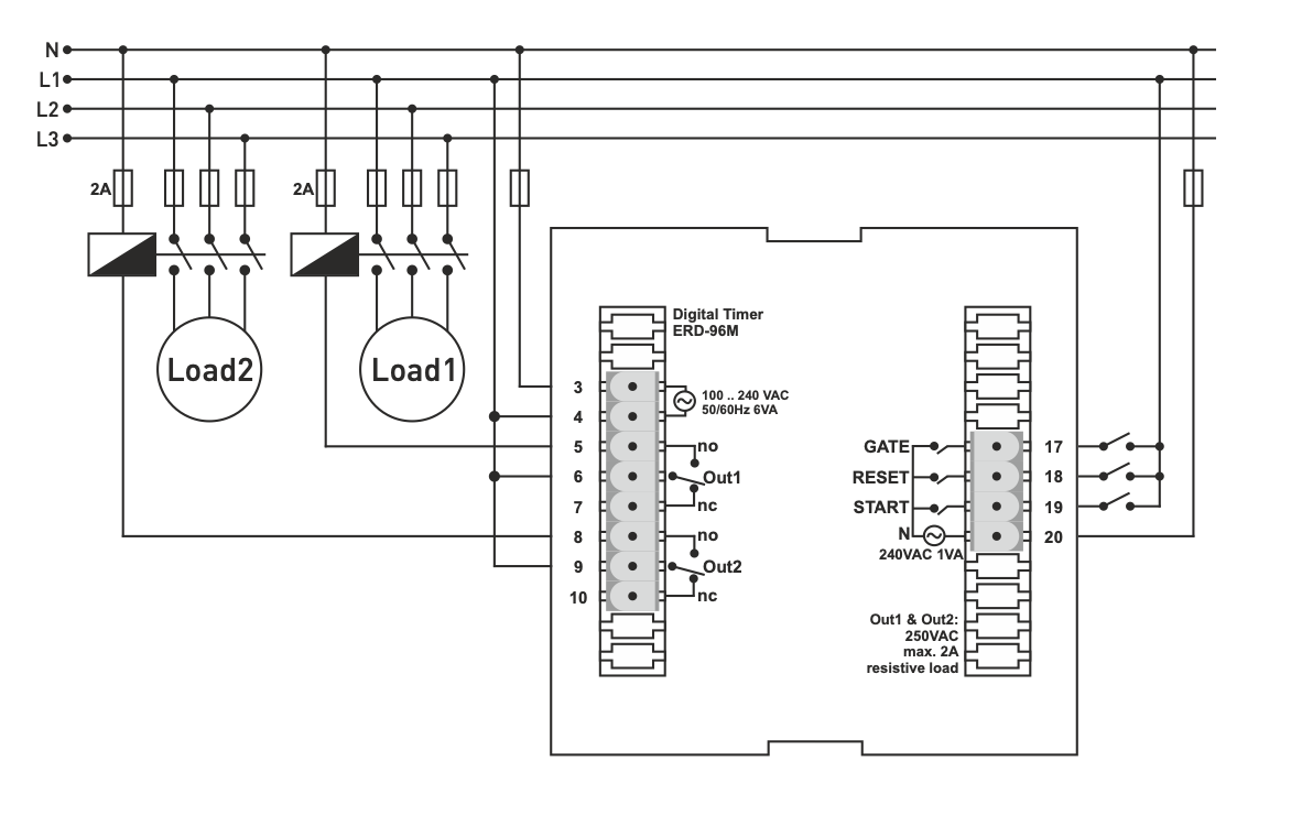
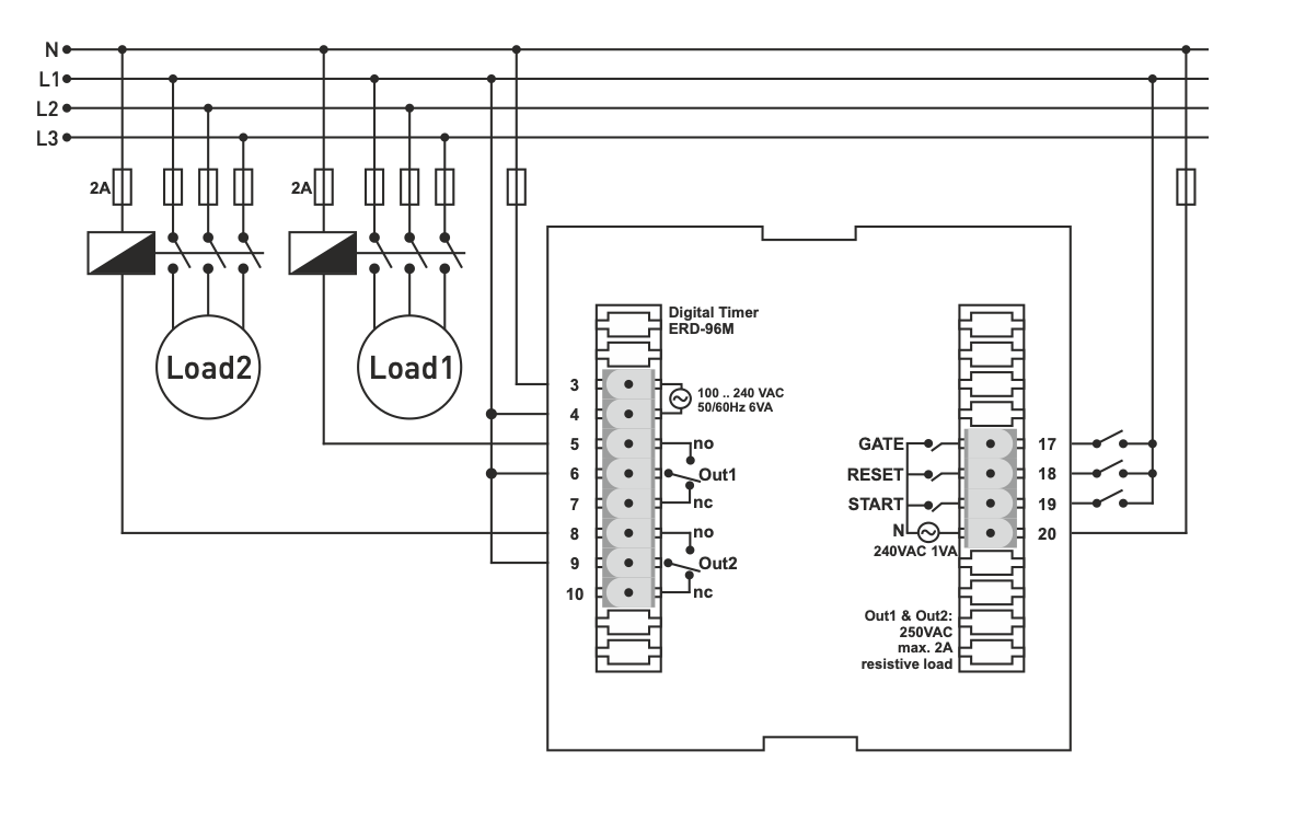
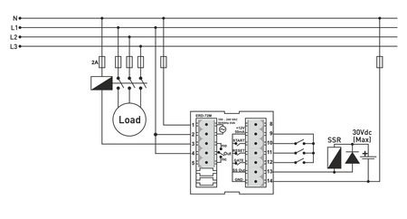
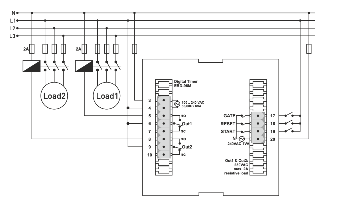
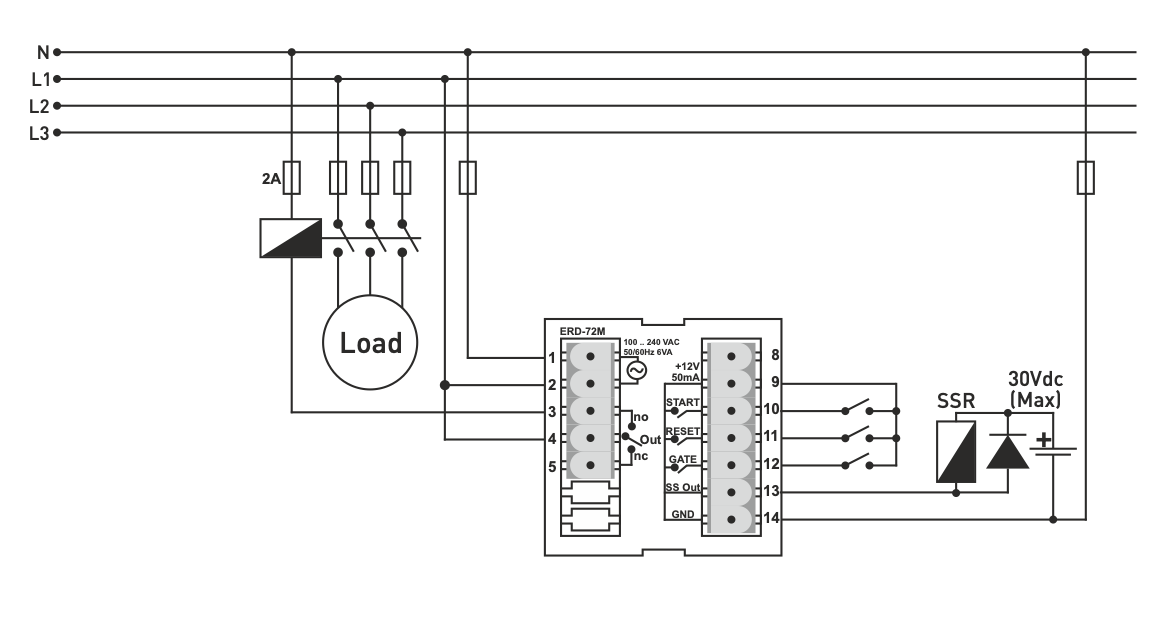
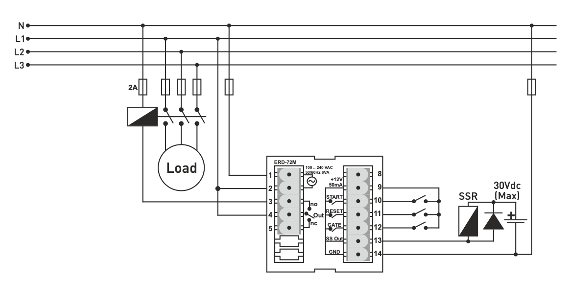
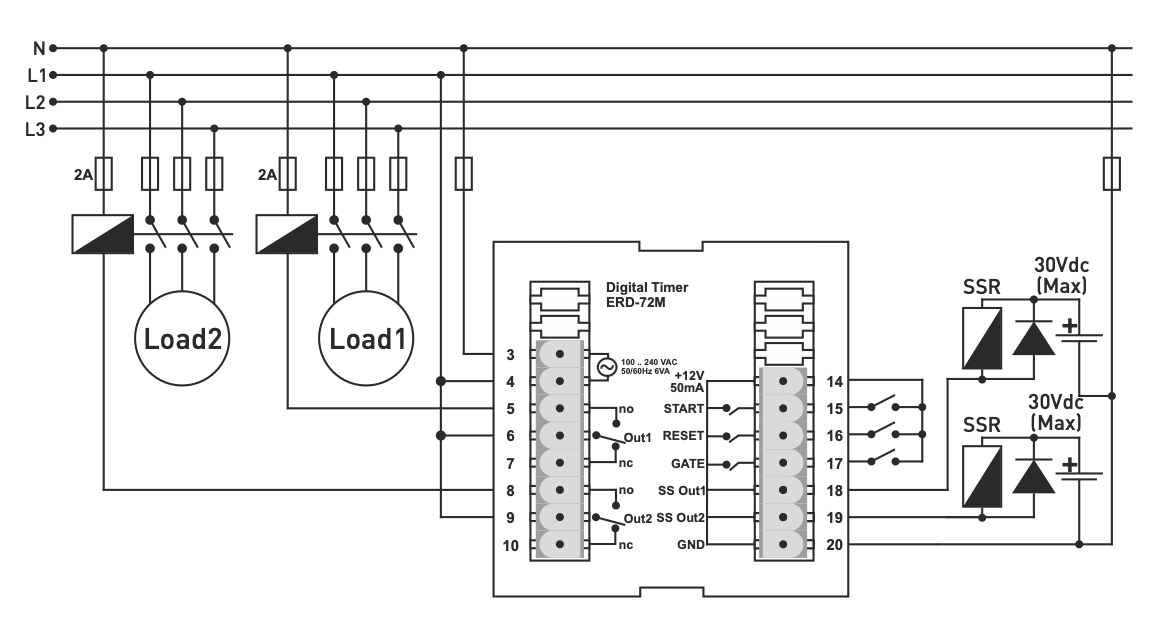
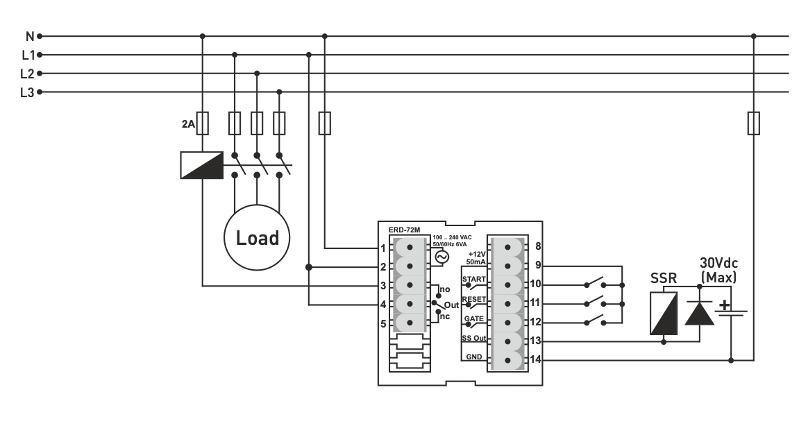
Multifunkciós idő relé 2x4 LED kijelző panelre/ajtóra szerelhető
Nem sikerült betölteni az átvétel elérhetőségét
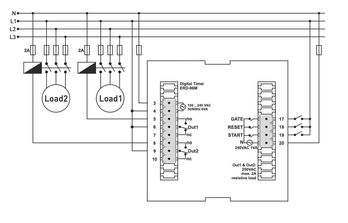
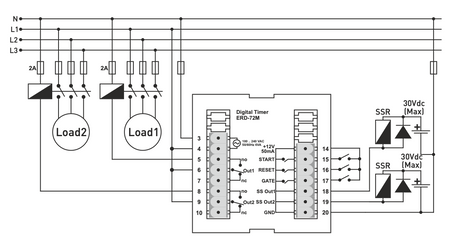
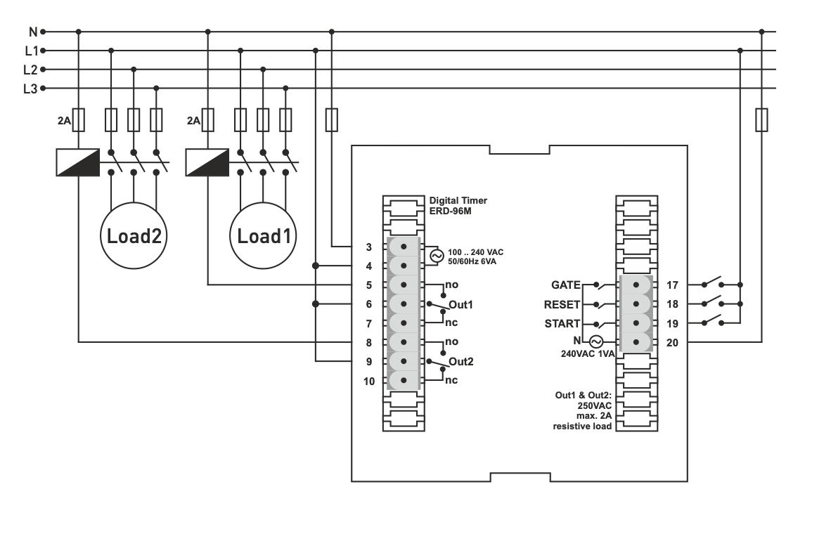
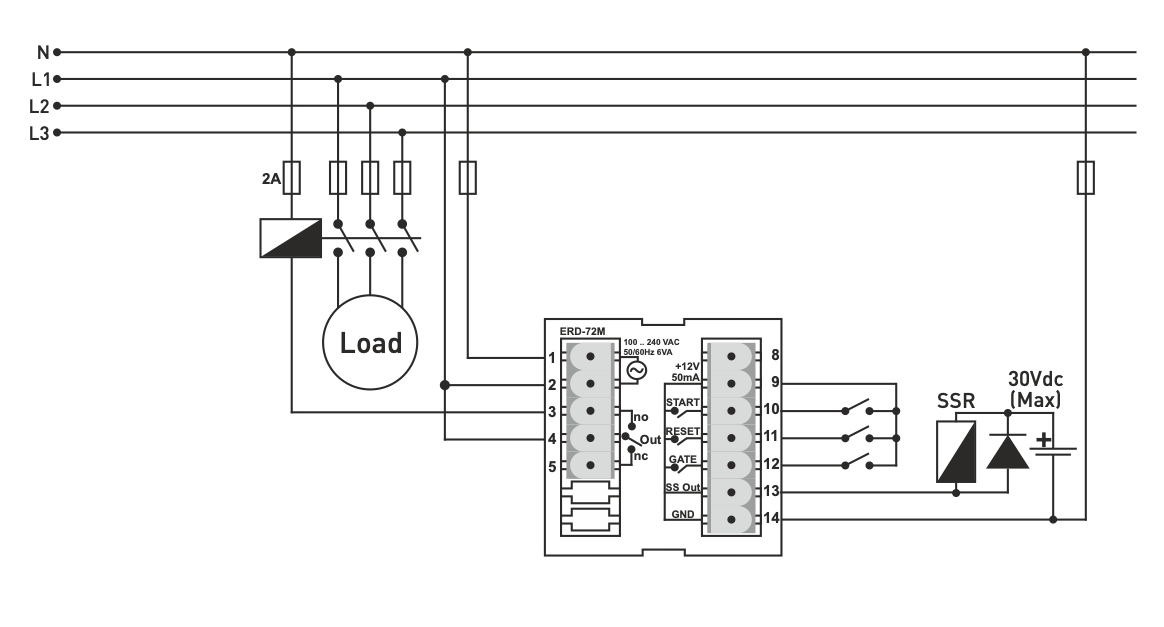
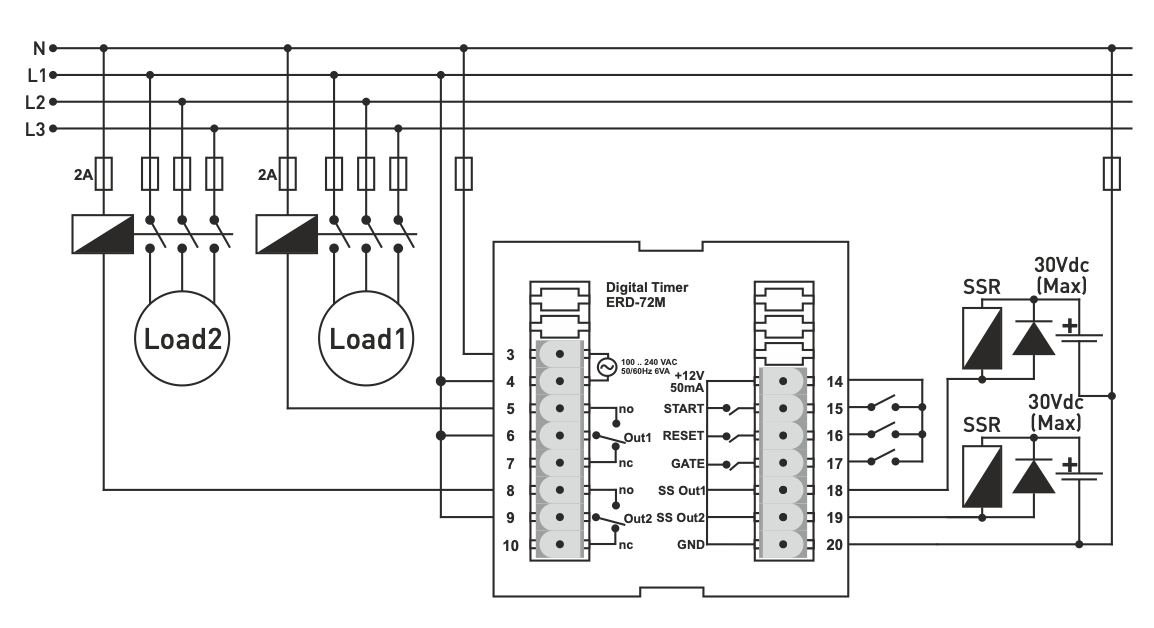
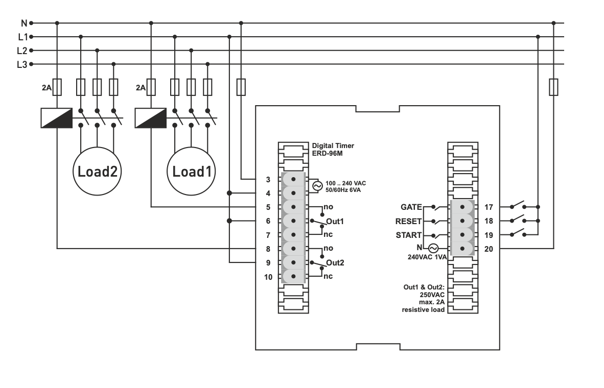
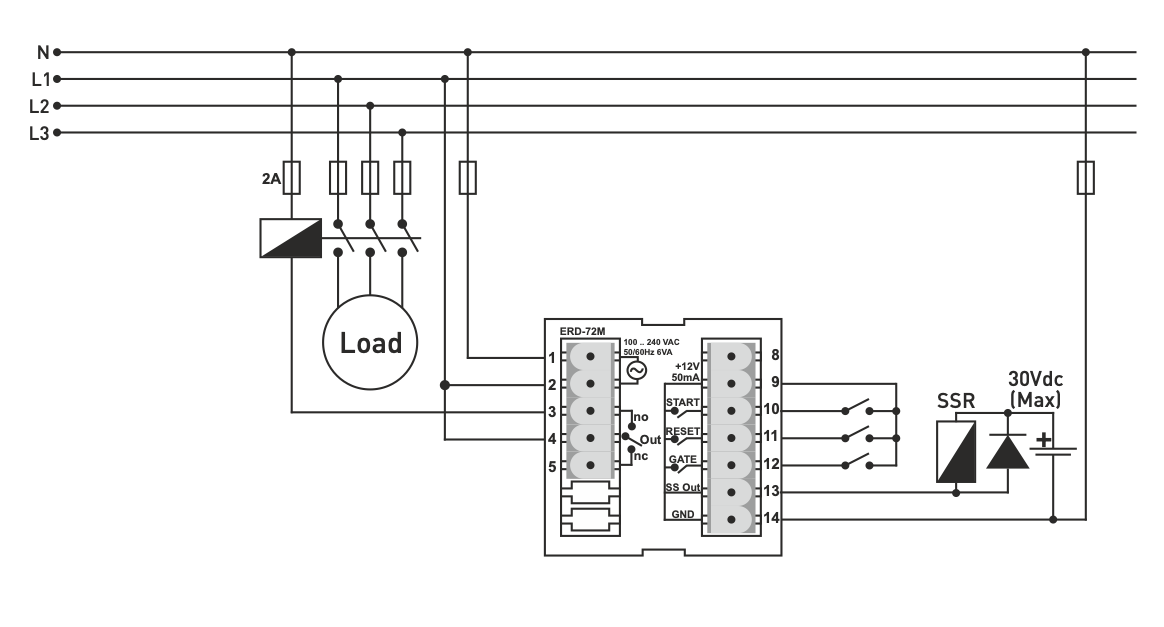
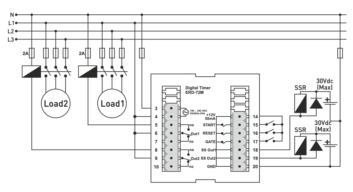
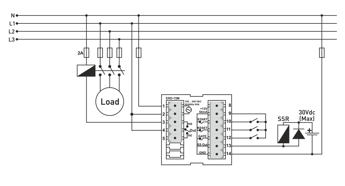
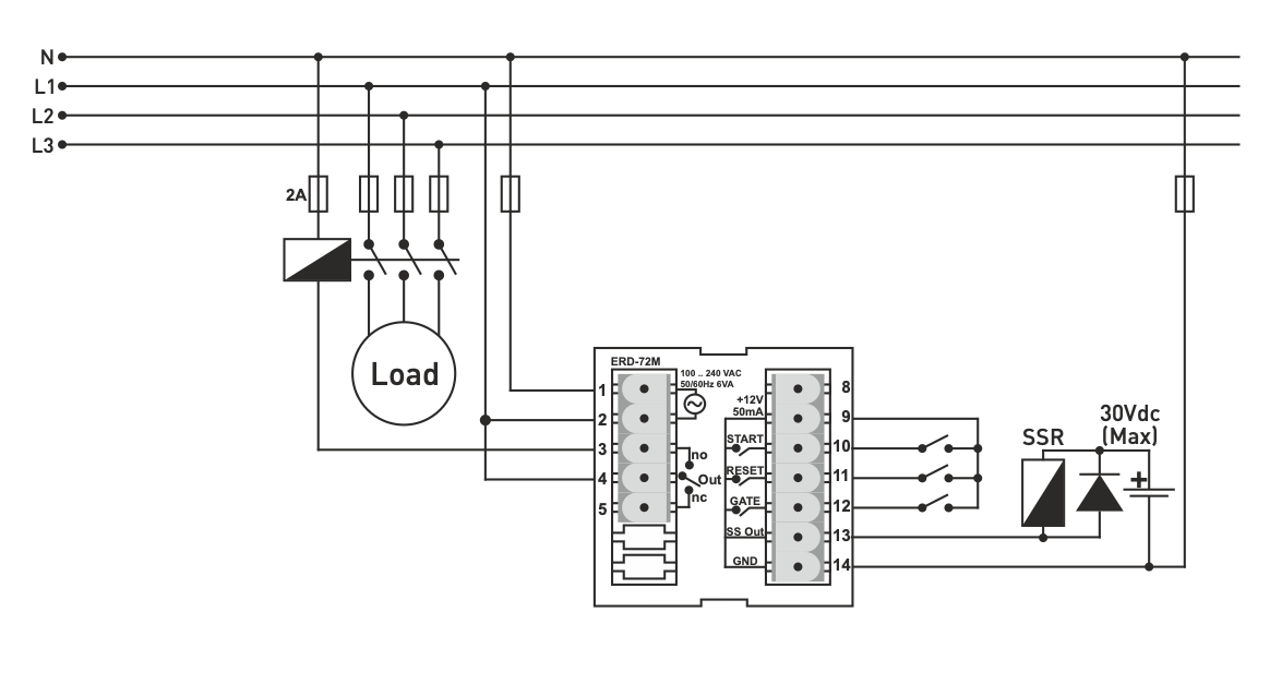
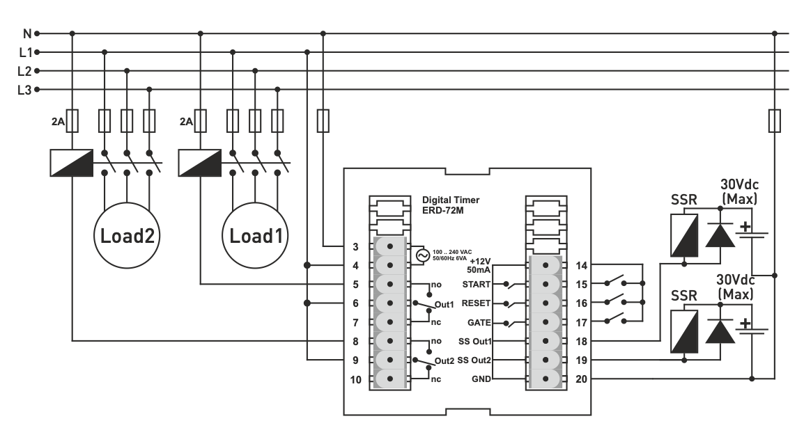
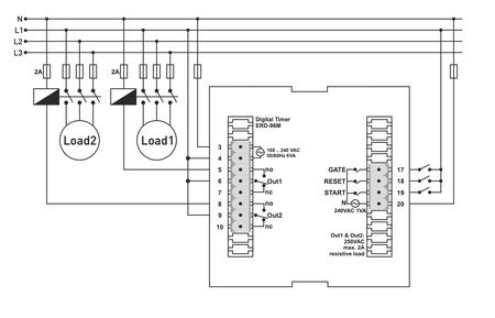
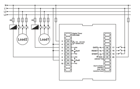
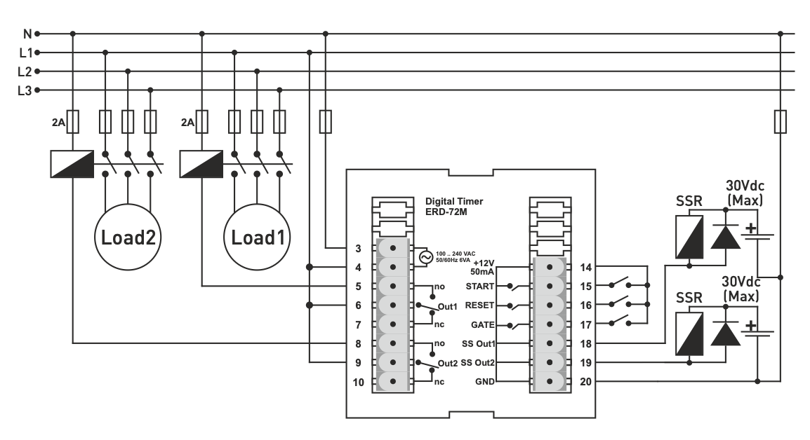
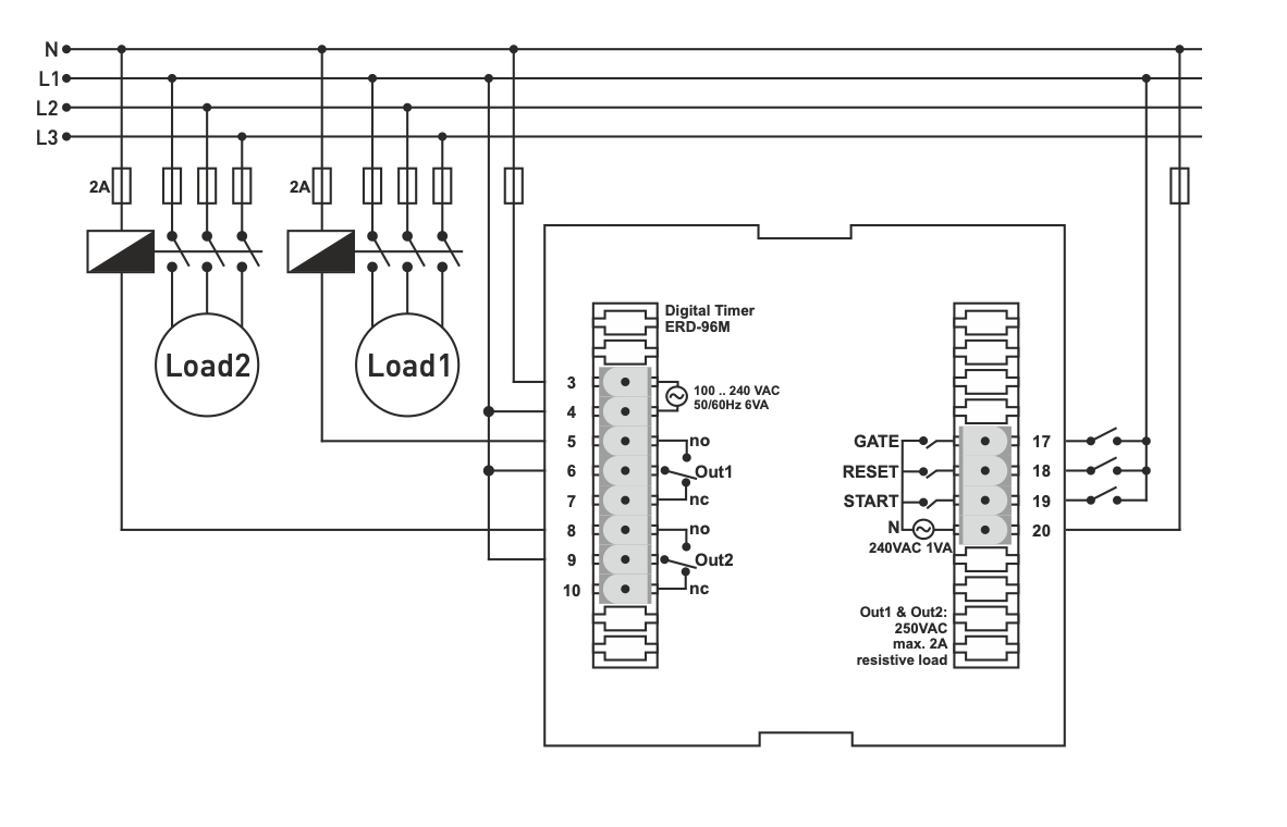
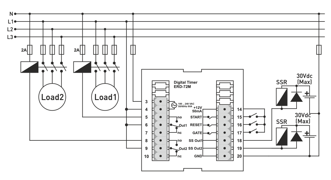
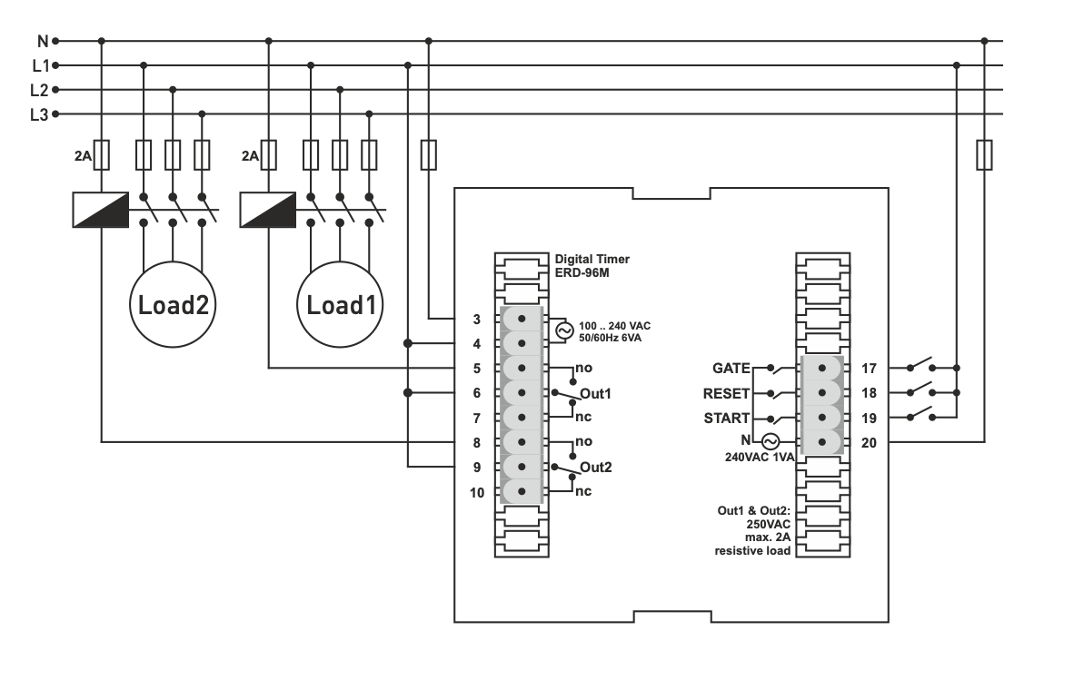
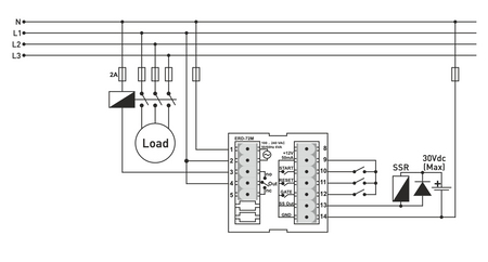
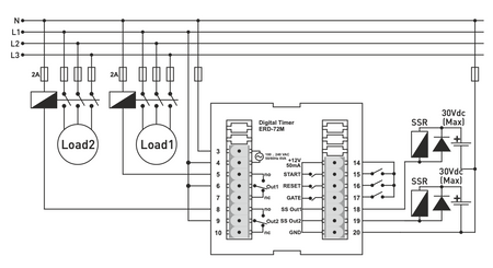
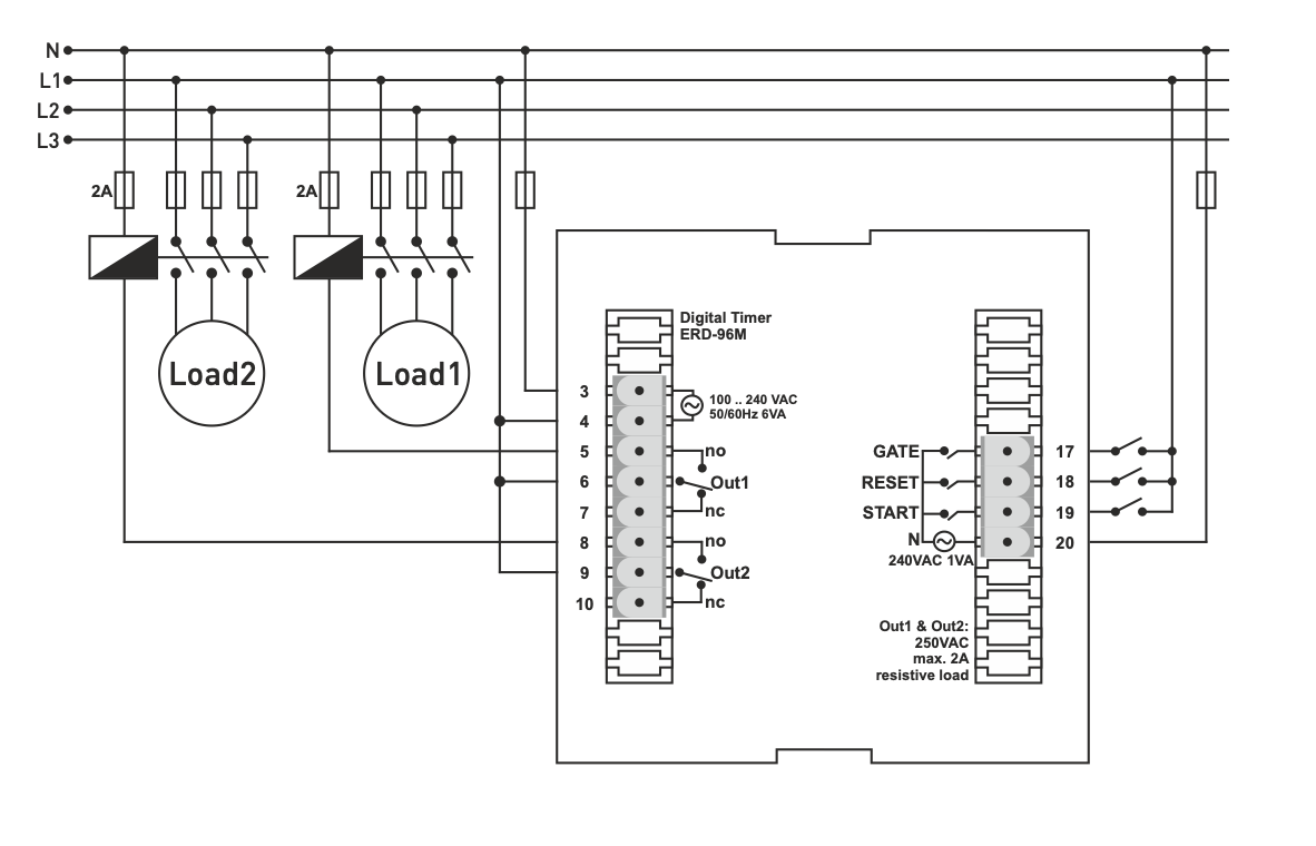
Multifunkciós időrelé 2x4 LED-es kijelző panelre/ajtóra szerelhető. TÍPUSTÍPUSOK ERD-96M, ERD-48M, ERD-72M
Nyolc funkcióval rendelkező időrelé :
Mód 0: Impulzus késleltetés, KI RESET-tel.
1. üzemmód: villogó START/RESET funkcióval
2. üzemmód: Egy lövés ON és OFF után
3. üzemmód: Kikapcsolási késleltetés
4. üzemmód: Kövesse és bekapcsolási késleltetés
5. mód: Késleltetett egy lövés kikapcsolás után
6. mód: Kronométer - számlálás STARTtal
7. üzemmód: Kronométer - számlálás START-tal, visszaállítás RESET-tel
Időbeállítási tartomány:
99:59 óra / 99:59 perc / 599.9 másodperc
Online bankkártyás fizetés – a rendelés befejezése után átirányítjuk a fizetési kapura, a fizetés visszaigazolását e-mailben kapja meg.
Utánvét – a szállító cég futárának kell kifizetnie a rendelés összegét a kézhezvételkor.
Átutalás – e-mailben legkésőbb a következő munkanapon előlegszámlát küldünk Önnek, amelyen megtalálja a bankszámlaszámot, amit a fizetéskor meg kell adnia.
Számlára – ezt a fizetési lehetőséget azok a partnerek vehetik igénybe, akik cégünkkel keretszerződéssel rendelkeznek.
Amennyiben az utóbbi két fizetési mód egyikét szeretné igénybe venni, kérjük, hívja fel menedzserünket, aki tájékoztatja, hogyan kaphat számlát áfával vagy áfa nélkül.
Az általunk szállított elektromos berendezések magas minőségi szabványoknak felelnek meg, 24 hónap garanciával rendelkeznek, és teljesítik az EU összes követelményét.Reklamáció esetén a termék visszaküldése díjmentes.
