
Értesítést kérek e‑mailben, ha a termék újra elérhető
- Leírás
- Használati útmutató
- Fizetési módok
- Garancia
Panel Time Relay ERD-48M - Univerzális digitális időzítő ipari és otthoni automatizáláshoz
Az ERD-48M panelóra relé egy többcélú digitális időzítő, amelyet időciklusok vezérlésére, ipari folyamatok, egycélú gépek és otthoni automatizáláshoz terveztek. Tizenhárom különböző üzemmódot, pontos programozást és számos vezérlési lehetőséget kínál.
A készülék lehetővé teszi az egyszerű idősorbeállítást 0,1 másodperctől 99,59 óráig, az előlapi gombok segítségével. A kettős LED-kijelző az értékek megjelenítését még távolról is áttekinthetővé és leolvashatóvá teszi.
Főbb jellemzők:
-
Többfunkciós digitális időzítő START / RESET / GATE vezérlőbemenetekkel.
-
13 programozható üzemmód az alkalmazások széles köréhez
-
Időegységek: óra (99:59) / perc (99:59) / másodperc (599,9 s)
-
Utolsó állapot memória - megjegyzi a beállításokat és a kimenet állapotát áramkimaradás esetén is
-
Kettős LED kijelző:
-
Felső sor (piros): beállított érték
-
alsó sor (sárga): aktuális mért idő vagy állapot
-
-
A OUT relé zárásának jelzése piros LED-del
-
Beépített tápegység az érzékelőkhöz: 12 V DC, max. 50 mA
-
Kompatibilis a 24 VDC (PNP) jelekkel vagy a 9. csatlakozóról történő egyedi 12 V-os kimenettel
-
Robusztus felépítés, 48×48 mm-es panelbe szerelhető
Funkciók és vezérlők
A készülék 13 különböző üzemmódot tartalmaz, amelyek teljes rugalmasságot biztosítanak a vezérlésben:
-
Időzített bekapcsolás
-
Kikapcsolt időkésleltetés
-
ciklikus be/kikapcsolás
-
egyszeri időzítés
-
szekvenciális logikai vezérlés
-
időrelé szünettel (GATE)
-
egyéb speciális időzítési módok
(A 13 üzemmód listája kérésre kiegészíthető.)
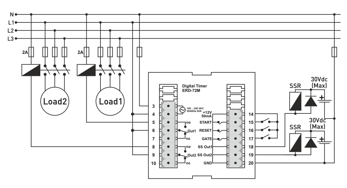
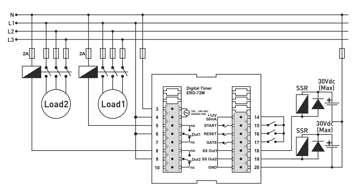
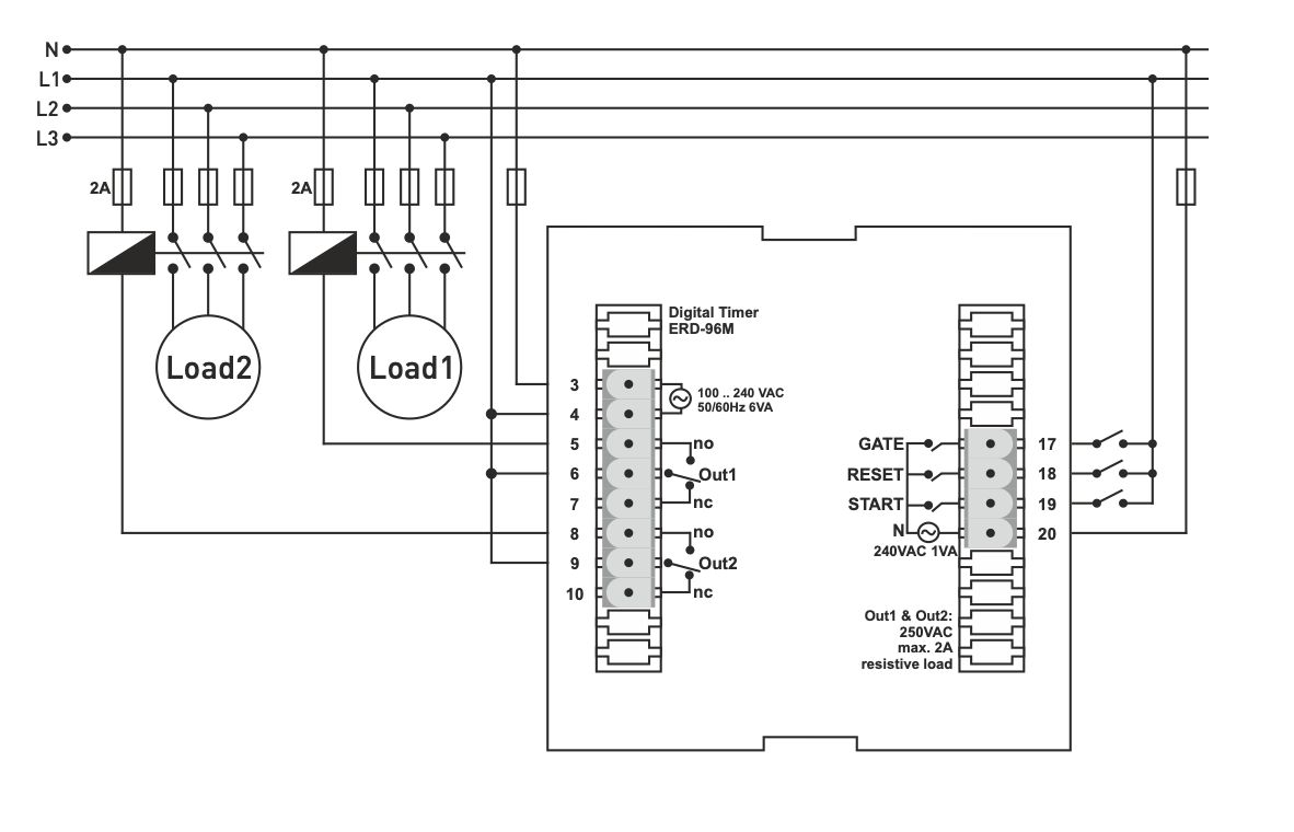
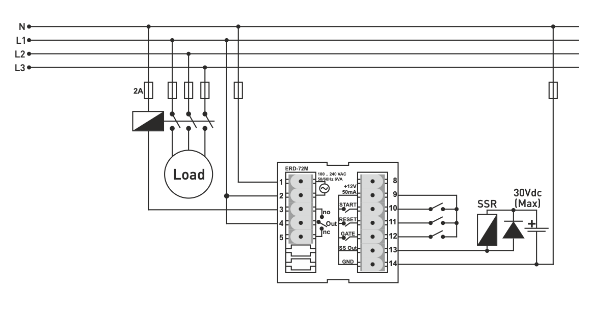
Vezérlőbemenetek:
-
START (10. csatlakozó): elindítja az időzítőt.
-
RESET (11. csatlakozó): az időzítő visszaállítása.
-
GATE (12. csatlakozó): a visszaszámlálás szüneteltetése (PAUSE).
-
9. terminál: beépített +12 V DC az érzékelőkhöz/vezérlőgombokhoz (max. 50 mA).
Kimenetek
OUT1 relékimenet (4-3-5. kimenet):
-
SPDT kapcsoló (NO-COM-NC)
-
Terhelés: 250 VAC / 2 A, ellenállásos terhelés
SSR kimenet OUT2 (13. és 14. kapocs):
-
Vezérlőjel a szilárdtest reléhez
-
Maximális kimeneti szint: 30 V DC
Műszaki specifikációk
-
Tápfeszültség: 100...240 V AC, 50/60 Hz
-
Teljesítményfelvétel: < 8 VA
-
Időzítési tartomány:
-
0,1 s és 599,9 s között
-
0-99:59 perc
-
0-99:59 h
-
-
START/RESET/GATE bemenetek: 7-32 V DC (ON), 0-2 V DC (OFF)
-
Kijelző: 2×4 számjegyű, 7 szegmensű LED (piros + sárga)
-
Működési hőmérséklet: -20 °C és +55 °C között
-
Panelbeépítési kivágás: 44 × 44 mm
-
Teljes méretek: 48 × 48 × 99 mm
-
Működési magasság: < 2000 m
-
Szerelés: panelre szerelhető, előlapi szerelés
Letöltés a
FIZETÉSI MÓDOK
Online bankkártyás fizetés – a rendelés befejezése után átirányításra kerül a fizetési felületre, a fizetés visszaigazolását e‑mailben kapja meg.
Utánvét – a fizetési előírásnak megfelelő összeget a futárnak fizeti ki.
Átutalás – e‑mailben legkésőbb a következő munkanapon előlegszámlát küldünk, amelyen megtalálja a bankszámlaszámot, amelyet az utalásnál kell feltüntetni.
Számlára történő fizetés – ezt a fizetési lehetőséget azon partnereink vehetik igénybe, akik cégünkkel keretszerződést kötöttek.
Ha az utolsó két lehetőséget szeretné igénybe venni, kérjük, vegye fel a kapcsolatot menedzserünkkel, aki útmutatást ad, hogyan kaphat ÁFÁ‑s vagy ÁFA‑mentes számlát.
SZÁLLÍTÁSI MÓDOK ÉS KÖLTSÉGEK
- GLS házhozszállítás: 4 500 Ft
- Packeta házhozszállítás: 4 500 Ft
Az általunk szállított villamos berendezések magas minőségi szabványoknak felelnek meg, 24 hónap garanciával rendelkeznek, és megfelelnek minden EU‑előírásnak.
Ezenfelül 39 000 HUF feletti rendelés esetén ingyenes szállítást kínálunk, rugalmas kedvezmény‑ és akciós rendszert.
Munkatársaink műszaki ismeretei és tapasztalatai lehetővé teszik számunkra, hogy magas színvonalú tanácsadást nyújtsunk, illetve szükség esetén alternatív elektrotermékeket ajánljunk.
Az általunk forgalmazott elektromos berendezések magas minőségi szabványoknak felelnek meg, 24 hónapos garanciával rendelkeznek, és megfelelnek az EU előírásainak.
Reklamáció esetén az áru visszaküldése díjmentes.
