Elektronikus impulzusszámláló / impulzusszámláló + -
Nem sikerült betölteni az átvétel elérhetőségét
|
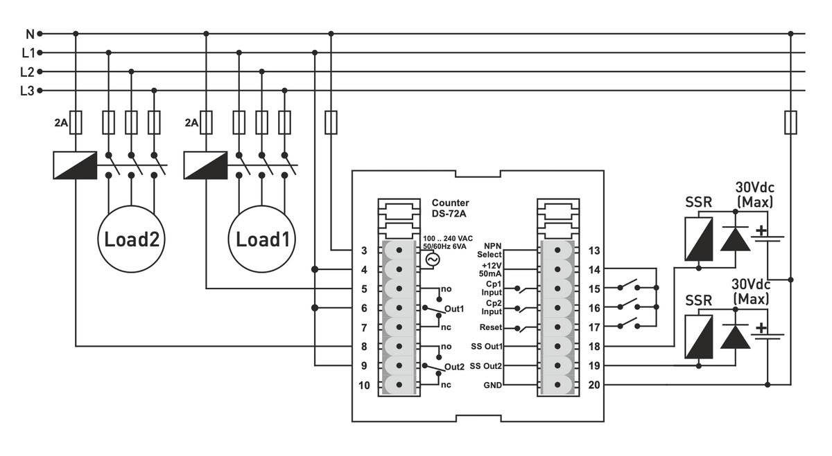
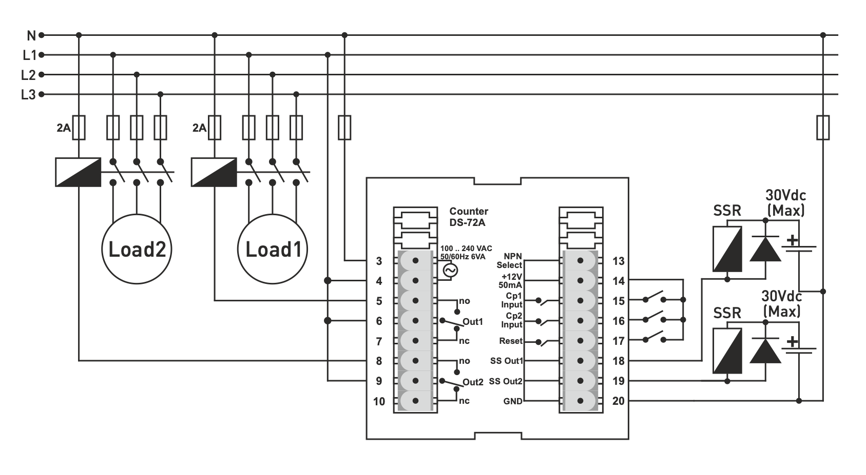
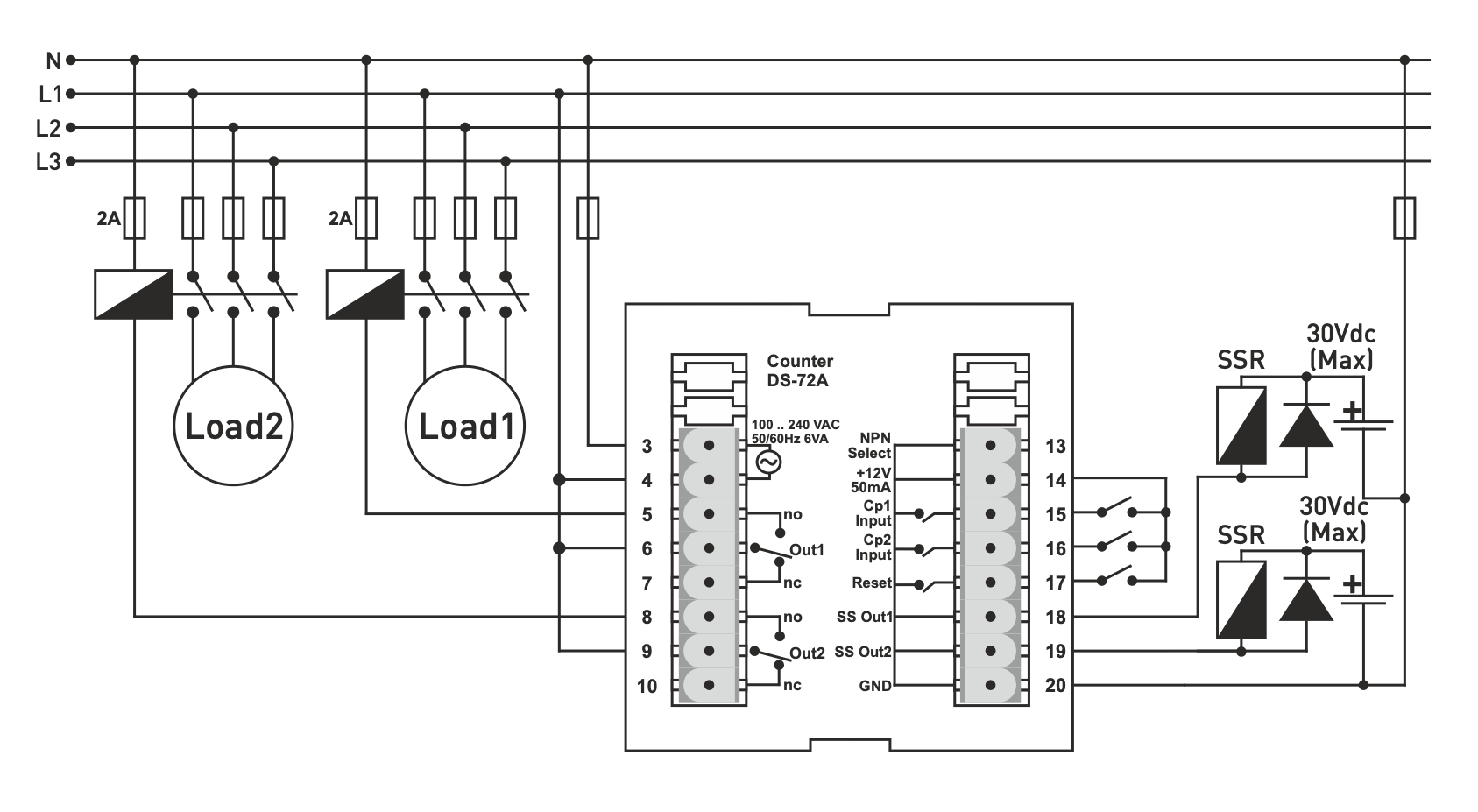
Részletes leírás A DS-72A impulzusszámláló általános specifikációja: 2x 6 számjegyű kijelző, 2x PRESET érték, 2x OUT kimeneti relé, 2x SSout SSR relé vezérléséhez.
Számolja a mechanikus kapcsolók, végálláskapcsolók, PNP/NPN induktív közelségérzékelők és inkrementális encoder bemenetek jeleit. Felfelé/lefelé számolás. Jelszóvédelem. Választható bemeneti frekvencia: 20, 50, 2500, 7500 Hz. Kalibrációs állandó: 0,00001.....9.99999. Választható tizedespont: 0 / 0.0 / 0.00 / 0.000
Funkciókombinációs lehetőségek: 7 bemeneti funkció / 10 kimeneti funkció: Összeadás: 1, visszaszámlálás, összeadás/kivonás két bemenetből egyszerre, a második bemenet által vezérelt számolási/számlálási szünet, a második bemenet által vezérelt bemeneti negálás, összeadás/kivonás az elülső élből / csökkenő élből / mindkét élből egyidejűleg, összeadás a vezető élről / kivonás a csökkenő élről / funkció negálása a második bemenet által.
A számított érték állítható "OFFSET". PRESET1 abszolút/relatív érték opcióval. OUT 2x relé: bekapcsol az érték elérésekor és RESET-ig tartva, vagy impulzus a 0,1.....999,9 másodperc tartományban. Emlékszik az impulzusszámlálás értékére és az OUT relé állapotára az utolsó áramkimaradáskor, és visszaállítható, amikor az első áramellátás újra bekapcsol. RESET az előlapi nyomógombbal vagy a RESET(17) csatlakozóra küldött jellel. Megjelenítheti az előre beállított ½ értékeket. EEPROM memória a beállítások tárolására.
Műszaki jellemzők: Méretek / nyílás : 72x72x94 mm / 67x67 mm. Kijelző : 2x 6 számjegyű 7 szegmensű LED kijelző. JelzésLED: 5x: OUT1, OUT2, Finger1, Finger2, Batch. Bemenetek: 2x (Max: 7500 Hz, 5-30 V) NPN kiválasztás: csatlakoztassa az "npn select" csatlakozót (13) a "+12V" csatlakozóhoz (14) a Cp1 (15) és Cp2 (16) bemenetre csatlakoztatott NPN érzékelő csatlakoztatásához. A reset bemenet mindig PNP. Totem-mező kódoló vagy PNP típusú kódolók esetén az "npn select" nem csatlakoztatható. Bemeneti típusok: mechanikus kapcsoló, induktív kódoló PNP/NPN kódoló kimenete NPN/PNP/totem-pólus. Bemeneti frekvenciák: 20, 50, 2500, 7500 Hz. Reset jel: RESET csatlakozó (17), minimum 10 ms, + jel (csak PNP) (5...30 V). Kimenetek (OUT): 2x SPDT relé 250VAC, 2A, ellenállásos terhelés, OUT1: 6=COM, 5=NO, 7=NC csatlakozók. OUT2: 9=COM, 8=NO, 10=NC csatlakozók SSout 2x SSR vezérlés - NPN, 30V, 100mA max, 18=SSout1, 19=SSout2, 20=GND csatlakozó
Érzékelő tápellátás: csatlakozó (14) 12 VDC, 50 mA (max.), szabályozatlan. Tápfeszültség: 100...240VAC, 50-60Hz. Teljesítményfelvétel: < 8 VA Működési hőmérséklet: -20°C ... +55°C Magasság: <2000m
Telepítési megjegyzések: Használjon árnyékolt és sodrott jelkábeleket, és az árnyékolást kösse a földre. Minden jelkábelt tartson távol áramkör-megszakítóktól, induktív terhelésektől, elektromos zajt kibocsátó berendezésektől/kábelektől és tápkábelektől. Tegyen óvintézkedéseket a környezeti hatások, például a nedvesség, a rezgés, a szennyezés és a magas/alacsony telepítési hőmérséklet ellen. Használjon biztosítékot (F250mA 250VAC) a berendezés hálózati/tápbemeneténél. Használjon megfelelő kábeleket a tápellátáshoz. A telepítés során tartsa be a biztonsági előírásokat. Használja inkább a (Inpt = Phs1) opciót a kódolókhoz, Válassza a (Freq = 20) opciót a mechanikus ON-OFF kapcsoló impulzusainak számolásához. Mindig válassza az alkalmazásnak megfelelő legkisebb bemeneti frekvencia opciót. Inpt = 1u2u, 1u2d, Phs2 esetén; a bemeneti jel frekvenciája nem lehet több, mint a kiválasztott bemeneti frekvencia opció ½-e, ha mindkét bemenetet használja. |
Inpt = Phs4 esetén; a bemeneti jel frekvenciája nem lehet több, mint a kiválasztott bemeneti frekvencia opció 1/4-e, ha mindkét bemenetet használják.
Online bankkártyás fizetés – a rendelés befejezése után átirányítjuk a fizetési kapura, a fizetés visszaigazolását e-mailben kapja meg.
Utánvét – a szállító cég futárának kell kifizetnie a rendelés összegét a kézhezvételkor.
Átutalás – e-mailben legkésőbb a következő munkanapon előlegszámlát küldünk Önnek, amelyen megtalálja a bankszámlaszámot, amit a fizetéskor meg kell adnia.
Számlára – ezt a fizetési lehetőséget azok a partnerek vehetik igénybe, akik cégünkkel keretszerződéssel rendelkeznek.
Amennyiben az utóbbi két fizetési mód egyikét szeretné igénybe venni, kérjük, hívja fel menedzserünket, aki tájékoztatja, hogyan kaphat számlát áfával vagy áfa nélkül.
Az általunk szállított elektromos berendezések magas minőségi szabványoknak felelnek meg, 24 hónap garanciával rendelkeznek, és teljesítik az EU összes követelményét.Reklamáció esetén a termék visszaküldése díjmentes.
