
Értesítést kérek e‑mailben, ha a termék újra elérhető
- Leírás
- Használati útmutató
- Fizetési módok
- Garancia
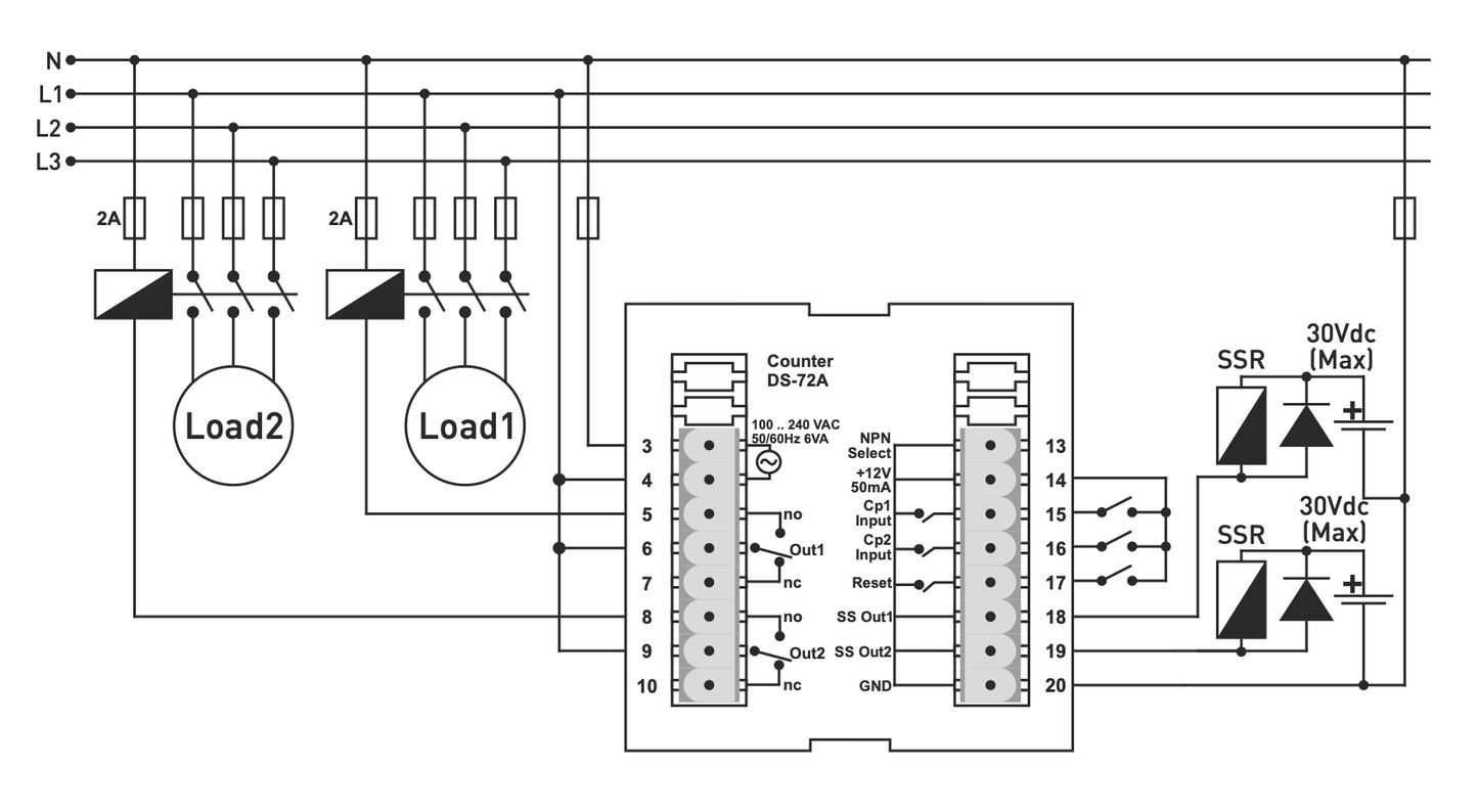
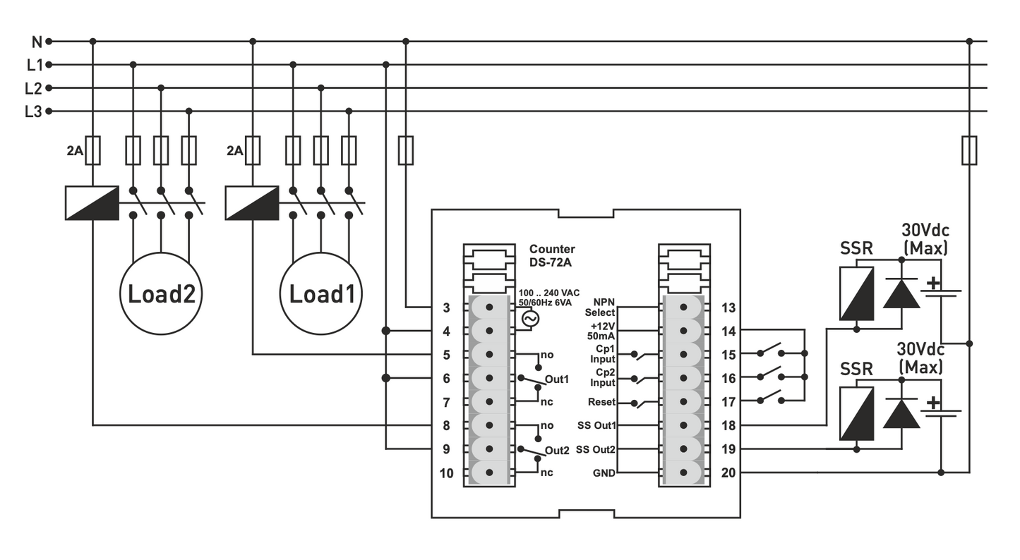
DS-72A impulzusszámláló - 2×6 számjegyű LED kijelző, 2× relé, 2× SSR kimenet
Termékleírás
A DS-72A impulzusszámláló egy professzionális eszköz, amelyet a mechanikus kapcsolók, végálláskapcsolók, PNP/NPN induktív érzékelők és inkrementális encoderek impulzusainak pontos számlálására terveztek. Támogatja a felfelé és lefelé számolást is, bemeneti funkciók kombinációját és rugalmas kimeneti konfigurációt kínál.
A kettős 6 számjegyű LED-kijelzővel és a PRESET1 és PRESET2 értékek beállításának lehetőségével világos áttekintést nyújt a számlálási értékről és a célértékről. Az EEPROM memória lehetővé teszi a beállítások megőrzését még áramkimaradás után is.
Fő funkciók
-
2× 6 számjegyű LED-kijelző az aktuális érték és a PRESET kijelzéséhez.
-
2× kimeneti relé (SPDT)
-
2× SSR kimenet (NPN, max. 30 V / 100 mA)
-
Felfelé/lefelé számlálás
-
Jelszóvédelem
-
Állítható bemeneti frekvencia: 20, 50, 2500, 7500 Hz
-
Kalibrációs állandó: 0,00001 és 9,99999 között
-
Választható tizedesjegy: 0 / 0,0 / 0,00 / 0,000
-
Lehetséges funkciókombináció: összeadás, kivonás, szünet, bemeneti negáció, élkombináció
-
Beállítható "OFFSET" értékek
-
PRESET1 abszolút/relatív érték opcióval
-
Emlékszik a kimeneti relé állapotára és értékére áramkimaradás után is
Műszaki paraméterek
-
Méretek / nyílás: 72×72×94 mm / 67×67 mm
-
LED kijelző: 2× 6 számjegyű 7-szegmenses kijelző
-
Jelző LED: 5× (OUT1, OUT2, Finger1, Finger2, Batch)
-
Bemenetek: 2× (5-30 V, max. 7500 Hz)
-
Bemenettípusok: mechanikus kapcsoló, PNP/NPN induktív érzékelő, NPN/PNP/totem-pólusú kódoló
-
Visszaállító bemenet: PNP, min. 10 ms, 5-30 V
-
Relékimenetek: 2× SPDT 250 VAC, 2 A (ellenállásos terhelés)
-
SSR kimenetek: 2× NPN, max. 30 V / 100 mA
-
Érzékelő tápellátás: 12 VDC, max. 50 mA
-
A készülék tápellátása: 100-240 VAC, 50-60 Hz
-
Teljesítményfogyasztás: < 8 VA
-
Üzemi hőmérséklet: -20°C ... +55°C
-
Magasság: < 2000 m
Alkalmazás
-
Mechanikus és elektromos berendezések impulzusainak számlálása
-
Termelés és gépfelügyelet
-
Enkóderek és mechanikai folyamatok vezérlése
-
Pontos mérést és relé/SSR kimeneteket igénylő ipari alkalmazások
Telepítés és biztonság
-
Panel / szekrénybe szerelés
-
Használjon árnyékolt és sodrott jelkábeleket, az árnyékolást földelje le.
-
Tartsa a kábeleket távol az elektromos zajok, megszakítók és induktív terhelések hatásaitól.
-
Védje a berendezéseket a nedvességtől, a rezgéstől, a szennyeződéstől és a szélsőséges hőmérséklettől.
-
Használjon F250 mA / 250 VAC biztosítékot a tápbemenetre.
-
Tartsa be a biztonsági előírásokat, és használjon megfelelő kábeleket
FIZETÉSI MÓDOK
Online bankkártyás fizetés – a rendelés befejezése után átirányításra kerül a fizetési felületre, a fizetés visszaigazolását e‑mailben kapja meg.
Utánvét – a fizetési előírásnak megfelelő összeget a futárnak fizeti ki.
Átutalás – e‑mailben legkésőbb a következő munkanapon előlegszámlát küldünk, amelyen megtalálja a bankszámlaszámot, amelyet az utalásnál kell feltüntetni.
Számlára történő fizetés – ezt a fizetési lehetőséget azon partnereink vehetik igénybe, akik cégünkkel keretszerződést kötöttek.
Ha az utolsó két lehetőséget szeretné igénybe venni, kérjük, vegye fel a kapcsolatot menedzserünkkel, aki útmutatást ad, hogyan kaphat ÁFÁ‑s vagy ÁFA‑mentes számlát.
SZÁLLÍTÁSI MÓDOK ÉS KÖLTSÉGEK
- GLS házhozszállítás: 4 500 Ft
- Packeta házhozszállítás: 4 500 Ft
Az általunk szállított villamos berendezések magas minőségi szabványoknak felelnek meg, 24 hónap garanciával rendelkeznek, és megfelelnek minden EU‑előírásnak.
Ezenfelül 39 000 HUF feletti rendelés esetén ingyenes szállítást kínálunk, rugalmas kedvezmény‑ és akciós rendszert.
Munkatársaink műszaki ismeretei és tapasztalatai lehetővé teszik számunkra, hogy magas színvonalú tanácsadást nyújtsunk, illetve szükség esetén alternatív elektrotermékeket ajánljunk.
Az általunk forgalmazott elektromos berendezések magas minőségi szabványoknak felelnek meg, 24 hónapos garanciával rendelkeznek, és megfelelnek az EU előírásainak.
Reklamáció esetén az áru visszaküldése díjmentes.
