Digitális túláram relé feszültségvédelemmel és 3×3 számjegyű LED kijelzővel TRM-30F

Raktáron - 5 elérhető tétel
SKU: TRM-30F
Közös ár 21.402 Ft ÁFÁ-val együtt

TRM-30F túláram-ellenőrző relé kijelzővel, 3-fázisú 25A-ig

Úgy tervezték, hogy megvédje az üzemi áram- és feszültségértékekre érzékeny berendezéseket a következő hibáktól:

  • áramtúlterhelés (állítható áramérték 0,5 ... 30 A)
  • áram aszimmetria (50 %, rögzített érték)
  • feszültség aszimmetria (30 %, rögzített érték)
  • túlfeszültség és alulfeszültség (Umin: 265 V, Umax: 440 V, rögzített érték)

A kijelzővel ellátott TRM-30F digitális túláram-túlterhelési relé lehetővé teszi az egyes fázisok áramának megtekintését, és a motor vagy készülék védelmét túláram, túlfeszültség, aluláram, fáziskimaradás és fázisfordítás ellen. Ezeket a digitális túlterhelési reléket úgy tervezték, hogy megakadályozzák a motor/terhelés károsodását a nagy áramok miatt, miközben lehetővé teszik az egyes fázisokban folyó áram nyomon követését a kijelzőn. Képesek a fázisok közötti kumulatív feszültségértékek ellenőrzésére is.

A két kimeneti relének (1x NO, 1x NC) köszönhetően lehetőség van a terhelés vezérlésére vagy lekapcsolására is, ha egy túláram-beállítási pont elérése esetén, vagy egy jelzőkontaktus bekapcsolására a vezérlőrendszer felé. A TRM-xx digitális relék beépített áramváltókkal és 3x3 számjegyű kijelzővel rendelkeznek az áram kijelzéséhez.


Alkalmazás és működési elv

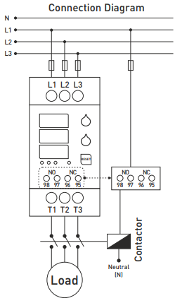
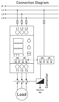
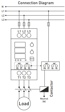
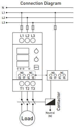
  1. Csatlakoztassa a készüléket a kapcsolási rajznak megfelelően. A helytelen csatlakoztatás károsíthatja a készüléket.
  2. Állítsa be a készülék túláramát a ">A" vezérlővel az ellenőrizendő terhelés üzemi áramának megfelelően.
  3. Amikor a készüléket bekapcsolja, a felső kijelzőn megjelenik a beállított túláram érték, a középső kijelzőn pedig a hibavárási idő az első másodpercen belül.
  4. A fázisok áramainak tényleges értékei egy másodperc múlva jelennek meg, és a jelző LED világít.
  5. A "V/A/RESET" gomb megnyomásakor a fázisok közötti kombinált feszültség értékei jelennek meg.

Meghajtók

  • "A>" - a megengedett túlterhelés beállítása; az érték a felső kijelzőn jelenik meg.
  • "sec." - a túláramos hiba várakozási idejének beállítása; az érték a középső kijelzőn jelenik meg.

Érintkező állapota

  • NO 95-96, NC 97-98:
    • A készülék feszültségmentesített vagy hibaállapotban: NO nyitott, NC zárt.
    • A készülék feszültség alatt és hiba nélkül: NO nyitva, NC nyitva.

Jelző LED

  • LED "V" - világít túlfeszültség/alulfeszültség vagy feszültség aszimmetria hiba esetén.
  • LED "A" - világít nagy áram vagy áram aszimmetria hiba esetén.
  • "XI" LED - világít, ha a fázissorrend hibás.
  • LED "NOR" - világít, ha a készülék feszültség alatt áll és a rendszer hibátlan.

A "V/A/RESET" gomb funkciója

  • Reset: 3 másodpercig történő megnyomása törli a hibát, a LED "A" kialszik, a NO érintkező bekapcsol, az NC érintkező kinyílik.
  • V/A: rövid megnyomásával a kijelző átvált az áram- és a feszültségértékek között.

Védelem és működési elv

1. Túláramvédelem (0,5-30 A):

  • Hibaállapotba lépés: a beállított túláram túllépésekor a beállított idő kivár. A fáziskijelző villog, a LED "A" világít, NO nyitva, NC zárva, LED NOR kikapcsol.
  • Hibaállapot elhagyása: áram a beállított érték alatt, 3 másodpercig nyomja meg a reset gombot.

2. Az áram aszimmetria elleni védelem:

  • Bemenet: fázisok közötti áramkülönbség >50%, várjon 3 másodpercet, kijelző villog, LED "A" világít.
  • Kilépés: különbség <50%, nyomja meg a reset gombot 3 másodpercig.

3. Túlfeszültség elleni védelem (U>440 V):

  • Bemenet: feszültség >440 V, várjon 3 másodpercet, kijelző villog, LED "V" világít.
  • Kilépés: feszültség <435 V 3 másodpercig.

4. Alulfeszültségvédelem (U<265 V):

  • Bemenet: feszültség <265 V, várakozás 3 másodpercig, kijelző villog, LED "V" világít.
  • Kilépés: feszültség >270 V 3 másodpercig.

5. Védelem a feszültség aszimmetria ellen:

  • Bemenet: feszültségkülönbség >30%, várakozás 3 másodpercig, kijelző villog, LED "V" világít.
  • Elhagyás: különbség <30% 3 másodpercig.

6. Fázissorrend-védelem:

  • Hibás fáziscsatlakozás esetén a LED "XI" világít.

Az áram aszimmetria számítása

A készülék az aszimmetriát a képlet szerint számítja ki:



Példa: ((25 - 15) / 25) × 100 = 40 % áramaszimmetria.


Műszaki specifikáció

  • Tápfeszültség: mért feszültség 3f 3x400 VAC
  • Működési feszültség (Un): 3x380 VAC 50/60 Hz, saját teljesítmény <10 VA
  • Állítható túláram (túlterhelés): 0,5-30 A
  • Hiba várakozási idő (t): 0-20 s
  • Kijelző: 3x3 számjegy, 9 mm magas, 7 kijelző LED-del
  • Túlfeszültség: 440 V (L-L)
  • Alulfeszültség: 265 V (L-L)
  • Feszültség aszimmetria: 30%
  • Áram aszimmetria: 50%
  • Várakozási idő aszimmetriahiba esetén: 3 s
  • 2x kimeneti relék (1x NO, 1x NC): 3 A / 250 V AC (ellenállásos terhelés)
  • Csatlakozás típusa: csavaros csatlakozók
  • Kábelkeresztmetszet: 2,5 mm² (reléérintkezők) / 6 mm² (bemeneti és kimeneti mérési terhelések)
  • Súly: max. 380 g
  • Szerelés: DIN-sínre
  • Üzemi hőmérséklet: -20°C ... +55°C
  • Működési magasság: <2000 m

Online bankkártyás fizetés – a rendelés befejezése után átirányítjuk a fizetési kapura, a fizetés visszaigazolását e-mailben kapja meg.
Utánvét – a szállító cég futárának kell kifizetnie a rendelés összegét a kézhezvételkor.
Átutalás – e-mailben legkésőbb a következő munkanapon előlegszámlát küldünk Önnek, amelyen megtalálja a bankszámlaszámot, amit a fizetéskor meg kell adnia.
Számlára – ezt a fizetési lehetőséget azok a partnerek vehetik igénybe, akik cégünkkel keretszerződéssel rendelkeznek.

Amennyiben az utóbbi két fizetési mód egyikét szeretné igénybe venni, kérjük, hívja fel menedzserünket, aki tájékoztatja, hogyan kaphat számlát áfával vagy áfa nélkül.

Az általunk szállított elektromos berendezések magas minőségi szabványoknak felelnek meg, 24 hónap garanciával rendelkeznek, és teljesítik az EU összes követelményét.Reklamáció esetén a termék visszaküldése díjmentes.