
Értesítést kérek e‑mailben, ha a termék újra elérhető
- Leírás
- Fizetési módok
- Garancia
|
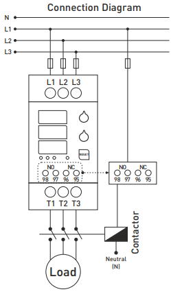
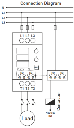
TRM-30F túláram-ellenőrző relé kijelzővel, 3-fázisú 25A-ig Úgy tervezték, hogy megvédje az üzemi áram- és feszültségértékekre érzékeny berendezéseket a következő hibáktól:
A kijelzővel ellátott TRM-30F digitális túláram-túlterhelési relé lehetővé teszi az egyes fázisok áramának megtekintését, és a motor vagy készülék védelmét túláram, túlfeszültség, aluláram, fáziskimaradás és fázisfordítás ellen. Ezeket a digitális túlterhelési reléket úgy tervezték, hogy megakadályozzák a motor/terhelés károsodását a nagy áramok miatt, miközben lehetővé teszik az egyes fázisokban folyó áram nyomon követését a kijelzőn. Képesek a fázisok közötti kumulatív feszültségértékek ellenőrzésére is. Két kimeneti relével (1x NO, 1x NC) lehetőség van a terhelés vezérlésére vagy lekapcsolására is, amikor a túláram elér egy beállított értéket, vagy egy jelzőkontaktus bekapcsolására a vezérlőrendszer felé. A TRM-xx digitális relék beépített áramváltókkal és 3x3 számjegyű kijelzővel rendelkeznek az áram kijelzéséhez. Alkalmazás és működési elv
Meghajtók
Érintkező állapota
Jelző LED
A "V/A/RESET" gomb funkciója
Védelem és működési elv 1. Túláramvédelem (0,5-30 A):
2. Az áram aszimmetria elleni védelem:
3. Túlfeszültség elleni védelem (U>440 V):
4. Alulfeszültségvédelem (U<265 V):
5. Védelem a feszültség aszimmetria ellen:
6. Fázissorrend-védelem:
Az áram aszimmetria számítása A készülék az aszimmetriát a képlet szerint számítja ki:
Példa: ((25 - 15) / 25) × 100 = 40 % áramaszimmetria. Műszaki specifikáció
|
FIZETÉSI MÓDOK
Online bankkártyás fizetés – a rendelés befejezése után átirányításra kerül a fizetési felületre, a fizetés visszaigazolását e‑mailben kapja meg.
Utánvét – a fizetési előírásnak megfelelő összeget a futárnak fizeti ki.
Átutalás – e‑mailben legkésőbb a következő munkanapon előlegszámlát küldünk, amelyen megtalálja a bankszámlaszámot, amelyet az utalásnál kell feltüntetni.
Számlára történő fizetés – ezt a fizetési lehetőséget azon partnereink vehetik igénybe, akik cégünkkel keretszerződést kötöttek.
Ha az utolsó két lehetőséget szeretné igénybe venni, kérjük, vegye fel a kapcsolatot menedzserünkkel, aki útmutatást ad, hogyan kaphat ÁFÁ‑s vagy ÁFA‑mentes számlát.
SZÁLLÍTÁSI MÓDOK ÉS KÖLTSÉGEK
- GLS házhozszállítás: 4 500 Ft
- Packeta házhozszállítás: 4 500 Ft
Az általunk szállított villamos berendezések magas minőségi szabványoknak felelnek meg, 24 hónap garanciával rendelkeznek, és megfelelnek minden EU‑előírásnak.
Ezenfelül 39 000 HUF feletti rendelés esetén ingyenes szállítást kínálunk, rugalmas kedvezmény‑ és akciós rendszert.
Munkatársaink műszaki ismeretei és tapasztalatai lehetővé teszik számunkra, hogy magas színvonalú tanácsadást nyújtsunk, illetve szükség esetén alternatív elektrotermékeket ajánljunk.
Az általunk forgalmazott elektromos berendezések magas minőségi szabványoknak felelnek meg, 24 hónapos garanciával rendelkeznek, és megfelelnek az EU előírásainak.
Reklamáció esetén az áru visszaküldése díjmentes.
