Automatikus csillag-háromszög kapcsoló / csillag-háromszög idő relé
Nem sikerült betölteni az átvétel elérhetőségét
|
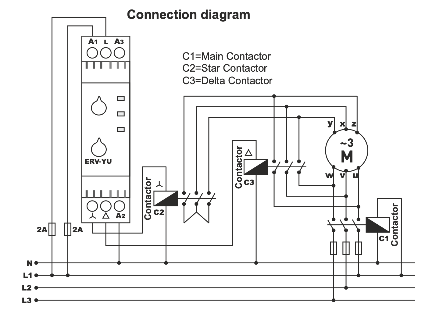
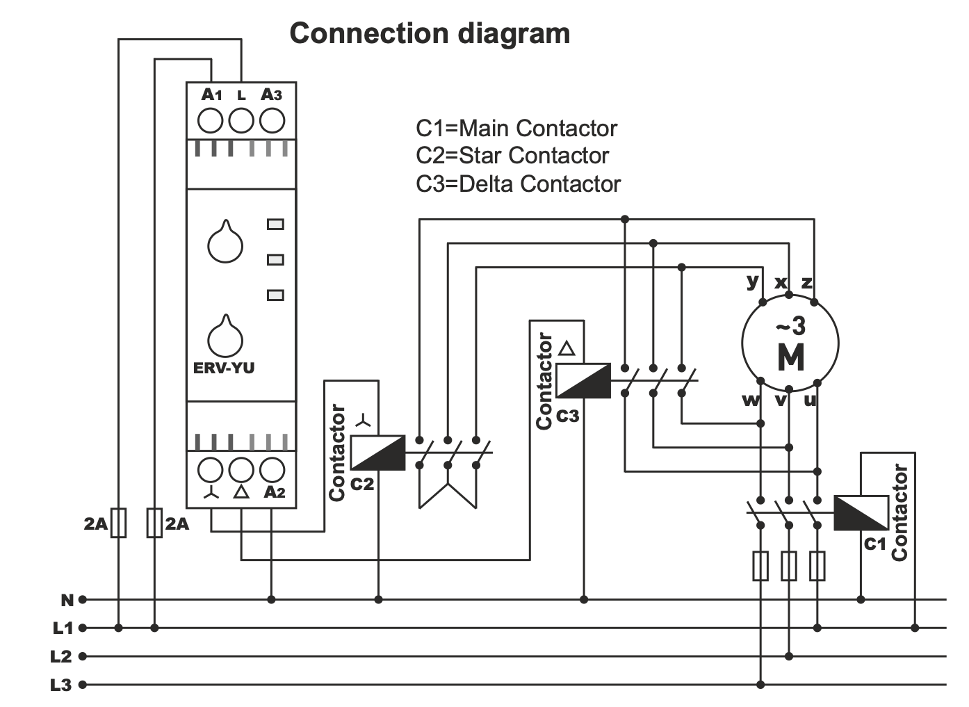
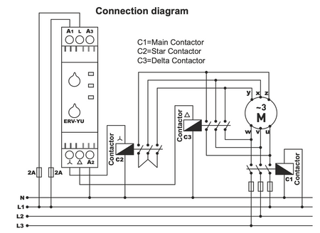
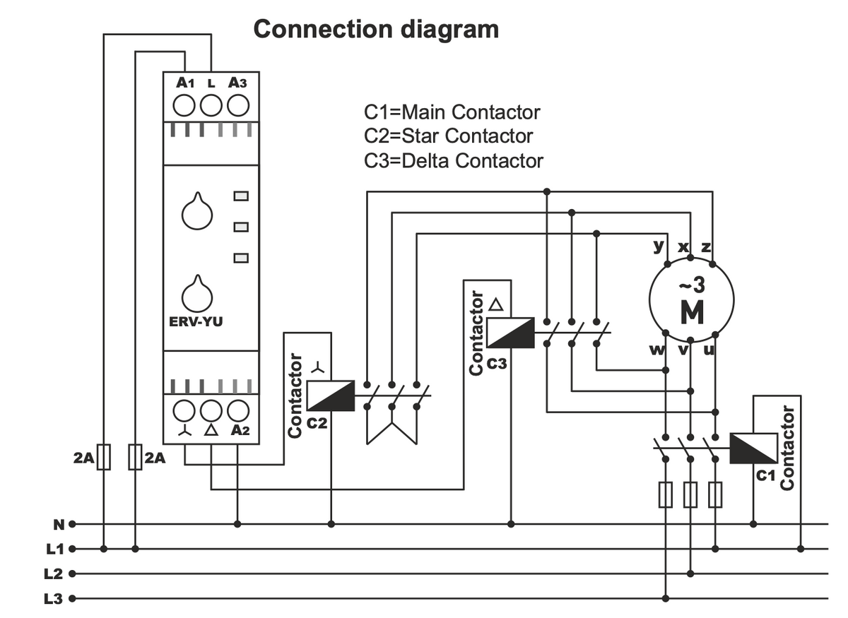
Relé csillag-háromszög indítási módokhoz (villanymotor indító relé) működési feszültség 24/220 V AC, ON, STAR, TRIPLE jelzése, STAR üzemmód időbeállítása. TÁPEGYSÉG, ERV-YU. Ismeretes, hogy a villanymotor lágy és egyenletes indításához először a STAR séma szerint kell bekapcsolni, majd egy bizonyos idő elteltével, a beállított fordulatszám elérésekor a motor tekercselését HÁROMSZÖG üzemmódra kell kapcsolni. Ez a kapcsolási séma alacsonyabb indítási áramot biztosít, ami növeli a villanymotor élettartamát és növeli a teljes energiarendszer stabilitását.
A CSILLAG-HÁROM üzemmódok átkapcsolása természetesen kapcsolóval is elvégezhető, de kontaktorok (indítók) és indító relé használata esetén jobb ezt a folyamatot automatizálni.
Az ilyen kontaktorok vezérlésére a TENSE csillag-delta reléket vagy, ahogyan más néven nevezik, csillag-delta kapcsoló reléket - ERV - YU - kínál. Amikor az ERV - YU relé A1 - A2 érintkezőire az üzemi feszültséget kapcsolják, a STAR kimenet a Faz érintkezőhöz kapcsolódik, a STAR jelző világít és a t1 gyorsítási intervallum (0,1 ... 30 s) elkezd visszaszámolni. A t1 gyorsulási intervallum után a STAR és Faz kimenetek szétkapcsolódnak, a STAR jelző kialszik, és a t2 szünetintervallum (15 ms) visszaszámlálása megkezdődik. A t2 kapcsolási intervallum letelte után a Faz és a TRIANGLE érintkezők összekapcsolódnak, a TRIANGLE jelző világít, és a kioldó relé ebben az állapotban marad mindaddig, amíg az A1 - A2 érintkezőkön riasztás van.
|
Ha szüksége van kioldó relékre, mechanikus reteszeléssel ellátott kontaktorokra, önálló mechanikus reteszelésre vagy minőségi, IP65 védettségű fémházra, ezek mindegyike szintén jó áron megvásárolható raktárunkból.
Online bankkártyás fizetés – a rendelés befejezése után átirányítjuk a fizetési kapura, a fizetés visszaigazolását e-mailben kapja meg.
Utánvét – a szállító cég futárának kell kifizetnie a rendelés összegét a kézhezvételkor.
Átutalás – e-mailben legkésőbb a következő munkanapon előlegszámlát küldünk Önnek, amelyen megtalálja a bankszámlaszámot, amit a fizetéskor meg kell adnia.
Számlára – ezt a fizetési lehetőséget azok a partnerek vehetik igénybe, akik cégünkkel keretszerződéssel rendelkeznek.
Amennyiben az utóbbi két fizetési mód egyikét szeretné igénybe venni, kérjük, hívja fel menedzserünket, aki tájékoztatja, hogyan kaphat számlát áfával vagy áfa nélkül.
Az általunk szállított elektromos berendezések magas minőségi szabványoknak felelnek meg, 24 hónap garanciával rendelkeznek, és teljesítik az EU összes követelményét.Reklamáció esetén a termék visszaküldése díjmentes.
