
Értesítést kérek e‑mailben, ha a termék újra elérhető
Előrendelhető termék
- Leírás
- Használati útmutató
- Fizetési módok
- Garancia
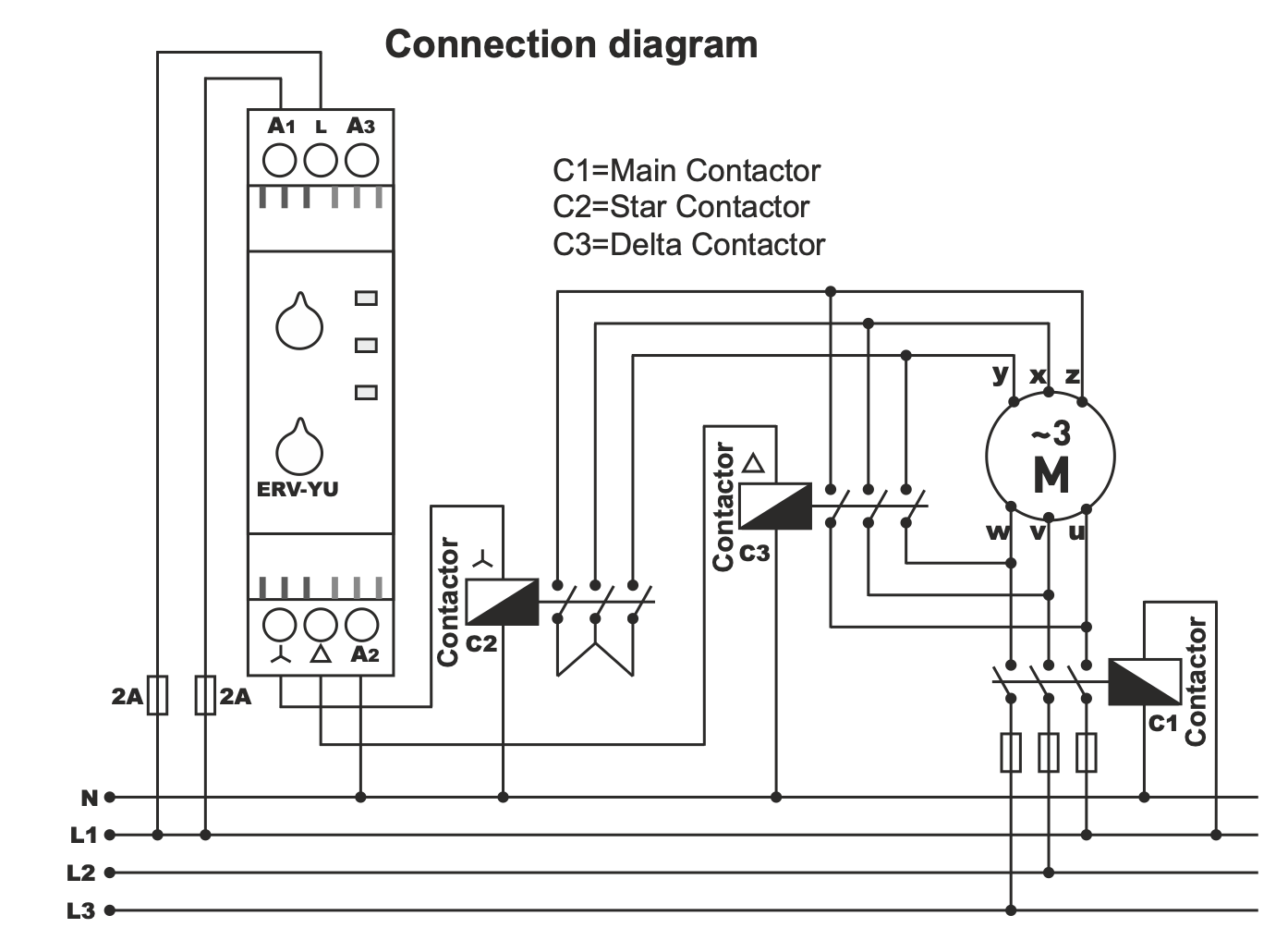
Relé csillag-delta indítási módokhoz (ERV-YU)
Az ERV-YU indító relé az elektromos motorok indításának automatikus vezérlésére szolgál STAR-DRINAGON üzemmódban, 24/220 V AC üzemi feszültségen. A relé biztosítja a motor lágy indítását, csökkenti az indítási áramot és meghosszabbítja a teljes meghajtórendszer élettartamát. Fel van szerelve az ON, STAR, TRIANGLE üzemmódok fényjelzésével, és lehetővé teszi az indítási idő beállítását.
Leírás és működési elv
A villanymotor lágy indítása érdekében először a STAR üzemmód aktiválódik, amely csökkenti a kezdeti áramlökést. A kívánt fordulatszám elérésekor a tekercs automatikusan átvált a TRIPLE üzemmódra, amelyben a motor normál üzemmódban folytatja működését.
A relék és kontaktorok általi automatikus üzemmódváltás növeli az egész rendszer stabilitását, és kiküszöböli a kézi működtetéssel járó kockázatokat.
Amikor a relé A1-A2 kapcsaira feszültséget kapcsolunk:
-
A STAR érintkező aktiválódik, a STAR kijelző világít, és a t1 indítási intervallum (0,1-30 s) elkezd számolni.
-
A t1 idő letelte után a STAR érintkező megszakad, a jelző kialszik, és rövid szünet t2 (15 ms) kezdődik.
-
Ezt követően a PHASE-TRIANGLE érintkezők bekapcsolódnak, a TRIANGLE jelzőfény kigyullad, és a relé ebben az üzemmódban marad mindaddig, amíg a feszültség az A1-A2 csatlakozókra van kapcsolva.
Használat
Az ERV-YU relé alkalmas:
-
a motorok automatikus vezérlése csillag-delta üzemmódban
-
Ipari alkalmazások, amelyeknél a motorok stabil és biztonságos indítása magas követelményeket támaszt a stabil és biztonságos indítással szemben.
-
olyan rendszerekhez, ahol csökkenteni kell az indítóáramot és védeni kell az elektromos hálózatot.
Kiegészítő tartomány
A reléhez megvásárolható:
-
Kontaktorok és indítók
-
mechanikus reteszelésű kontaktorok
-
önálló mechanikus reteszelőmodulok
-
IP65 védettségű fémházak
Mindez közvetlenül raktárról, versenyképes áron.
FIZETÉSI MÓDOK
Online bankkártyás fizetés – a rendelés befejezése után átirányításra kerül a fizetési felületre, a fizetés visszaigazolását e‑mailben kapja meg.
Utánvét – a fizetési előírásnak megfelelő összeget a futárnak fizeti ki.
Átutalás – e‑mailben legkésőbb a következő munkanapon előlegszámlát küldünk, amelyen megtalálja a bankszámlaszámot, amelyet az utalásnál kell feltüntetni.
Számlára történő fizetés – ezt a fizetési lehetőséget azon partnereink vehetik igénybe, akik cégünkkel keretszerződést kötöttek.
Ha az utolsó két lehetőséget szeretné igénybe venni, kérjük, vegye fel a kapcsolatot menedzserünkkel, aki útmutatást ad, hogyan kaphat ÁFÁ‑s vagy ÁFA‑mentes számlát.
SZÁLLÍTÁSI MÓDOK ÉS KÖLTSÉGEK
- GLS házhozszállítás: 4 500 Ft
- Packeta házhozszállítás: 4 500 Ft
Az általunk szállított villamos berendezések magas minőségi szabványoknak felelnek meg, 24 hónap garanciával rendelkeznek, és megfelelnek minden EU‑előírásnak.
Ezenfelül 39 000 HUF feletti rendelés esetén ingyenes szállítást kínálunk, rugalmas kedvezmény‑ és akciós rendszert.
Munkatársaink műszaki ismeretei és tapasztalatai lehetővé teszik számunkra, hogy magas színvonalú tanácsadást nyújtsunk, illetve szükség esetén alternatív elektrotermékeket ajánljunk.
Az általunk forgalmazott elektromos berendezések magas minőségi szabványoknak felelnek meg, 24 hónapos garanciával rendelkeznek, és megfelelnek az EU előírásainak.
Reklamáció esetén az áru visszaküldése díjmentes.
