
Értesítést kérek e‑mailben, ha a termék újra elérhető
- Leírás
- Használati útmutató
- Fizetési módok
- Garancia
|
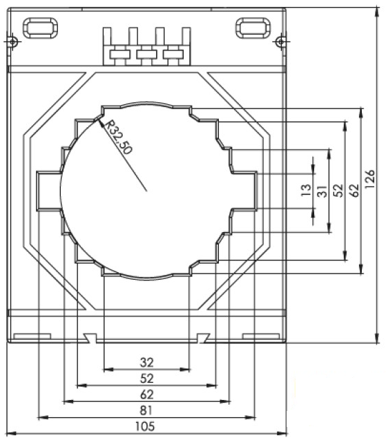
Áramváltó 81x13, 1500/5A -0,5S - 20VA - 80mm, Feszítés
A feszítő áramváltók lehetővé teszik a váltakozó áramú rendszerek elektromos paramétereinek pontos mérését és szabályozását. A nagy áramértékeket alacsonyabb, biztonságos értékekre alakítják át a mérőberendezések számára, lehetővé téve az elektromos rendszerek hatékony vezérlését és irányítását. Műszaki specifikációk
Együttható: 1500/5A Terhelhetőség: 20VA Pontossági osztály: 0,5S Kimeneti blokk Nem levehető fedél; nagyméretű vezetékekhez; sárgarézből készült a nagyobb biztonság érdekében. Ház Nem gyúlékony, önkioltó ABS Szerelés KK0001 vagy KK0002 Elsődleges tekercselés 80 x 10 mm Kerek vezető Ø 65 mm T-ellenállás rövidzárlati árammal szemben Ith = 60*In T-ellenállás állandó áramerősséggel szemben Id = 1 * In Környezeti hőmérséklet (üzemórák) -25°C~+85°C Névleges frekvencia 50 Hz ... 60 Hz Kapcsolási áramhatár FS 5 Vizsgálati feszültség 3 kV 1 percig Maximális rendszerfeszültség 0,72 kV Szabványok: IEC 60044-1, IEC 61869-2, VDE 0414-1, DIN57414, BS3938, BS7626, EN 61869
A feszültség-áramváltók előnyei: Nagy pontosság: megbízható méréseket biztosítanak az elektromos paraméterek pontos szabályozásához. Névleges áramok széles skálája: lehetővé teszi az optimális modell kiválasztását az adott igényekhez. Különböző méretek: a különböző ablakméretek biztosítják a telepítés rugalmasságát és a különböző vezetőkkel való kompatibilitást. Megbízhatóság és tartósság: kiváló minőségű anyagokból készülnek, amelyek hosszú élettartamot garantálnak. |
A feszültség-áramváltók kiválasztása garantálja az elektromos rendszerek stabil működését és a mérési pontosságot, ami a hatékony energiagazdálkodás kulcsfontosságú tényezője.
Letöltés a
Műszaki információ az áramváltókról (996 kB) - kérésre elküldjük
FIZETÉSI MÓDOK
Online bankkártyás fizetés – a rendelés befejezése után átirányításra kerül a fizetési felületre, a fizetés visszaigazolását e‑mailben kapja meg.
Utánvét – a fizetési előírásnak megfelelő összeget a futárnak fizeti ki.
Átutalás – e‑mailben legkésőbb a következő munkanapon előlegszámlát küldünk, amelyen megtalálja a bankszámlaszámot, amelyet az utalásnál kell feltüntetni.
Számlára történő fizetés – ezt a fizetési lehetőséget azon partnereink vehetik igénybe, akik cégünkkel keretszerződést kötöttek.
Ha az utolsó két lehetőséget szeretné igénybe venni, kérjük, vegye fel a kapcsolatot menedzserünkkel, aki útmutatást ad, hogyan kaphat ÁFÁ‑s vagy ÁFA‑mentes számlát.
SZÁLLÍTÁSI MÓDOK ÉS KÖLTSÉGEK
- GLS házhozszállítás: 4 500 Ft
- Packeta házhozszállítás: 4 500 Ft
Az általunk szállított villamos berendezések magas minőségi szabványoknak felelnek meg, 24 hónap garanciával rendelkeznek, és megfelelnek minden EU‑előírásnak.
Ezenfelül 39 000 HUF feletti rendelés esetén ingyenes szállítást kínálunk, rugalmas kedvezmény‑ és akciós rendszert.
Munkatársaink műszaki ismeretei és tapasztalatai lehetővé teszik számunkra, hogy magas színvonalú tanácsadást nyújtsunk, illetve szükség esetén alternatív elektrotermékeket ajánljunk.
Az általunk forgalmazott elektromos berendezések magas minőségi szabványoknak felelnek meg, 24 hónapos garanciával rendelkeznek, és megfelelnek az EU előírásainak.
Reklamáció esetén az áru visszaküldése díjmentes.
