
Értesítést kérek e‑mailben, ha a termék újra elérhető
Előrendelhető termék
- Leírás
- Használati útmutató
- Fizetési módok
- Garancia
Mérőáram-transzformátor TK40 - TENSE
Termékleírás:
A TK40 áramtranszformátor mérőablakát kisfeszültségű berendezésekben és ipari alkalmazásokban közvetett váltakozó áram mérésére tervezték. A transzformátor a nagy primer áramot szabványos szekunder árammá alakítja, amely alkalmas a berendezések mérésére, vezérlésére vagy védelmére.
Tulajdonságok:
-
Precíziós áramátalakítás 0,5S pontossági osztállyal.
-
Kompakt és tartós ház nem gyúlékony, égésgátló ABS-ből készült
-
Nem levehető fedéllel ellátott, nagyméretű vezetékekhez alkalmas csatlakozóblokk
-
Rövidzárlati árammal szembeni ellenállás: Ith = 60 × In
-
Állandó árammal szembeni ellenállás: Id = 1 × In
-
Üzemi hőmérséklet: -25 °C ... +85 °C
-
Szerelés: KK0001 vagy KK0002
-
Vizsgálati feszültség: 3 kV 1 percig
-
Maximális rendszerfeszültség: 0,72 kV
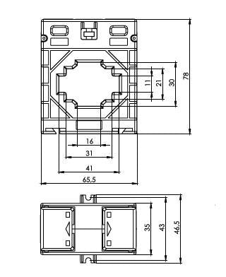
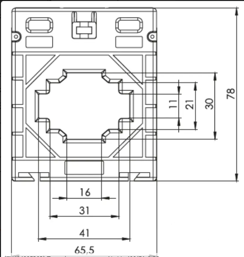
Műszaki paraméterek
| Paraméter | Érték |
|---|---|
| Rendelkezésre álló változatok | 300/5, 400/5, 500/5, 600/5, 800/5 |
| Terhelhetőség | 3,75 VA |
| Pontossági osztály | 0,5S |
| Elsődleges tekercselés | 40 × 10 mm |
| Belső furat (vezető átmérője) | Ø 30 mm |
| Névleges frekvencia | 50-60 Hz |
| Ütőáram-korlátozás | FS 5 |
| Beépítés | KK0001 / KK0002 |
| A ház anyaga | Nem gyúlékony, égésgátló ABS |
Szabványok:
SZABVÁNYOK: IEC 60044-1, IEC 61869-2, VDE 0414-1, DIN 57414, BS3938, BS7626, EN 61869-2
Minőségellenőrzés:
Az eredményeket vizsgálati jegyzőkönyvben rögzítik és a transzformátorhoz csatolják.
Letöltés a
Műszaki információ az áramváltókról (996 kB) - kérésre elküldjük
FIZETÉSI MÓDOK
Online bankkártyás fizetés – a rendelés befejezése után átirányításra kerül a fizetési felületre, a fizetés visszaigazolását e‑mailben kapja meg.
Utánvét – a fizetési előírásnak megfelelő összeget a futárnak fizeti ki.
Átutalás – e‑mailben legkésőbb a következő munkanapon előlegszámlát küldünk, amelyen megtalálja a bankszámlaszámot, amelyet az utalásnál kell feltüntetni.
Számlára történő fizetés – ezt a fizetési lehetőséget azon partnereink vehetik igénybe, akik cégünkkel keretszerződést kötöttek.
Ha az utolsó két lehetőséget szeretné igénybe venni, kérjük, vegye fel a kapcsolatot menedzserünkkel, aki útmutatást ad, hogyan kaphat ÁFÁ‑s vagy ÁFA‑mentes számlát.
SZÁLLÍTÁSI MÓDOK ÉS KÖLTSÉGEK
- GLS házhozszállítás: 4 500 Ft
- Packeta házhozszállítás: 4 500 Ft
Az általunk szállított villamos berendezések magas minőségi szabványoknak felelnek meg, 24 hónap garanciával rendelkeznek, és megfelelnek minden EU‑előírásnak.
Ezenfelül 39 000 HUF feletti rendelés esetén ingyenes szállítást kínálunk, rugalmas kedvezmény‑ és akciós rendszert.
Munkatársaink műszaki ismeretei és tapasztalatai lehetővé teszik számunkra, hogy magas színvonalú tanácsadást nyújtsunk, illetve szükség esetén alternatív elektrotermékeket ajánljunk.
Az általunk forgalmazott elektromos berendezések magas minőségi szabványoknak felelnek meg, 24 hónapos garanciával rendelkeznek, és megfelelnek az EU előírásainak.
Reklamáció esetén az áru visszaküldése díjmentes.
