
Értesítést kérek e‑mailben, ha a termék újra elérhető
Előrendelhető termék
- Leírás
- Használati útmutató
- Fizetési módok
- Garancia
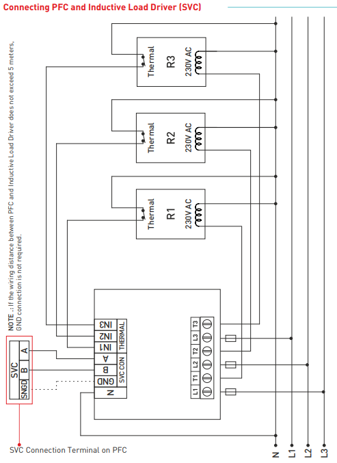
18 lépés + TCR Teljesítménytényező-szabályozó szimmetrikus/aszimmetrikus hálózatokhoz 5 hüvelykes érintőképernyővel és RS-485 (TENSE)
A reaktív teljesítményszabályozó relék a terhelés által fel nem használt, a hálózatból felvett reaktív (induktív és kapacitív) teljesítmény csökkentésére szolgálnak. Ha induktív teljesítményt vesznek el a hálózatból, akkor egy megfelelő értékű kondenzátor eltávolításával avatkozik be. Ha a kapacitív teljesítmény a hálózatból származik, akkor egy megfelelő értékű söntinduktor elvételével avatkozik be. Ily módon megpróbálja csökkenteni a rendszer induktív/aktív és kapacitív/aktív sebességét. Úgy tervezték, hogy az RGT-MT18 TCR lépcsővel ésszerűbb kompenzációt biztosítson a kiegyensúlyozatlan induktív és kapacitív rendszerekben.
Generátor bemenet és generátorkompenzáció
Feszültség, harmonikus áram/feszültség, induktív és kapacitív riasztás kimenet
Becsapódási, kisütési és leszabályozási idők beállíthatók
Távoli kommunikáció RS485-ös (RS485 ModBus RTU) segítségével
Egyfázisú, kétfázisú és háromfázisú kondenzátor és söntreaktor csatlakoztatható
A harmonikus feszültség és áram a 61. harmonikusig megfigyelhető
A teljes energia (import/export) nyomon követhető
Az egyes fázisok THD-V és THD-I értékei megfigyelhetők.
Teljesítményelemzés létrehozása (20 minta 9999 perc) - a kondenzátor kiválasztásához
Hőmérséklet riasztás kimenet
Igény nyilvántartás (aktív és reaktív és látszólagos teljesítmény és áramigény)
Az egyes fázisok minimális, maximális és átlagos áram- és feszültségértékei megfigyelhetők
Aktuális dátum és idő
FIZETÉSI MÓDOK
Online bankkártyás fizetés – a rendelés befejezése után átirányításra kerül a fizetési felületre, a fizetés visszaigazolását e‑mailben kapja meg.
Utánvét – a fizetési előírásnak megfelelő összeget a futárnak fizeti ki.
Átutalás – e‑mailben legkésőbb a következő munkanapon előlegszámlát küldünk, amelyen megtalálja a bankszámlaszámot, amelyet az utalásnál kell feltüntetni.
Számlára történő fizetés – ezt a fizetési lehetőséget azon partnereink vehetik igénybe, akik cégünkkel keretszerződést kötöttek.
Ha az utolsó két lehetőséget szeretné igénybe venni, kérjük, vegye fel a kapcsolatot menedzserünkkel, aki útmutatást ad, hogyan kaphat ÁFÁ‑s vagy ÁFA‑mentes számlát.
SZÁLLÍTÁSI MÓDOK ÉS KÖLTSÉGEK
- GLS házhozszállítás: 4 500 Ft
- Packeta házhozszállítás: 4 500 Ft
Az általunk szállított villamos berendezések magas minőségi szabványoknak felelnek meg, 24 hónap garanciával rendelkeznek, és megfelelnek minden EU‑előírásnak.
Ezenfelül 39 000 HUF feletti rendelés esetén ingyenes szállítást kínálunk, rugalmas kedvezmény‑ és akciós rendszert.
Munkatársaink műszaki ismeretei és tapasztalatai lehetővé teszik számunkra, hogy magas színvonalú tanácsadást nyújtsunk, illetve szükség esetén alternatív elektrotermékeket ajánljunk.
Az általunk forgalmazott elektromos berendezések magas minőségi szabványoknak felelnek meg, 24 hónapos garanciával rendelkeznek, és megfelelnek az EU előírásainak.
Reklamáció esetén az áru visszaküldése díjmentes.
