
Értesítést kérek e‑mailben, ha a termék újra elérhető
Előrendelhető termék
- Leírás
- Használati útmutató
- Fizetési módok
- Garancia
12 lépés + TCR Teljesítménytényező szabályozó 2,9"-os grafikus LCD kijelzővel és RS-485 (TENSE)
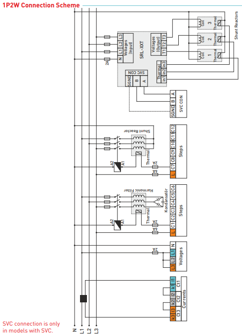
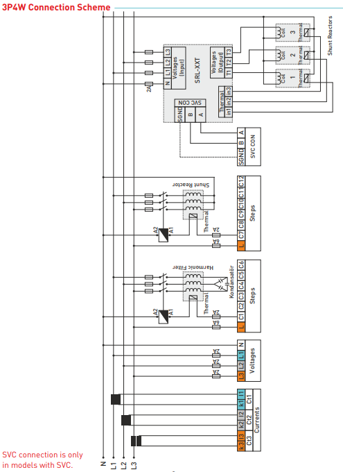
Az RGT-12SVC reaktív teljesítményszabályozó (TENSE ) egy teljesen automatikus készülék a kompenzációs fokozatok optimális kapcsolására.
A szabályozó által mért értékek digitális feldolgozása nagy pontosságot biztosít a hatásos feszültség, áram és teljesítménytényező kiértékelésében.
A készülék telepítése teljesen automatikus - a szabályozó maga határozza meg az egyes csatlakoztatott kompenzációs fokozatok méretét. Ezek a paraméterek közvetlenül manuálisan is megadhatók.
A szabályozó úgy kapcsolja be és ki a kompenzációs fokozatokat, hogy a reaktív teljesítményt minimális számú kapcsolási művelettel szabályozza. Ugyanakkor a vezérlő figyelembe veszi az egyes fokozatok egyenletes terhelését, és előnyben részesíti azokat a fokozatok kapcsolását, amelyek a leghosszabb ideig feszültségmentesek voltak, és amelyeknél a maradék töltés minimális. A szabályozási folyamat során a kompenzációs fokozatokat folyamatosan párhuzamosan felügyelik - a meghibásodásokat és az értékek változását észlelik, az ideiglenesen kivont fokozatokat időszakosan tesztelik, és szükség esetén visszahelyezik őket a szabályozási folyamatba.
Generátor bemenet és generátorkompenzáció
Beállítható beütési, kisütési és leszabályozási idő
Távoli kommunikáció RS485-ös (RS485 ModBus RTU) segítségével
Egyfázisú, kétfázisú és háromfázisú kondenzátor és söntreaktor csatlakoztatható
A harmonikus feszültség és áram a 31. harmonikusig megfigyelhető
A teljes energia (import/export) nyomon követhető
Az egyes fázisok THD-V és THD-I értékei megfigyelhetők.
Teljesítményelemzés létrehozása (20 minta 9999 perc) - a kondenzátor kiválasztásához
FIZETÉSI MÓDOK
Online bankkártyás fizetés – a rendelés befejezése után átirányításra kerül a fizetési felületre, a fizetés visszaigazolását e‑mailben kapja meg.
Utánvét – a fizetési előírásnak megfelelő összeget a futárnak fizeti ki.
Átutalás – e‑mailben legkésőbb a következő munkanapon előlegszámlát küldünk, amelyen megtalálja a bankszámlaszámot, amelyet az utalásnál kell feltüntetni.
Számlára történő fizetés – ezt a fizetési lehetőséget azon partnereink vehetik igénybe, akik cégünkkel keretszerződést kötöttek.
Ha az utolsó két lehetőséget szeretné igénybe venni, kérjük, vegye fel a kapcsolatot menedzserünkkel, aki útmutatást ad, hogyan kaphat ÁFÁ‑s vagy ÁFA‑mentes számlát.
SZÁLLÍTÁSI MÓDOK ÉS KÖLTSÉGEK
- GLS házhozszállítás: 4 500 Ft
- Packeta házhozszállítás: 4 500 Ft
Az általunk szállított villamos berendezések magas minőségi szabványoknak felelnek meg, 24 hónap garanciával rendelkeznek, és megfelelnek minden EU‑előírásnak.
Ezenfelül 39 000 HUF feletti rendelés esetén ingyenes szállítást kínálunk, rugalmas kedvezmény‑ és akciós rendszert.
Munkatársaink műszaki ismeretei és tapasztalatai lehetővé teszik számunkra, hogy magas színvonalú tanácsadást nyújtsunk, illetve szükség esetén alternatív elektrotermékeket ajánljunk.
Az általunk forgalmazott elektromos berendezések magas minőségi szabványoknak felelnek meg, 24 hónapos garanciával rendelkeznek, és megfelelnek az EU előírásainak.
Reklamáció esetén az áru visszaküldése díjmentes.
