
Értesítést kérek e‑mailben, ha a termék újra elérhető
Előrendelhető termék
- Leírás
- Használati útmutató
- Fizetési módok
- Garancia
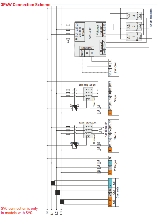
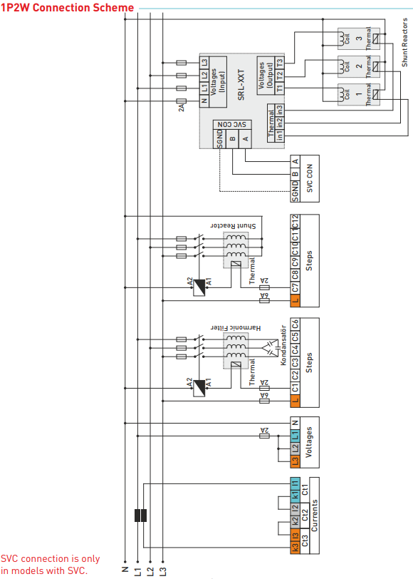
Teljesítménytényező szabályozó 12 fokozat + TCR 2,9" grafikus LCD kijelzővel (TENSE) - RGT-12E
A TENSE RGT-12E reaktív teljesítményszabályozója egy teljesen automatikus és nagy pontosságú szabályozó, amelyet az energiarendszerek kompenzációs fokozatainak optimális szabályozására terveztek. Digitális méréssel, intelligens algoritmusokkal és grafikus LCD kijelzővel biztosítja a stabil teljesítménytényezőt, a hatékony reaktív teljesítményszabályozást és a kompenzáló berendezések védelmét.
Fő jellemzők és funkciók
A kompenzációs fokozatok automatikus felismerése
A szabályozó a bekapcsolás után konfigurálja magát:
-
Automatikusan felismeri a csatlakoztatott kondenzátorfokozatok méretét
-
lehetőség van a paraméterek kézi megadására is
-
a rendszer folyamatosan ellenőrzi az egyes fokozatok állapotát
Intelligens kapcsolásvezérlés
A vezérlő úgy kapcsolja be és ki a fokozatokat, hogy:
-
a kapcsolások minimális számával stabil teljesítménytényezőt érjenek el
-
az egyes fokozatok egyenletesen legyenek terhelve
-
a legalacsonyabb maradéktöltéssel rendelkező kondenzátorokat részesítsék előnyben
-
az egyes fokozatok állapotát egyidejűleg ellenőrzik (meghibásodás, teljesítményváltás, eltávolítás és visszahelyezés).
TCR (tirisztoros kapcsolt reaktor) támogatás
A vezérlő lehetővé teszi a kompenzációs vezérlést tirisztoros kapcsolt reaktorokkal, ami ideális a következőkhöz:
-
Ipari alkalmazások
-
dinamikus kompenzáció
-
gyakori terhelésváltozásokkal járó rendszerek
fejlett mérés és elemzés
-
A harmonikus feszültségek és áramok mérése a 31. harmonikusig.
-
Teljes energiafigyelés (import/export)
-
THD-V és THD-I mérések minden fázisra vonatkozóan
-
Teljesítményelemzés generálása (20 minta 9999 percenként) - nagyon hasznos a kompenzációs szerelvények tervezésénélAkompenzációs elemekrugalmasbekötése
Alkalmazási lehetőségek:
-
Egyfázisú kondenzátorok
-
kétfázisú kondenzátorok
-
háromfázisú kondenzátorok
-
söntduktorok
Beállítható időfunkciók
Beállítható:
-
beavatkozási idő
-
kisütési idő
-
ülepedési idő
Ez lehetővé teszi a vezérlés pontos beállítását a művelet jellegéhez.
Generátor funkciók
A szabályozó rendelkezik:
-
Generátorvezérlő bemenet
-
generátorkompenzációs funkció
Műszaki jellemzők (rövid áttekintés)
-
12 relés kompenzációs kimenet
-
TCR támogatás
-
Grafikus LCD kijelző 2,9"
-
Automatikus szakaszérzékelés
-
Harmonikus mérés 31. rendig
-
Energiastatisztika és előzmények
-
THD-V / THD-I
-
Egyfázisú, kétfázisú és háromfázisú szakaszok támogatása
-
Programozható ki-, be- és kisütési idő
-
Fokozatos hibavédelem
FIZETÉSI MÓDOK
Online bankkártyás fizetés – a rendelés befejezése után átirányításra kerül a fizetési felületre, a fizetés visszaigazolását e‑mailben kapja meg.
Utánvét – a fizetési előírásnak megfelelő összeget a futárnak fizeti ki.
Átutalás – e‑mailben legkésőbb a következő munkanapon előlegszámlát küldünk, amelyen megtalálja a bankszámlaszámot, amelyet az utalásnál kell feltüntetni.
Számlára történő fizetés – ezt a fizetési lehetőséget azon partnereink vehetik igénybe, akik cégünkkel keretszerződést kötöttek.
Ha az utolsó két lehetőséget szeretné igénybe venni, kérjük, vegye fel a kapcsolatot menedzserünkkel, aki útmutatást ad, hogyan kaphat ÁFÁ‑s vagy ÁFA‑mentes számlát.
SZÁLLÍTÁSI MÓDOK ÉS KÖLTSÉGEK
- GLS házhozszállítás: 4 500 Ft
- Packeta házhozszállítás: 4 500 Ft
Az általunk szállított villamos berendezések magas minőségi szabványoknak felelnek meg, 24 hónap garanciával rendelkeznek, és megfelelnek minden EU‑előírásnak.
Ezenfelül 39 000 HUF feletti rendelés esetén ingyenes szállítást kínálunk, rugalmas kedvezmény‑ és akciós rendszert.
Munkatársaink műszaki ismeretei és tapasztalatai lehetővé teszik számunkra, hogy magas színvonalú tanácsadást nyújtsunk, illetve szükség esetén alternatív elektrotermékeket ajánljunk.
Az általunk forgalmazott elektromos berendezések magas minőségi szabványoknak felelnek meg, 24 hónapos garanciával rendelkeznek, és megfelelnek az EU előírásainak.
Reklamáció esetén az áru visszaküldése díjmentes.
