
Értesítést kérek e‑mailben, ha a termék újra elérhető
Előrendelhető termék
- Leírás
- Használati útmutató
- Fizetési módok
- Garancia
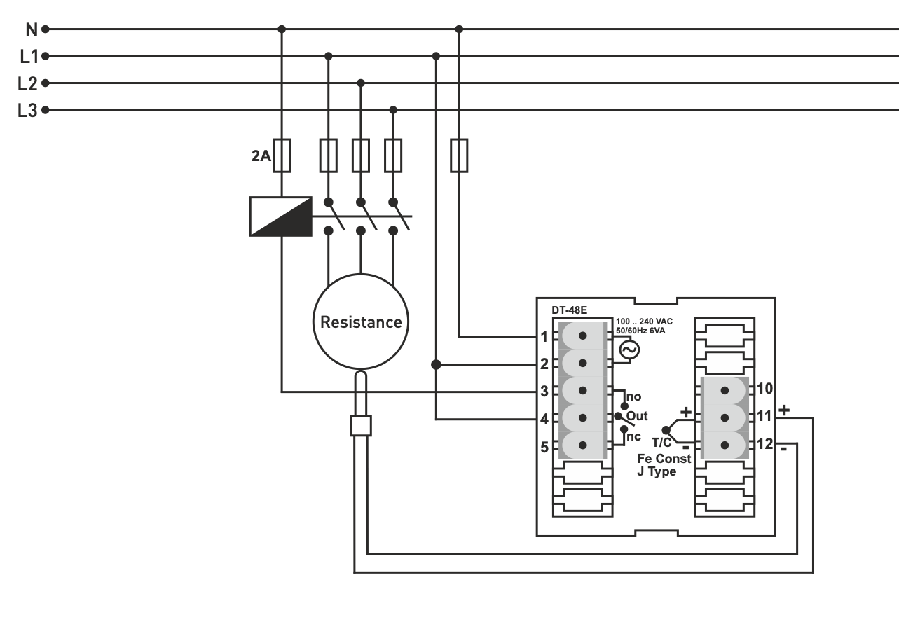
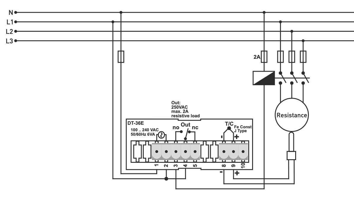
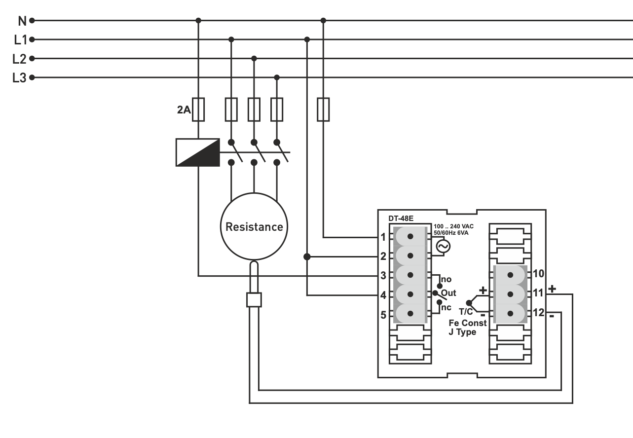
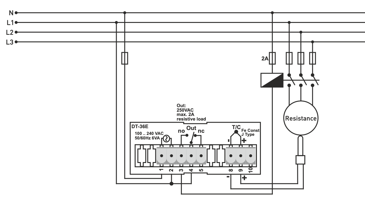
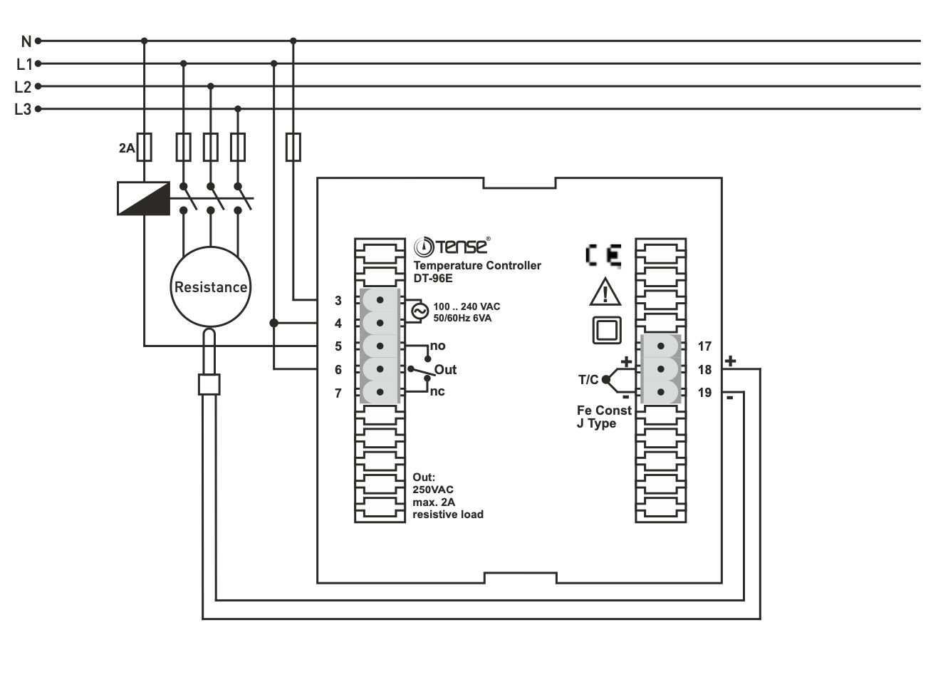
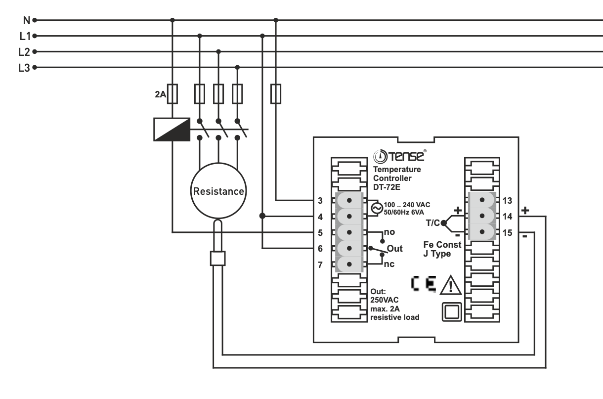
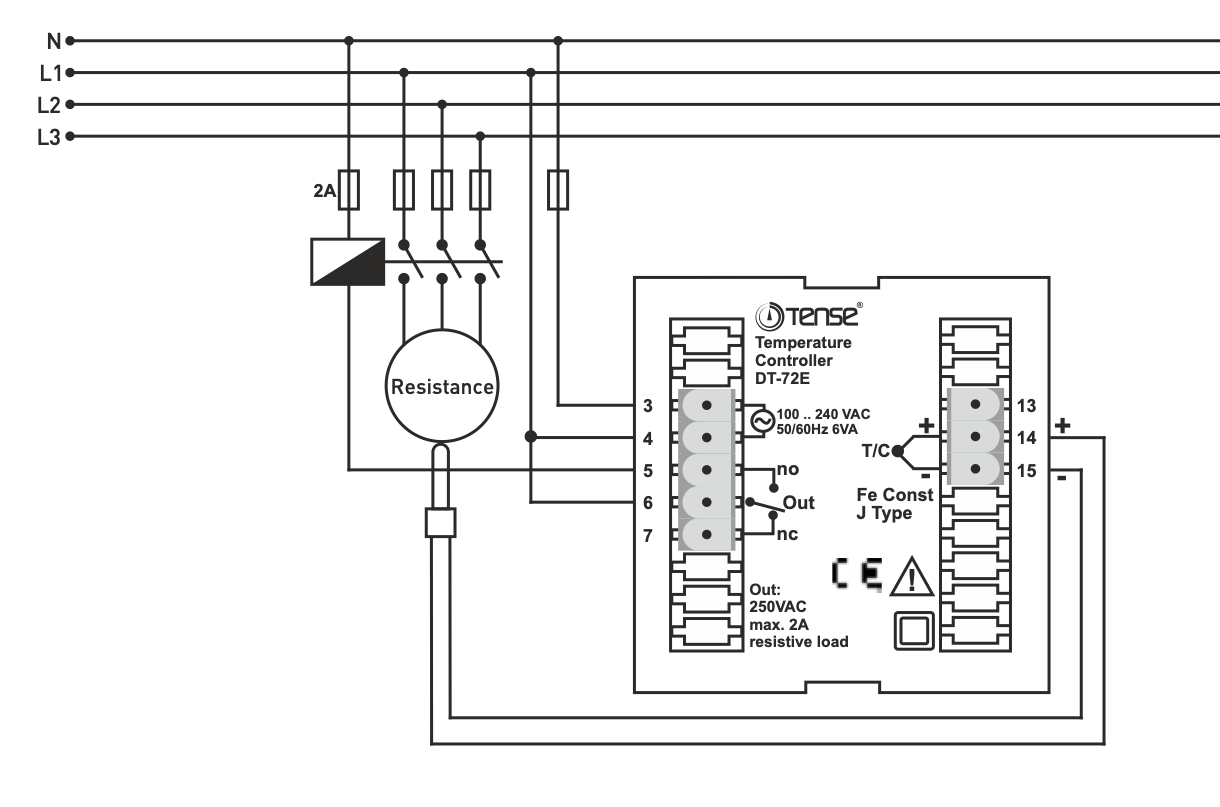
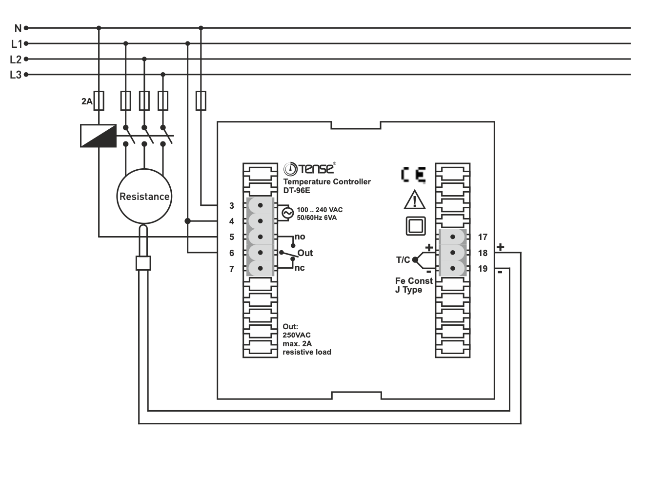
DT48-EM paneles hőmérséklet-szabályozó - ON/OFF
Termékleírás:
A DT48-EM egy egycsatornás panelhőmérséklet-szabályozó, amelyet fűtéshez terveztek, univerzális bemenettel. Pontos hőmérséklet-szabályozásra használható ipari alkalmazásokban, könnyűipari gépekben, élelmiszer-feldolgozásban, kemencékben és más olyan rendszerekben, ahol pontos fűtésszabályozásra van szükség.
Bemenetek:
-
Pt100 ellenállásérzékelő
-
J, K, T, T, R, S típusú termoelemek (T/C)
Kimenetek:
-
ellenállásos terheléshez SPDT relé 2A / 250VAC
-
Digitális kimenet 12VDC / 20mA SSR relék vezérléséhez
Méretek:
-
230VAC tápegység.
Funkciók és jellemzők
-
Vezérlés: PID és ON/OFF, opcionálisan P, PI, PD
-
Ramp üzemmód: folyamatos hőmérséklet-emelkedés bekapcsoláskor
-
Anti-windup: védelem a szabályzókimenet növekedése ellen PID/PI esetén
-
Felső és alsó határ: a kívánt SET-hőmérséklet beállításához.
-
Kétsoros kijelző: Sv (beállított érték) és Pv (tényleges érték)
-
Kompenzáció: hidegcsatlakozás T/C esetén, vezetékellenállás Pt100 esetén
-
Lineáris átalakítás: °C/mV és °C/Ohm táblázatok
-
Offset: az értékek eltolása a teljes tartományban
-
Jelszóvédelem: megakadályozza a beállítások nem kívánt módosítását
-
EEPROM memória: a beállításokat a tápfeszültség levétele után is megőrzi.
-
Egyszerű csatlakoztatás: 5,08 mm-es dugaszolható csatlakozók
Mérési tartományok az érzékelő típusának megfelelően
| Távolság (°C) | Érzékelő típusa | Kód INPt | |
|---|---|---|---|
| -100 ... 600 | TLC, J típus T/C | J | |
| -100 ... 1300 | TXA, K típus T/C | K | |
| -100 ... 400 | TMKn, T/C | T | típus T |
| 0 ... 1750 | S típus T/C TPP | S | |
| 0 ... 1750 | TPP, R típus T/C | R | |
| -100 ... 600 | Pt100 | Pt | |
| -99,9 ... 600,0 | Pt100 | Pt.0 |
Megjegyzés:
Annak ellenére, hogy a szabályozó -20 °C alatti és +55 °C feletti hőmérsékletet is képes mérni, magát a készüléket -20 ... +55 °C hőmérsékletű környezetbe kell telepíteni, különben a műanyag ház deformálódása és a termosztát meghibásodása következhet be.
FIZETÉSI MÓDOK
Online bankkártyás fizetés – a rendelés befejezése után átirányításra kerül a fizetési felületre, a fizetés visszaigazolását e‑mailben kapja meg.
Utánvét – a fizetési előírásnak megfelelő összeget a futárnak fizeti ki.
Átutalás – e‑mailben legkésőbb a következő munkanapon előlegszámlát küldünk, amelyen megtalálja a bankszámlaszámot, amelyet az utalásnál kell feltüntetni.
Számlára történő fizetés – ezt a fizetési lehetőséget azon partnereink vehetik igénybe, akik cégünkkel keretszerződést kötöttek.
Ha az utolsó két lehetőséget szeretné igénybe venni, kérjük, vegye fel a kapcsolatot menedzserünkkel, aki útmutatást ad, hogyan kaphat ÁFÁ‑s vagy ÁFA‑mentes számlát.
SZÁLLÍTÁSI MÓDOK ÉS KÖLTSÉGEK
- GLS házhozszállítás: 4 500 Ft
- Packeta házhozszállítás: 4 500 Ft
Az általunk szállított villamos berendezések magas minőségi szabványoknak felelnek meg, 24 hónap garanciával rendelkeznek, és megfelelnek minden EU‑előírásnak.
Ezenfelül 39 000 HUF feletti rendelés esetén ingyenes szállítást kínálunk, rugalmas kedvezmény‑ és akciós rendszert.
Munkatársaink műszaki ismeretei és tapasztalatai lehetővé teszik számunkra, hogy magas színvonalú tanácsadást nyújtsunk, illetve szükség esetén alternatív elektrotermékeket ajánljunk.
Az általunk forgalmazott elektromos berendezések magas minőségi szabványoknak felelnek meg, 24 hónapos garanciával rendelkeznek, és megfelelnek az EU előírásainak.
Reklamáció esetén az áru visszaküldése díjmentes.
