
Értesítést kérek e‑mailben, ha a termék újra elérhető
Előrendelhető termék
- Leírás
- Használati útmutató
- Fizetési módok
- Garancia
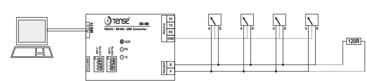
RS485/RS232-ről USB-re - USB-CON protokoll átalakító (TENSE, Törökország)
Az USB-CON egy kompakt átalakító/átjáró, amelyet RS485/RS232 (MODBUS) eszközök USB porton keresztül történő számítógéphez való csatlakoztatására terveztek. Lehetővé teszi a teljesítménymérők, multiméterek, hálózati analizátorok és egyéb automatizálási berendezések gyors csatlakoztatását ipari és otthoni alkalmazásokban.
Jellemzők és előnyök
-
Közvetlen PC ↔ RS485/RS232 (MODBUS) kapcsolat
-
Nincs szükség külön tápegységre - az átalakítót USB-n keresztül táplálja a tápellátás
-
Kompakt méretek: 9 × 6 × 3 cm
-
Gyors csatlakoztatás a csatlakozólapon keresztül
-
1,2 m-es USB-kábel tartozék
-
Legfeljebb 256 eszköz támogatása az RS485 buszon
-
A tápellátás és a kommunikáció LED-es jelzése
-
Magas bitsebesség akár 203 400 bps-ig
-
Galvanikusan szigetelt bemenetek és kimenetek
-
Széles hőmérséklet-tartomány: -20...+55 °C
-
Ingyenes szoftver a konfigurációhoz és a diagnosztikához
Műszaki paraméterek
-
Interfész: USB ↔ RS485 / RS232
-
Protokoll: ModBus (RTU/ASCII)
-
Tápellátás: USB-portról
-
Maximális kommunikációs sebesség: 203 400 bit/s
-
Eszközök maximális száma az RS485 buszon: 256
-
Jelzés: LED - tápellátás / adat
-
Méretek: 90 × 60 × 30 mm
-
Üzemi hőmérséklet: -20...+55 °C
FIZETÉSI MÓDOK
Online bankkártyás fizetés – a rendelés befejezése után átirányításra kerül a fizetési felületre, a fizetés visszaigazolását e‑mailben kapja meg.
Utánvét – a fizetési előírásnak megfelelő összeget a futárnak fizeti ki.
Átutalás – e‑mailben legkésőbb a következő munkanapon előlegszámlát küldünk, amelyen megtalálja a bankszámlaszámot, amelyet az utalásnál kell feltüntetni.
Számlára történő fizetés – ezt a fizetési lehetőséget azon partnereink vehetik igénybe, akik cégünkkel keretszerződést kötöttek.
Ha az utolsó két lehetőséget szeretné igénybe venni, kérjük, vegye fel a kapcsolatot menedzserünkkel, aki útmutatást ad, hogyan kaphat ÁFÁ‑s vagy ÁFA‑mentes számlát.
SZÁLLÍTÁSI MÓDOK ÉS KÖLTSÉGEK
- GLS házhozszállítás: 4 500 Ft
- Packeta házhozszállítás: 4 500 Ft
Az általunk szállított villamos berendezések magas minőségi szabványoknak felelnek meg, 24 hónap garanciával rendelkeznek, és megfelelnek minden EU‑előírásnak.
Ezenfelül 39 000 HUF feletti rendelés esetén ingyenes szállítást kínálunk, rugalmas kedvezmény‑ és akciós rendszert.
Munkatársaink műszaki ismeretei és tapasztalatai lehetővé teszik számunkra, hogy magas színvonalú tanácsadást nyújtsunk, illetve szükség esetén alternatív elektrotermékeket ajánljunk.
Az általunk forgalmazott elektromos berendezések magas minőségi szabványoknak felelnek meg, 24 hónapos garanciával rendelkeznek, és megfelelnek az EU előírásainak.
Reklamáció esetén az áru visszaküldése díjmentes.
