
Értesítést kérek e‑mailben, ha a termék újra elérhető
Előrendelhető termék
- Leírás
- Használati útmutató
- Fizetési módok
- Garancia
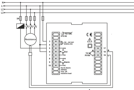
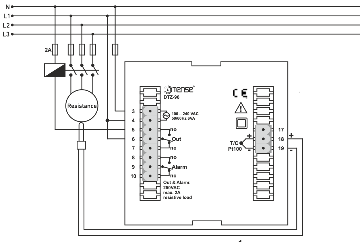
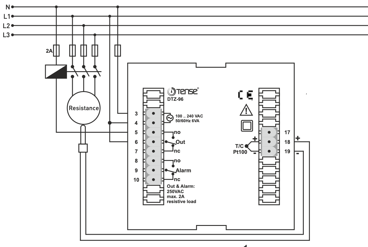
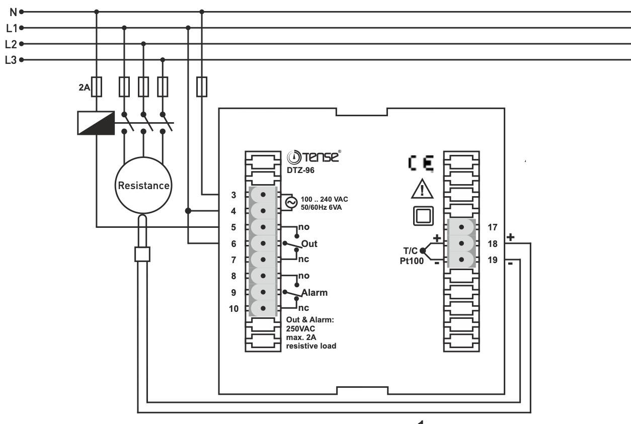
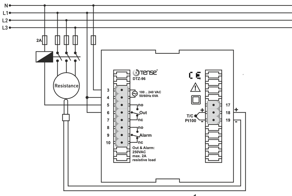
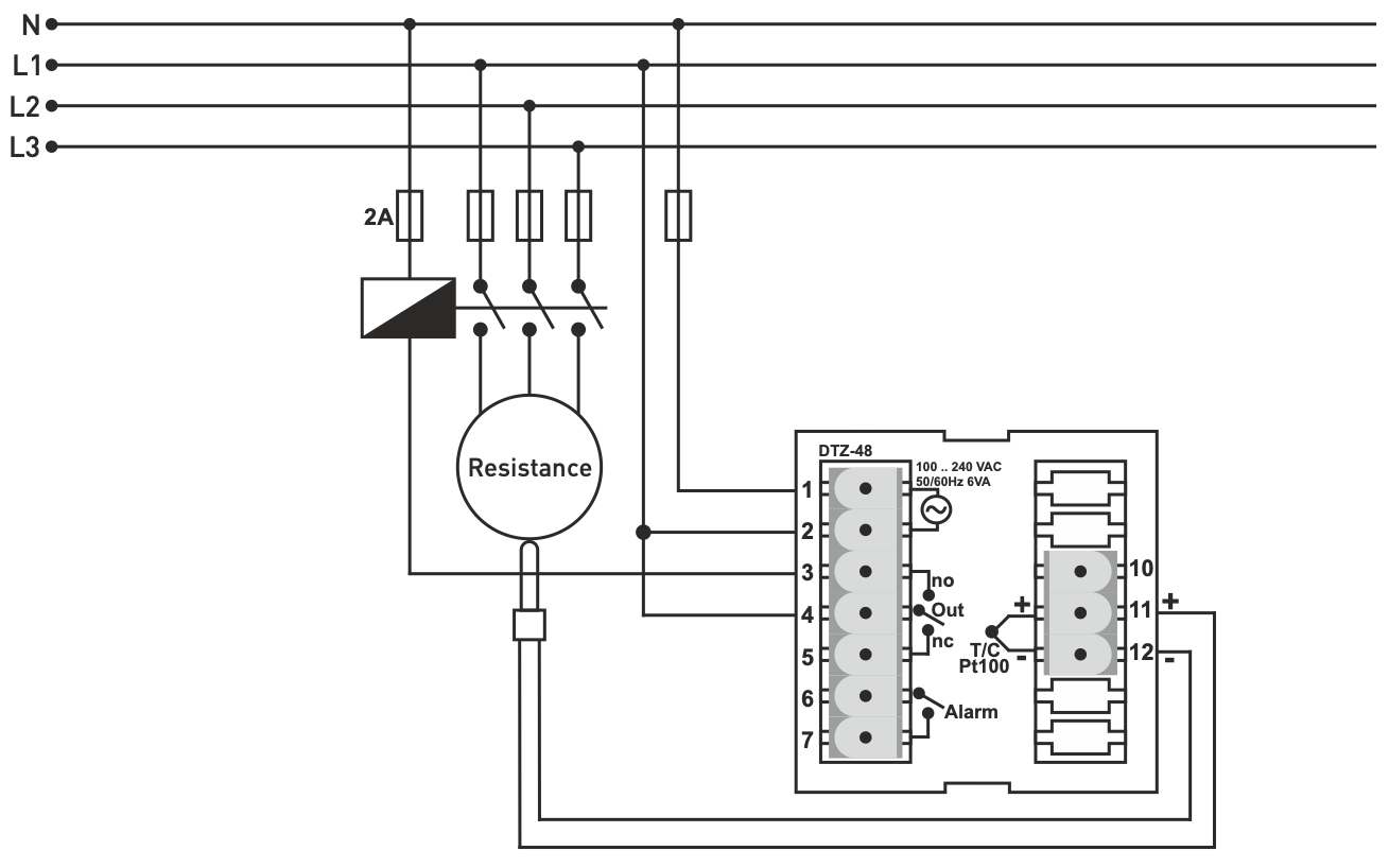
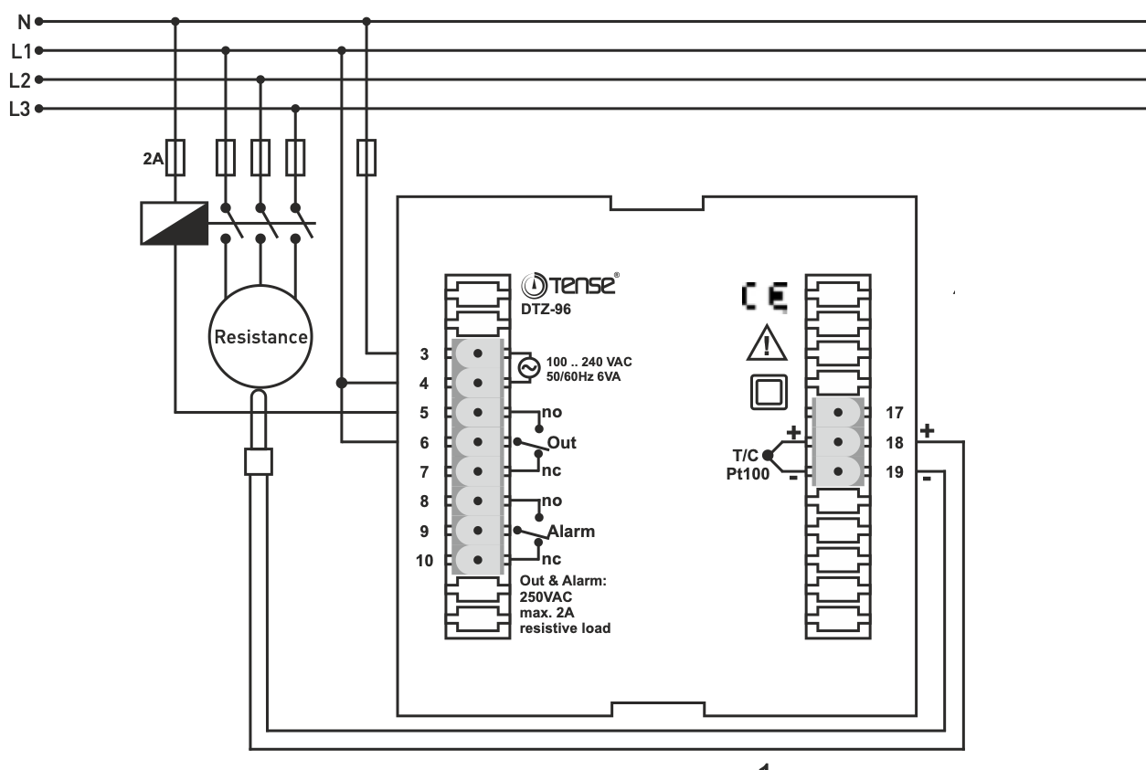
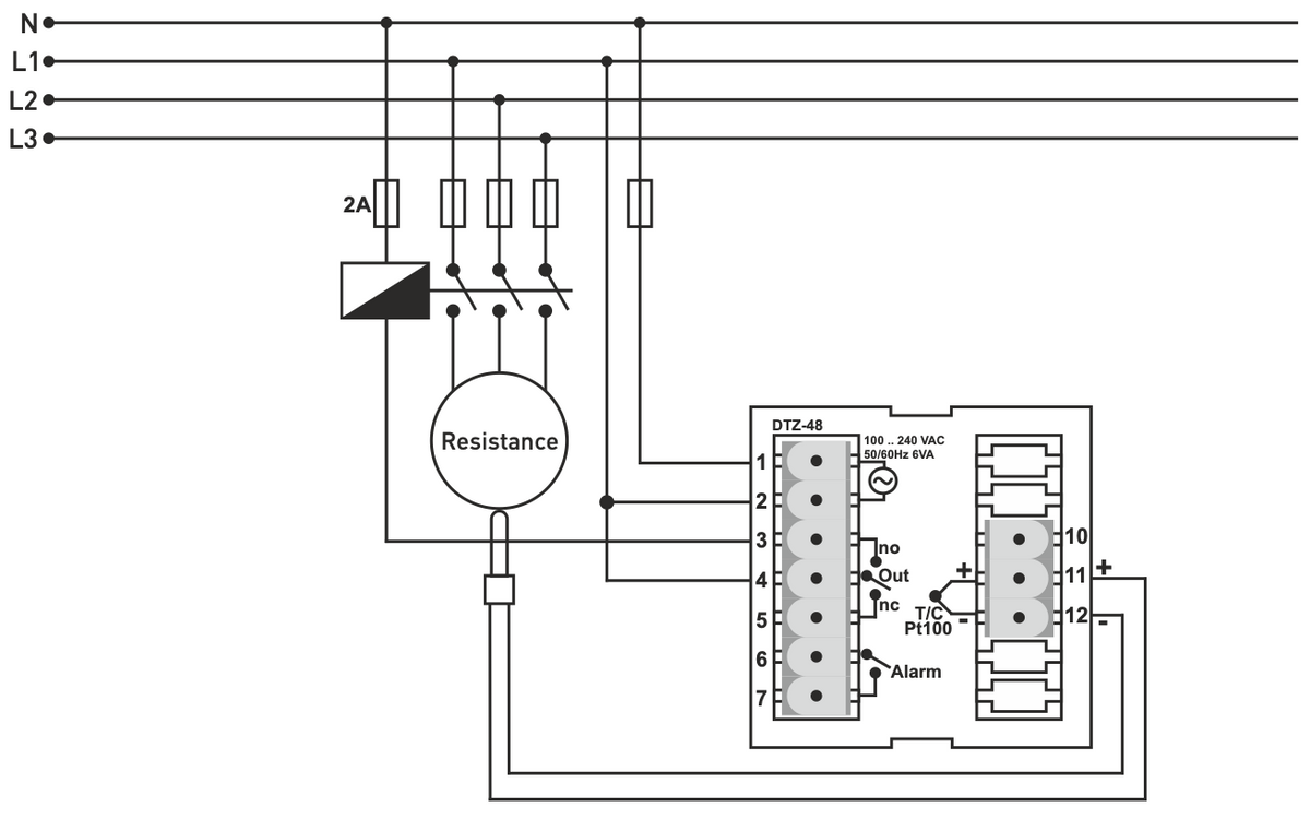
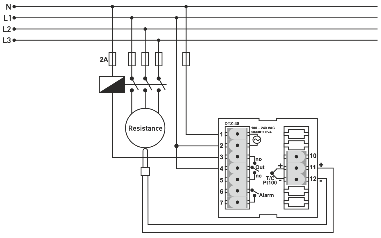
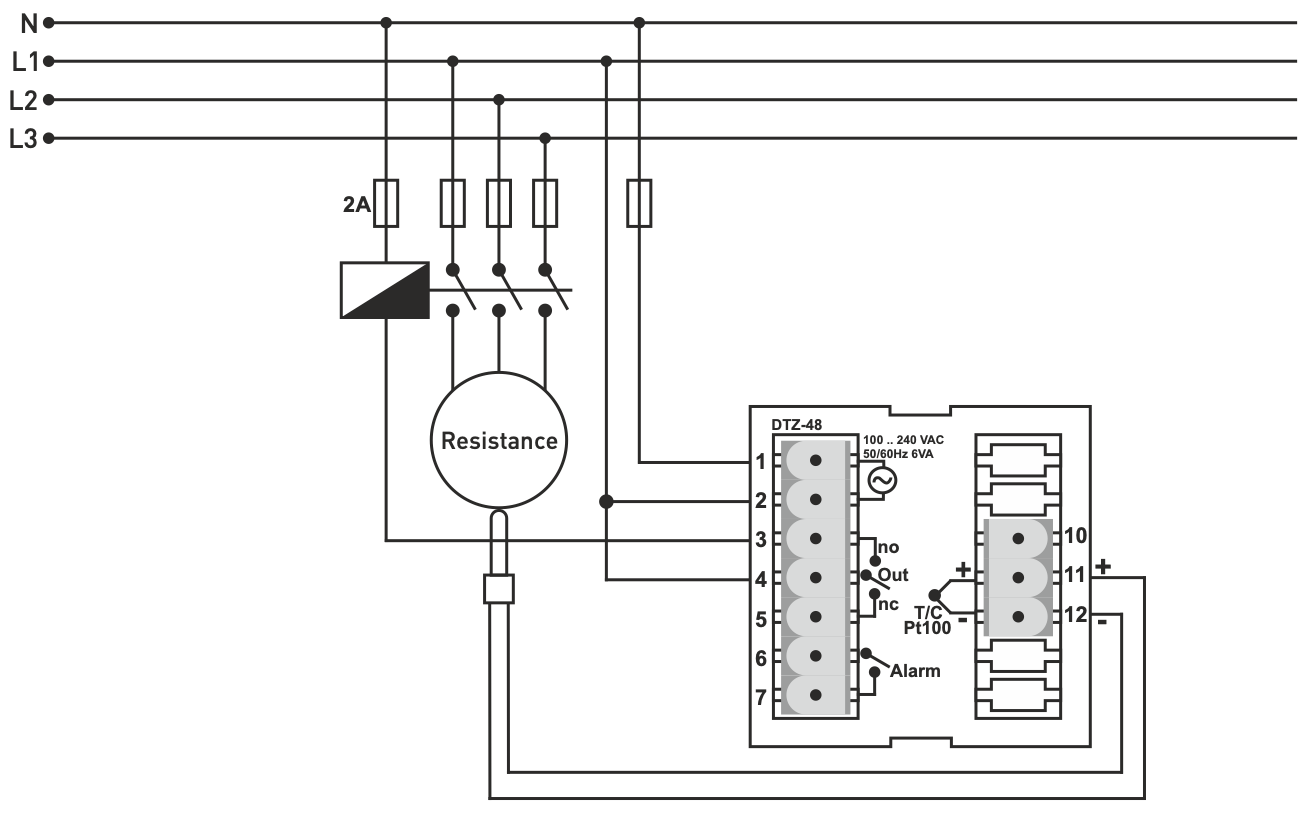
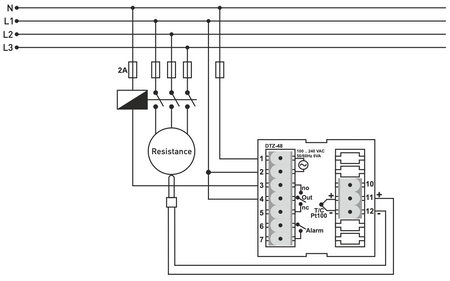
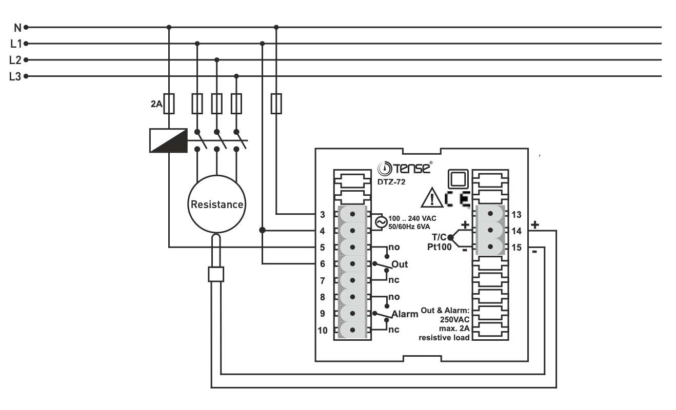
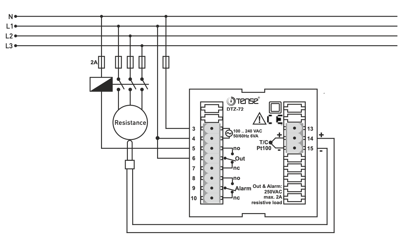
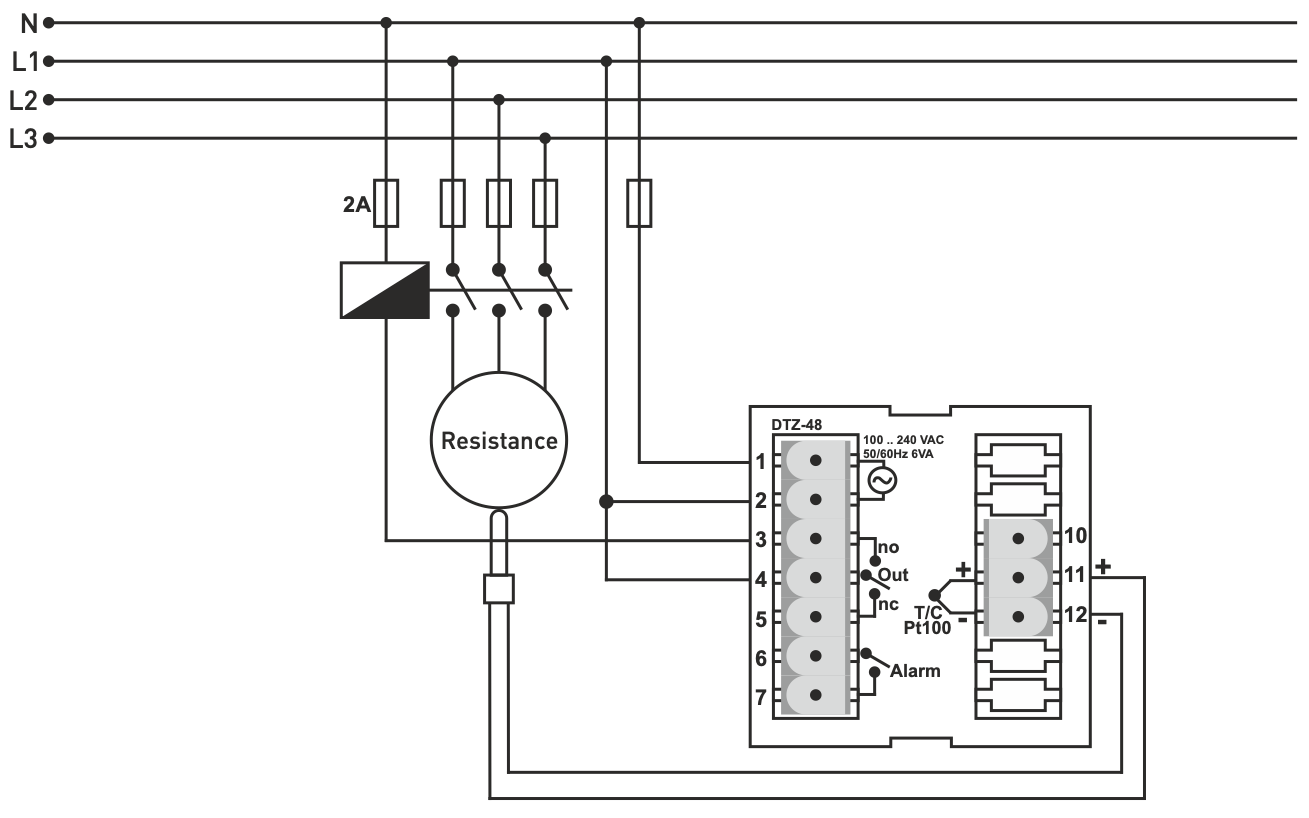
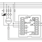
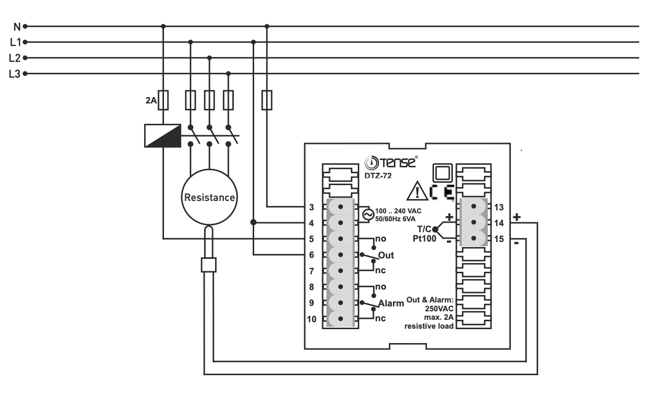
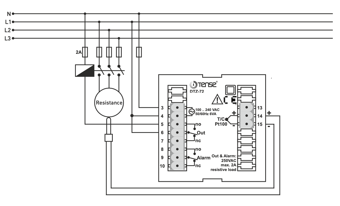
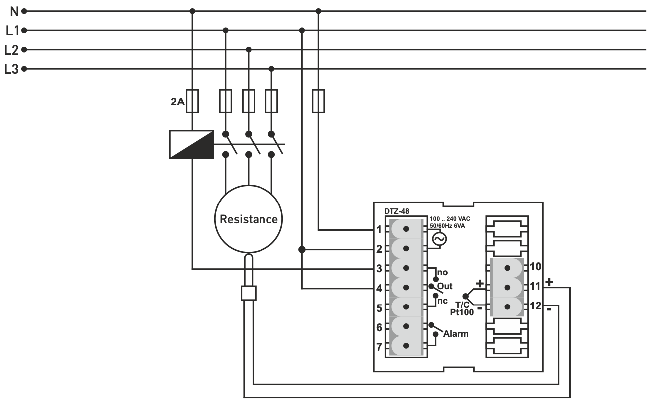
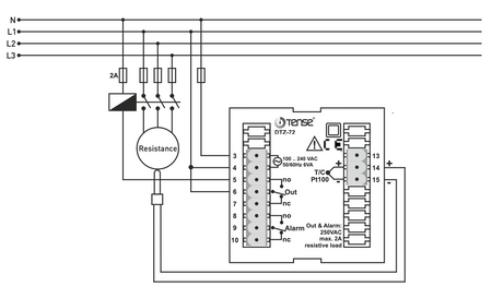
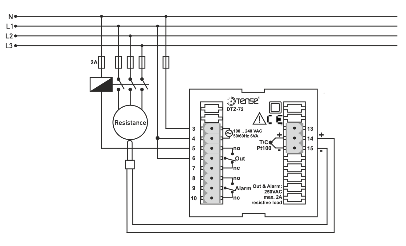
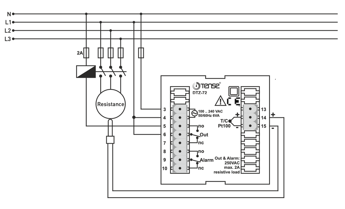
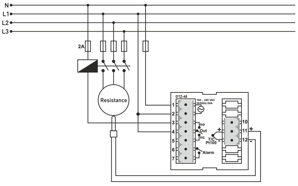
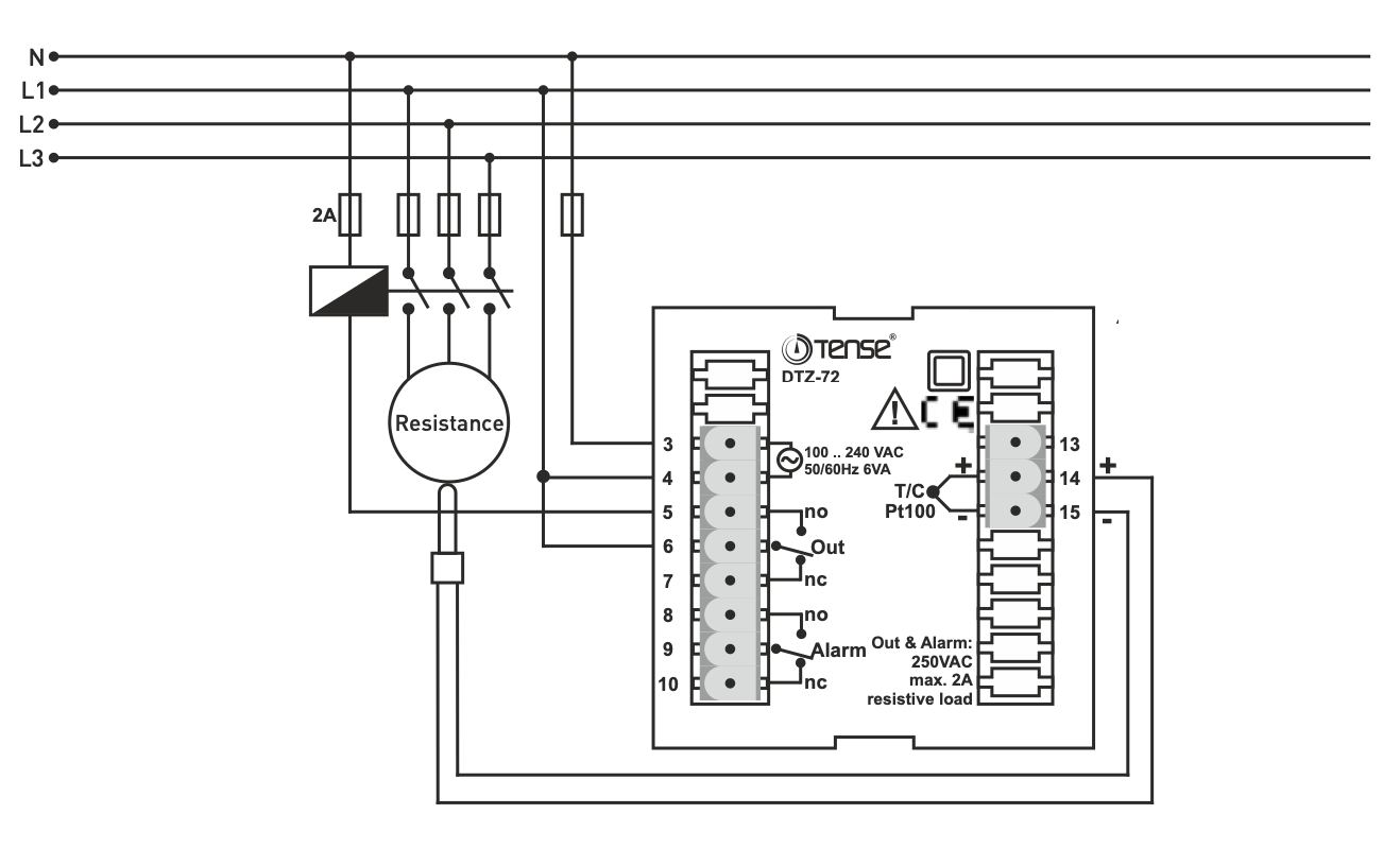
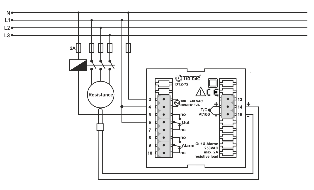
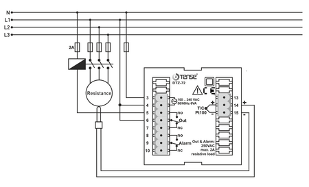
PID paneles hőmérséklet-szabályozó - TENSE DTZ-48
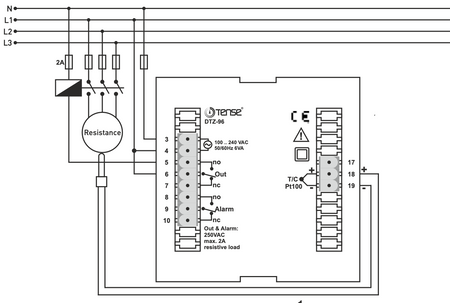
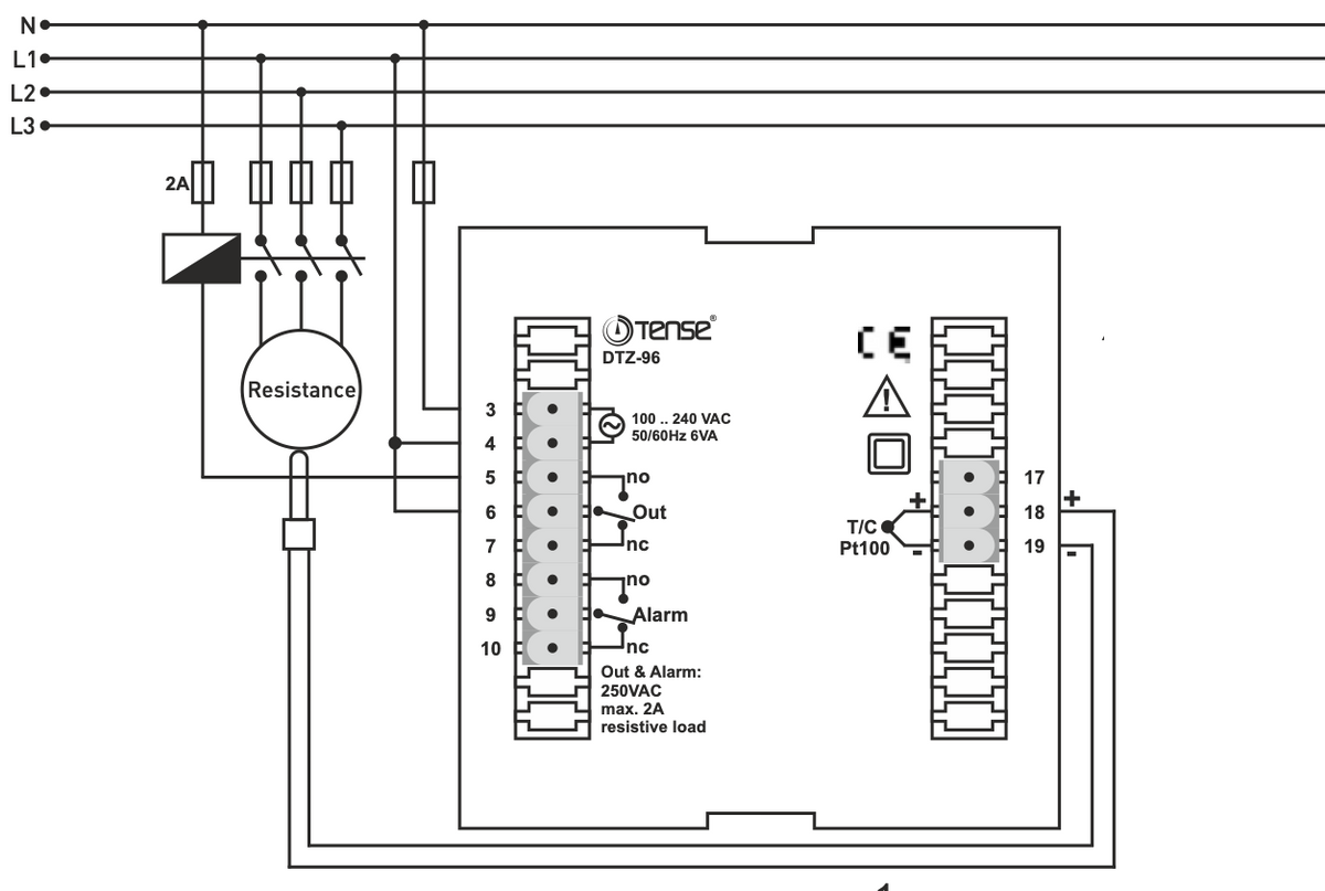
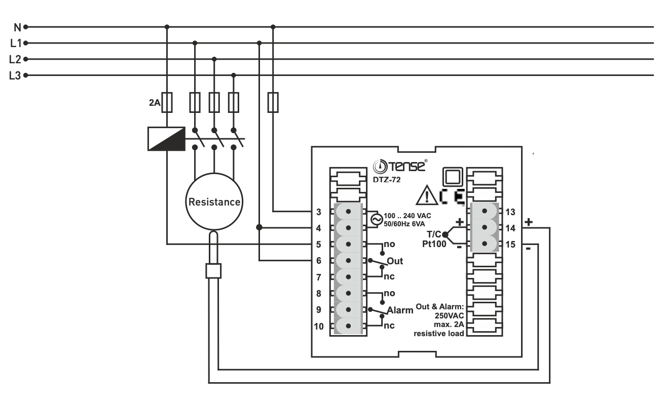
ADTZ-48 egy beépített időzítővel ellátott panel hőmérséklet-szabályozó, amelyet az iparban, fűtésben, légkondicionálásban, szellőztető rendszerekben és épületautomatizálásban alkalmazott hőtechnikai folyamatok pontos szabályozására terveztek.
A szabályozás vagy klasszikus ON/OFF üzemmóddal, vagy fejlett PID-szabályozással történik önoptimalizálással és folyamatérték-túllépés korlátozással.
Főbb jellemzők
-
Hőmérséklet-mérési tartomány: -100 °C-tól +1750 °C-ig (az érzékelő típusától függően)
-
Érzékelő típusa: T/C termoelemek (J, K, T, S, R) vagy Pt100 ellenállásos érzékelő
-
Szabályozás típusa: P, PI, PD, PID vagy ON-OFF
-
Beépített időzítő a folyamatszabályozáshoz
-
A PID paraméterek automatikus hangolása
-
Anti-windup - megakadályozza, hogy a vezérlés kimenete telítés közben megemelkedjen
-
Kimenet bekapcsolási késleltetés hűtési üzemmódban
-
Jelszóvédelem
-
EEPROM memória a beállítások tárolására
-
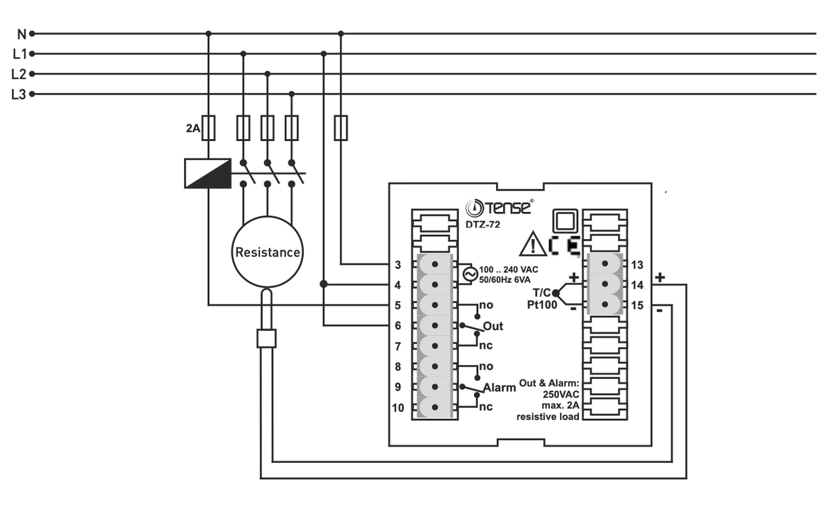
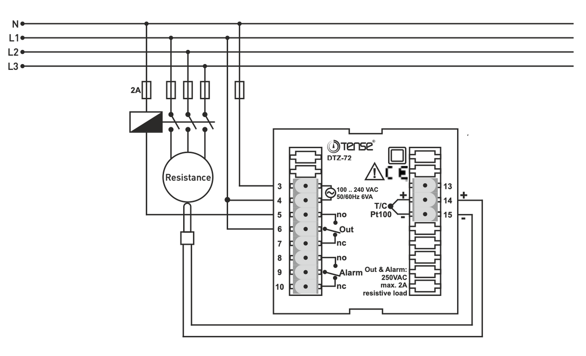
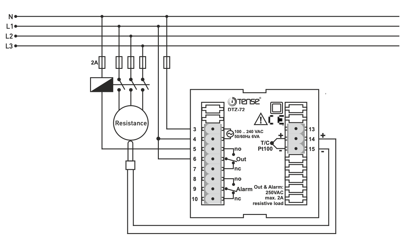
Vezérlő kimenet: relé OUT (NO+NC) 250 VAC, 2A
-
Riasztás kimenet: ALARM relé (NO+NC) 250 VAC, 2A, aktív, ha az értéket meghaladja vagy alulmúlja (csak a DTZ-48-nál van bekapcsolva).
-
Kijelző: Nagy kontrasztú, gyenge fényviszonyok között is könnyen leolvasható
Funkciók
-
Pontos hőmérséklet-szabályozás érzékelőspecifikus mérési tartománybeállítással
-
A vezérlő lehetővé teszi a beállított és az aktuális érték egyidejű megjelenítését
-
Beépített időzítő lehetővé teszi a fűtési vagy hűtési folyamatok ütemezését
-
Riasztási relé figyelmeztet az érték túllépésekor vagy el nem érésekor
Ajánlott érzékelő
-
J Fe-Const típusú termoelem (6/8 méter)
-
Mérési skála: -100 °C-tól +600 °C-ig
-
Kábelhosszúságok: 1 m, 1,5 m, 2 m, 2,5 m, 3 m, 4 m és 5 m
Alkalmazás
-
Fűtés és hűtés szabályozása ipari kemencékben és sorokban
-
Gépek és berendezések hőmérséklet-szabályozása az élelmiszeriparban, a vegyiparban és a könnyűiparban.
-
Épületautomatizálás és légkondicionáló rendszerek
-
Olyan alkalmazások, ahol megbízható riasztási kimenetre van szükség
Letöltés a
FIZETÉSI MÓDOK
Online bankkártyás fizetés – a rendelés befejezése után átirányításra kerül a fizetési felületre, a fizetés visszaigazolását e‑mailben kapja meg.
Utánvét – a fizetési előírásnak megfelelő összeget a futárnak fizeti ki.
Átutalás – e‑mailben legkésőbb a következő munkanapon előlegszámlát küldünk, amelyen megtalálja a bankszámlaszámot, amelyet az utalásnál kell feltüntetni.
Számlára történő fizetés – ezt a fizetési lehetőséget azon partnereink vehetik igénybe, akik cégünkkel keretszerződést kötöttek.
Ha az utolsó két lehetőséget szeretné igénybe venni, kérjük, vegye fel a kapcsolatot menedzserünkkel, aki útmutatást ad, hogyan kaphat ÁFÁ‑s vagy ÁFA‑mentes számlát.
SZÁLLÍTÁSI MÓDOK ÉS KÖLTSÉGEK
- GLS házhozszállítás: 4 500 Ft
- Packeta házhozszállítás: 4 500 Ft
Az általunk szállított villamos berendezések magas minőségi szabványoknak felelnek meg, 24 hónap garanciával rendelkeznek, és megfelelnek minden EU‑előírásnak.
Ezenfelül 39 000 HUF feletti rendelés esetén ingyenes szállítást kínálunk, rugalmas kedvezmény‑ és akciós rendszert.
Munkatársaink műszaki ismeretei és tapasztalatai lehetővé teszik számunkra, hogy magas színvonalú tanácsadást nyújtsunk, illetve szükség esetén alternatív elektrotermékeket ajánljunk.
Az általunk forgalmazott elektromos berendezések magas minőségi szabványoknak felelnek meg, 24 hónapos garanciával rendelkeznek, és megfelelnek az EU előírásainak.
Reklamáció esetén az áru visszaküldése díjmentes.
