
Értesítést kérek e‑mailben, ha a termék újra elérhető
- Leírás
- Használati útmutató
- Fizetési módok
- Garancia
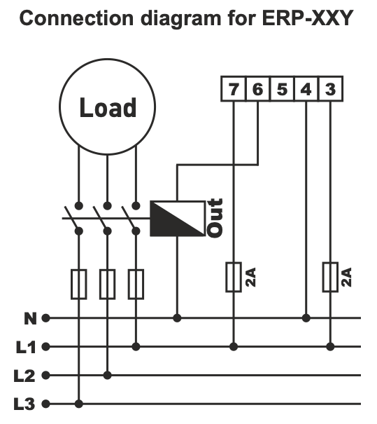
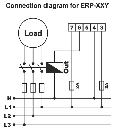
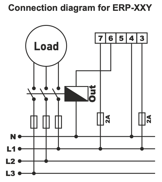
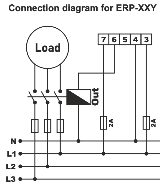
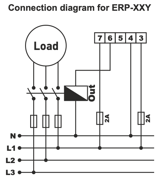
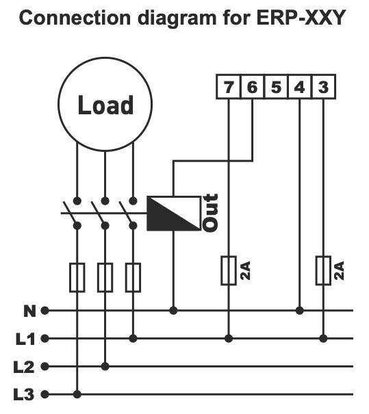
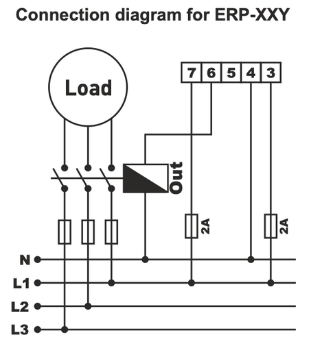
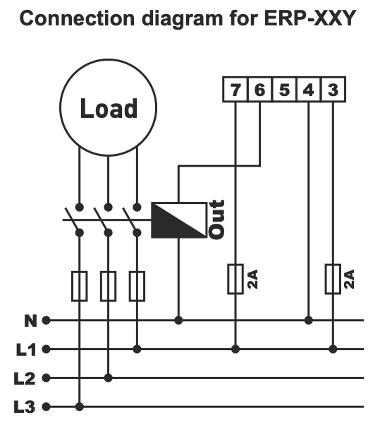
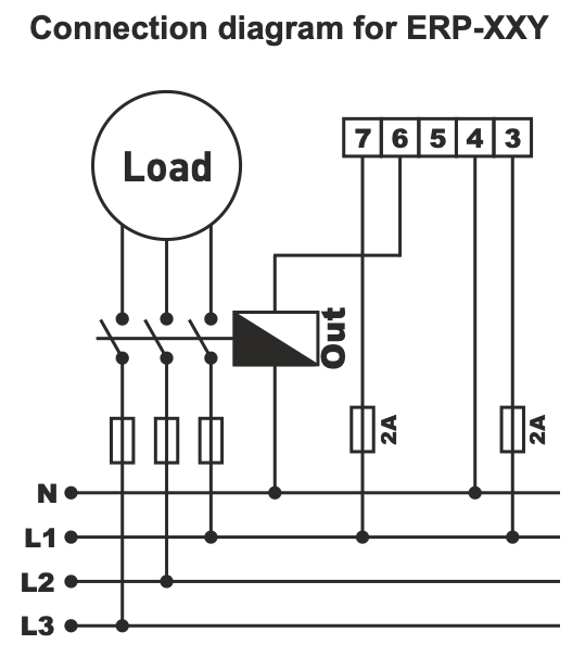
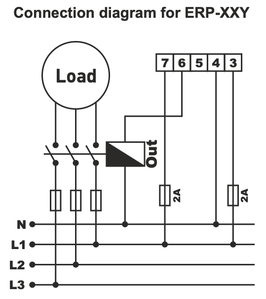
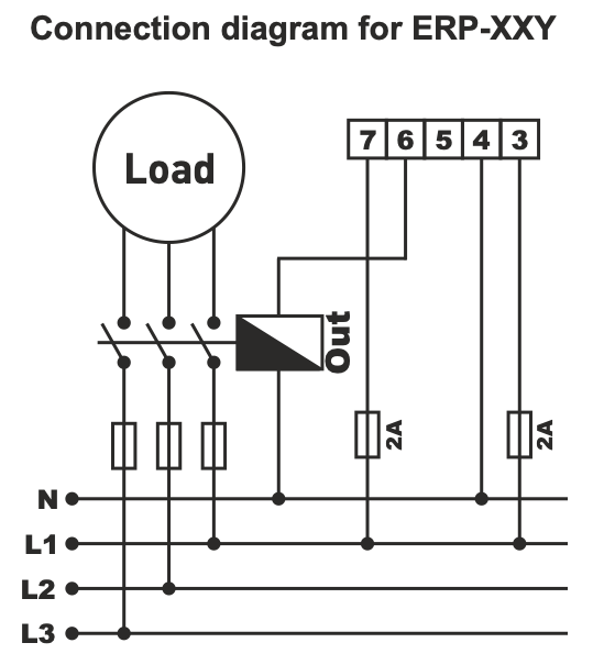
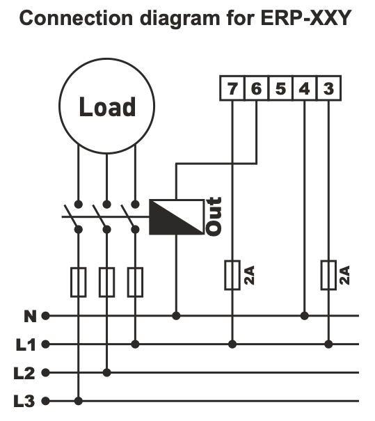
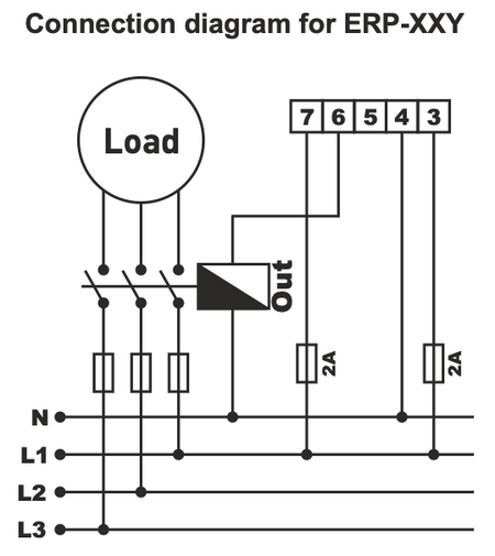
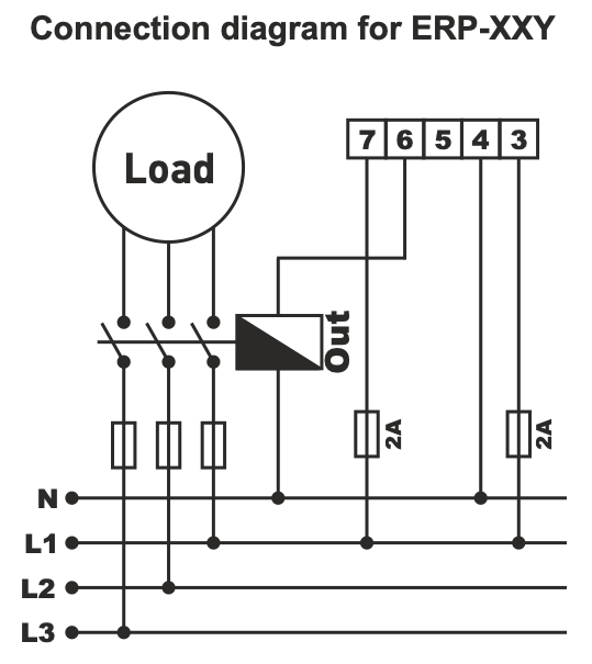
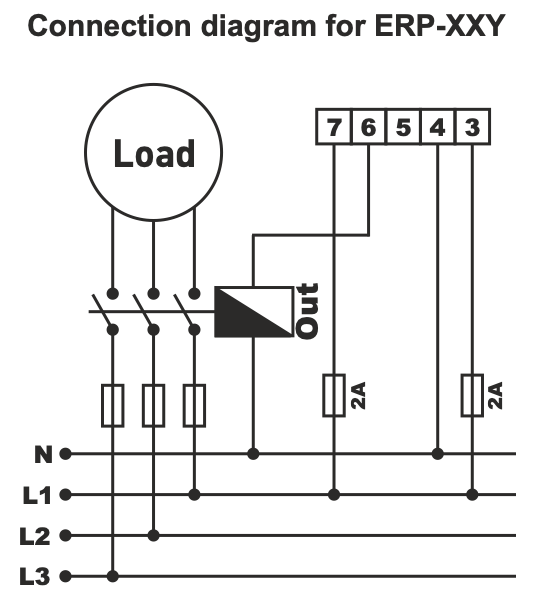
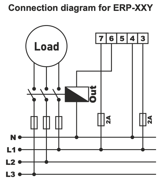
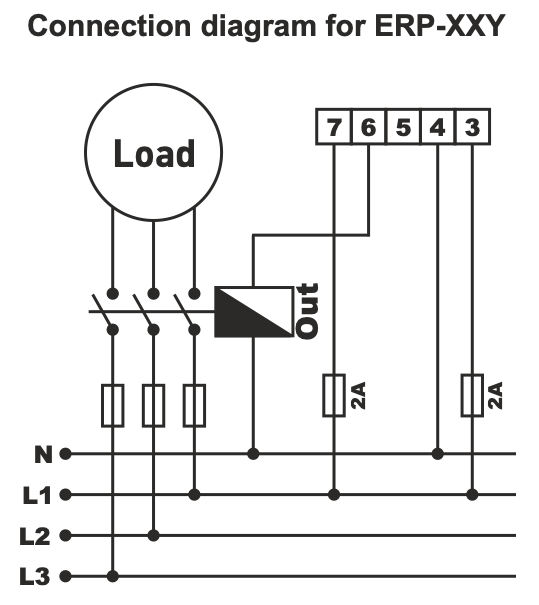
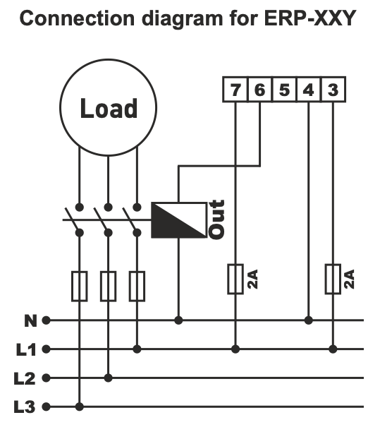
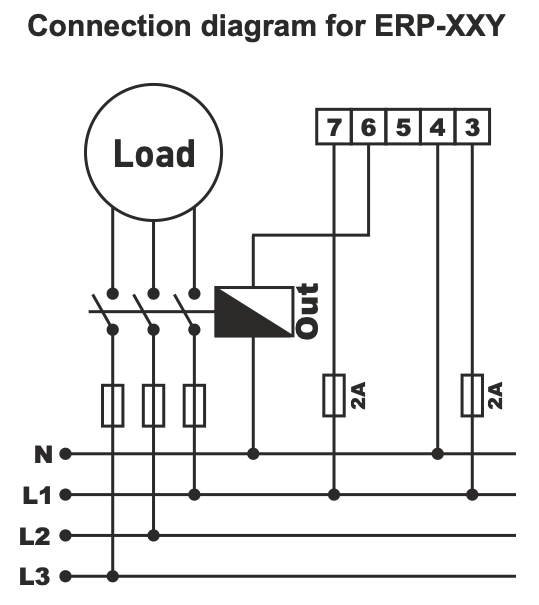
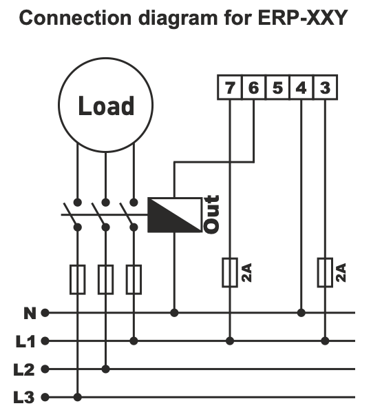
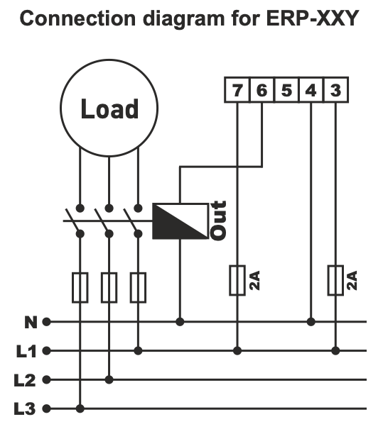
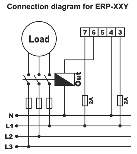
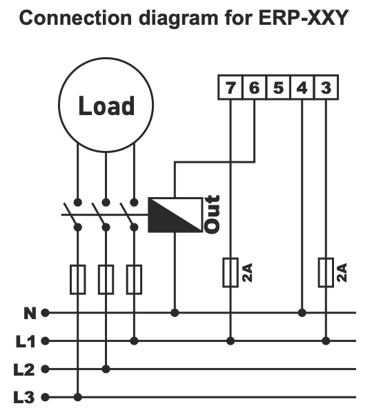
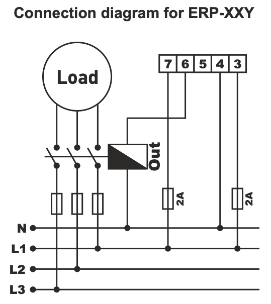
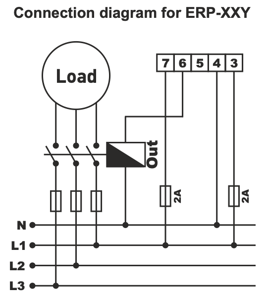
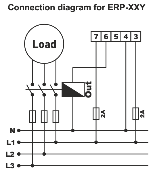
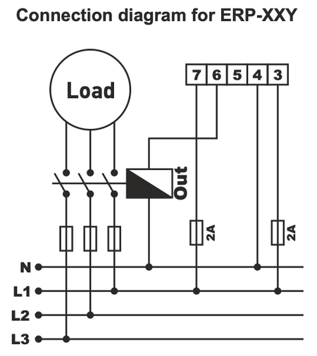
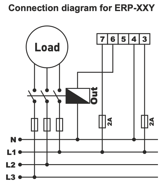
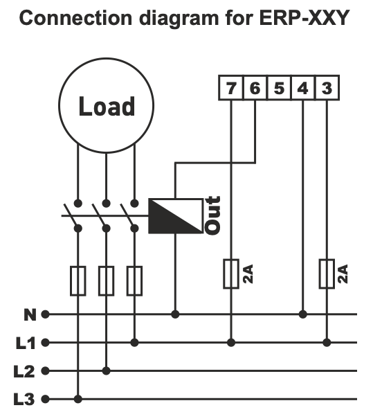
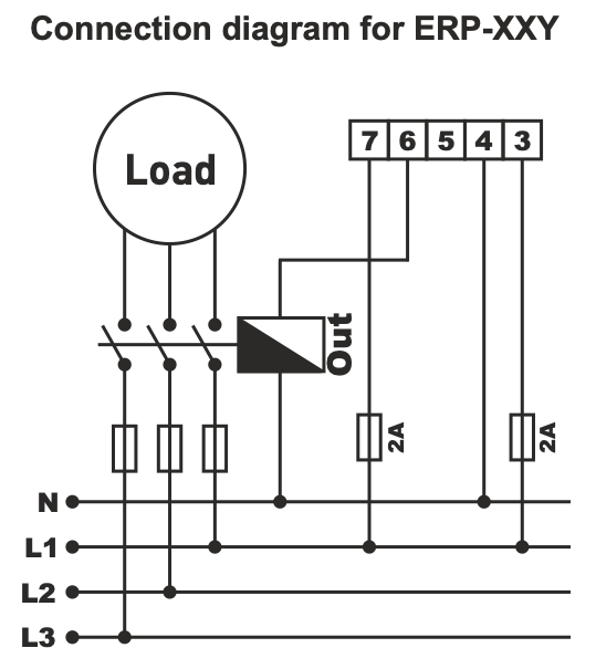
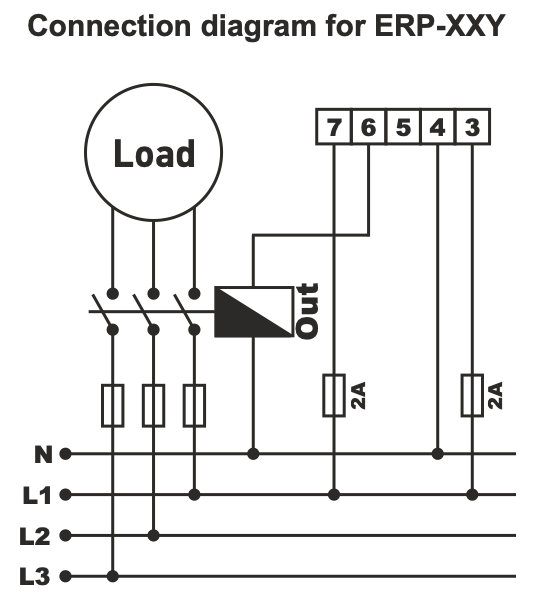
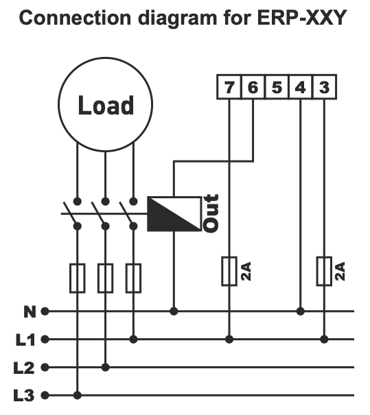
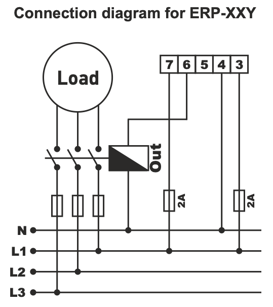
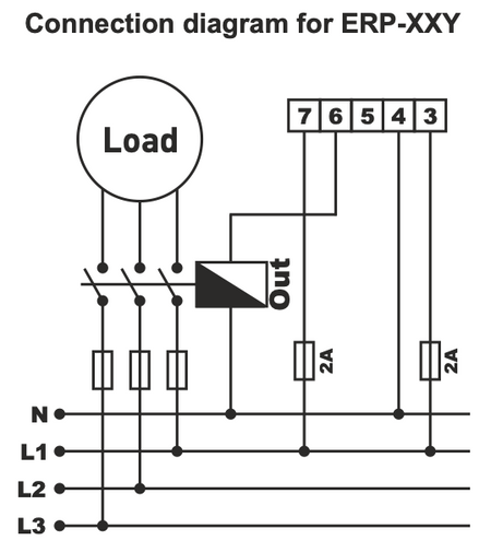
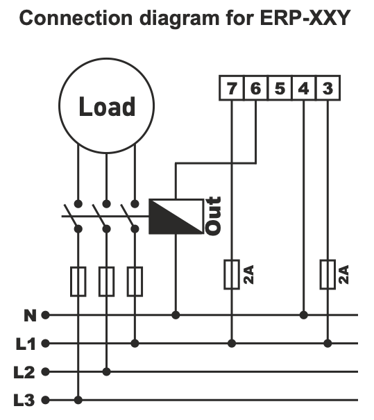
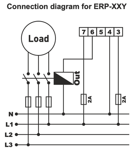
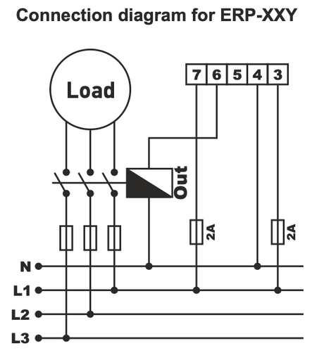
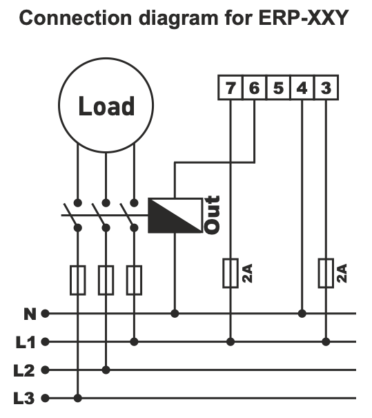
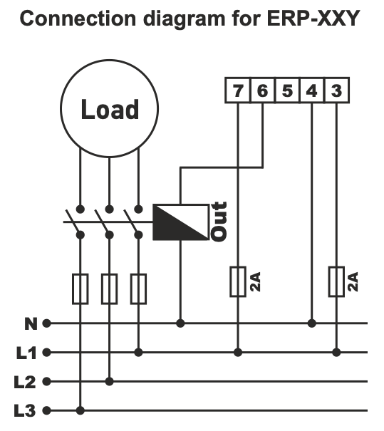
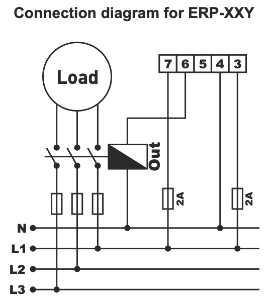
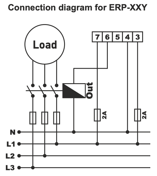
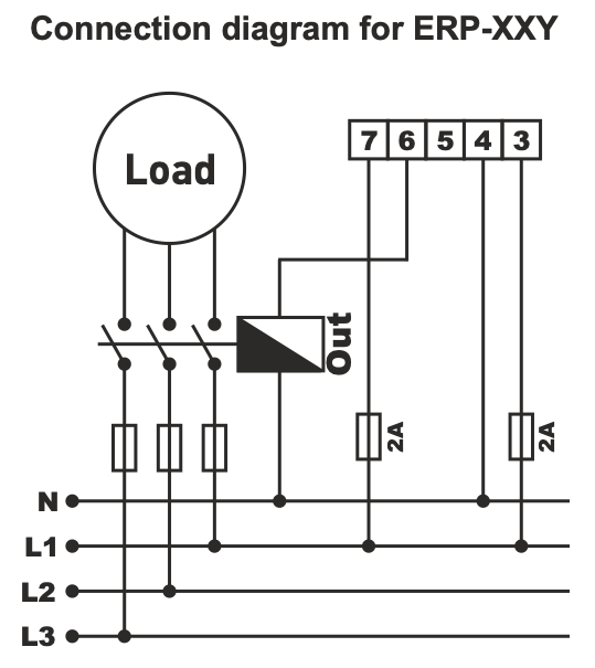
Időrelé ON-DELAY ERP (TENSE)
Leírás:
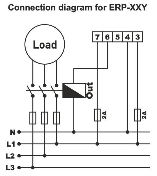
ON-DELAY időkésleltető beépített monofunkciós 230 V/AC relé egy kapcsolóérintkezővel. A relét olyan terhelések, mint például elektromos kazánok, kemencék, fűtőtestek szekvenciális kapcsolására használják, és megakadályozza a hálózatban az áramlökéses túlfeszültségeket, amelyek nagy túlfeszültségek esetén a megszakítók kioldását okozhatják. Arra is használható, hogy összehangolja több eszköz bekapcsolási idejét gépekben, készülékekben vagy egyéb berendezésekben.
Műszaki paraméterek:
-
Tápellátás: 230 V AC.
-
Kimenet: 1 × kapcsolóérintkező (SPDT)
-
Beépítés: 8 tűs, 1/16 DIN (48 × 48 mm)
|
ERP-03Y: 0-3 s |
0-3 s |
|
ERP-12Y |
0-12 s |
|
ERP-30Y |
0-30 s |
|
ERP-60Y |
0-60 s |
|
ERP-12DY |
0-12 perc |
|
ERP-03DY |
0-3 perc |
|
ERP-30DY |
0-30 perc |
|
ERP-60DY |
0-60 perc |
Használat:
-
Terhelések fokozatos kapcsolása (elektromos kazánok, kemencék, fűtőtestek).
-
Védelem hálózati túlfeszültségek ellen
-
Több készülék kapcsolásának koordinálása
Előnyök:
-
Megbízható és pontos időrelé
-
Könnyű szerelés DIN-sínre
-
Univerzális használat ipari és háztartási alkalmazásokban
Kategória: Ipari relék, Automatizálás, Időrelék
Letöltés a
FIZETÉSI MÓDOK
Online bankkártyás fizetés – a rendelés befejezése után átirányításra kerül a fizetési felületre, a fizetés visszaigazolását e‑mailben kapja meg.
Utánvét – a fizetési előírásnak megfelelő összeget a futárnak fizeti ki.
Átutalás – e‑mailben legkésőbb a következő munkanapon előlegszámlát küldünk, amelyen megtalálja a bankszámlaszámot, amelyet az utalásnál kell feltüntetni.
Számlára történő fizetés – ezt a fizetési lehetőséget azon partnereink vehetik igénybe, akik cégünkkel keretszerződést kötöttek.
Ha az utolsó két lehetőséget szeretné igénybe venni, kérjük, vegye fel a kapcsolatot menedzserünkkel, aki útmutatást ad, hogyan kaphat ÁFÁ‑s vagy ÁFA‑mentes számlát.
SZÁLLÍTÁSI MÓDOK ÉS KÖLTSÉGEK
- GLS házhozszállítás: 4 500 Ft
- Packeta házhozszállítás: 4 500 Ft
Az általunk szállított villamos berendezések magas minőségi szabványoknak felelnek meg, 24 hónap garanciával rendelkeznek, és megfelelnek minden EU‑előírásnak.
Ezenfelül 39 000 HUF feletti rendelés esetén ingyenes szállítást kínálunk, rugalmas kedvezmény‑ és akciós rendszert.
Munkatársaink műszaki ismeretei és tapasztalatai lehetővé teszik számunkra, hogy magas színvonalú tanácsadást nyújtsunk, illetve szükség esetén alternatív elektrotermékeket ajánljunk.
Az általunk forgalmazott elektromos berendezések magas minőségi szabványoknak felelnek meg, 24 hónapos garanciával rendelkeznek, és megfelelnek az EU előírásainak.
Reklamáció esetén az áru visszaküldése díjmentes.
