
Értesítést kérek e‑mailben, ha a termék újra elérhető
- Leírás
- Használati útmutató
- Fizetési módok
- Garancia
Időrelék ERD-96 ERD-48, ERD-72 - TENSE
Késleltetett időzítő / ciklikus impulzus relé / szimmetrikus és aszimmetrikus impulzusgenerátor
Az ERD-96 ERD-48, ERD-72 időzítő relé az automatizálási és vezérlőrendszerek (ACS) különböző folyamatainak vezérlésére szolgáló időkésleltetés létrehozására vagy ciklikus impulzusok generálására szolgál.
Különösen alkalmas:
-
Váltakozó áramú rendszerek,
-
úszómedencék és technológia vezérlése,
-
vészhelyzeti és biztonsági rendszerek,
-
általános automatizálás és szekvenciális üzemirányítás.
Főbb jellemzők
-
Két alapfunkció
-
Késleltetett időzítő
-
Ciklikus relé (impulzusgenerátor - szimmetrikus/aszimmetrikus impulzusok)
-
-
Széles időtartomány:
0,1 s-tól 999 percig. -
Visszaszámlálás - a hátralévő idő digitális kijelzése (hűtési idő)
-
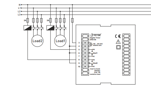
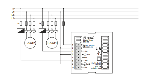
Egyszerű csatlakoztatás a csatlakozólapon keresztül
-
Univerzális használatra alkalmas váltakozó áramú hálózatokban 100...240 V
Műszaki adatok
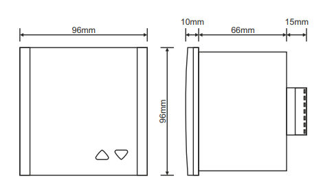
Mechanikai és kijelzési paraméterek
-
Kijelző: 3 számjegyű, 7 szegmensből álló LED-kijelző
Funkciók
-
Azonnali kimenet indítás után (Out2)
-
Késleltetett kimenet indítás után (Out1)
Bemenetek
-
START bemenet: érintkezők 11-12
-
100...240 V AC, 50/60 Hz
-
Fogyasztás max. 3 mA
Időzítés
-
-
Tartományok:
-
99,9 s
-
999 s
-
99,9 perc
-
999 perc
(opcionális)
-
-
Felbontás:
-
0,1 s / 1 s / 0,1 perc / 1 perc
-
-
Pontosság: a beállított érték ±1,5%-a
Kimenetek
-
Out1 - Késleltetett kimenet:
-
NO-O-NC relé
-
250 V AC, 2 A (ellenállásos terhelés)
-
-
Out2 - Azonnali kimenet:
-
NO-O relé
-
250 V AC, 2 A (ellenállásos terhelés)
-
Tápegység
-
Tápfeszültség: 100...240 V AC, 50/60 Hz
-
Teljesítményfelvétel: < 5 VA
Környezeti feltételek
-
Üzemi hőmérséklet: -20 °C és +55 °C között
-
Működési magasság: 2000 m-ig
Letöltés a
FIZETÉSI MÓDOK
Online bankkártyás fizetés – a rendelés befejezése után átirányításra kerül a fizetési felületre, a fizetés visszaigazolását e‑mailben kapja meg.
Utánvét – a fizetési előírásnak megfelelő összeget a futárnak fizeti ki.
Átutalás – e‑mailben legkésőbb a következő munkanapon előlegszámlát küldünk, amelyen megtalálja a bankszámlaszámot, amelyet az utalásnál kell feltüntetni.
Számlára történő fizetés – ezt a fizetési lehetőséget azon partnereink vehetik igénybe, akik cégünkkel keretszerződést kötöttek.
Ha az utolsó két lehetőséget szeretné igénybe venni, kérjük, vegye fel a kapcsolatot menedzserünkkel, aki útmutatást ad, hogyan kaphat ÁFÁ‑s vagy ÁFA‑mentes számlát.
SZÁLLÍTÁSI MÓDOK ÉS KÖLTSÉGEK
- GLS házhozszállítás: 4 500 Ft
- Packeta házhozszállítás: 4 500 Ft
Az általunk szállított villamos berendezések magas minőségi szabványoknak felelnek meg, 24 hónap garanciával rendelkeznek, és megfelelnek minden EU‑előírásnak.
Ezenfelül 39 000 HUF feletti rendelés esetén ingyenes szállítást kínálunk, rugalmas kedvezmény‑ és akciós rendszert.
Munkatársaink műszaki ismeretei és tapasztalatai lehetővé teszik számunkra, hogy magas színvonalú tanácsadást nyújtsunk, illetve szükség esetén alternatív elektrotermékeket ajánljunk.
Az általunk forgalmazott elektromos berendezések magas minőségi szabványoknak felelnek meg, 24 hónapos garanciával rendelkeznek, és megfelelnek az EU előírásainak.
Reklamáció esetén az áru visszaküldése díjmentes.
