
Értesítést kérek e‑mailben, ha a termék újra elérhető
Előrendelhető termék
- Leírás
- Használati útmutató
- Fizetési módok
- Garancia
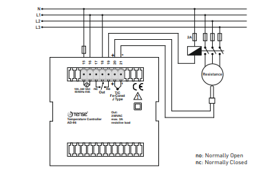
Termosztát / 2 pontos hőmérsékletszabályozó TENSE
Termékleírás: Termékek: A hőmérséklet-szabályozó és a hőmérséklet-szabályozó rendszer a hőmérséklet-szabályozó és a hőmérséklet-szabályozó rendszerekhez tartozik:
A hőmérséklet-szabályozót a hőmérsékleti folyamatok ON/OFF (bekapcsolás/kikapcsolás) vagy arányos szabályozására tervezték. Alkalmas fűtési, légkondicionáló, szellőztető rendszerekhez, épületautomatizáláshoz és ipari üzemekhez.
Funkciók és jellemzők:
-
ON/OFF (kétpontos) vagy arányos szabályozási mód.
-
Érzékelő típusa: T/C (J típus, Fe-Const)
-
Relékimenetek: OUT (NO + NC), 250VAC, 2A
-
Állítható hiszterézis
-
EEPROM memória a beállítások tárolására
-
Világos kijelző a kívánt hőmérsékleti beállítással
Mérési tartomány és pontosság:
-
°C ... +400 °C
-
Felbontás/lépés: 1 °C
Ajánlott tartozékok:
-
J típusú Fe-Const hőmérséklet-érzékelők (6/8 méter), tartomány -100 °C ... +600 °C
-
Kapható 1 m, 1,5 m, 2 m, 2,5 m, 3 m, 4 m vagy 5 m kábellel.
Alkalmazás:
-
Fűtés, légkondicionálás és szellőzés hőmérséklet-szabályozása
-
Ipari vonalak és gépek, ahol pontos hőmérséklet-szabályozásra van szükség.
-
Berendezések felügyelete és védelme
Előnyök:
-
Megbízható török TENSE termék
-
Egyszerű csatlakoztatás és beállítás
-
Memória a beállítások megőrzéséhez még áramkimaradás után is
FIZETÉSI MÓDOK
Online bankkártyás fizetés – a rendelés befejezése után átirányításra kerül a fizetési felületre, a fizetés visszaigazolását e‑mailben kapja meg.
Utánvét – a fizetési előírásnak megfelelő összeget a futárnak fizeti ki.
Átutalás – e‑mailben legkésőbb a következő munkanapon előlegszámlát küldünk, amelyen megtalálja a bankszámlaszámot, amelyet az utalásnál kell feltüntetni.
Számlára történő fizetés – ezt a fizetési lehetőséget azon partnereink vehetik igénybe, akik cégünkkel keretszerződést kötöttek.
Ha az utolsó két lehetőséget szeretné igénybe venni, kérjük, vegye fel a kapcsolatot menedzserünkkel, aki útmutatást ad, hogyan kaphat ÁFÁ‑s vagy ÁFA‑mentes számlát.
SZÁLLÍTÁSI MÓDOK ÉS KÖLTSÉGEK
- GLS házhozszállítás: 4 500 Ft
- Packeta házhozszállítás: 4 500 Ft
Az általunk szállított villamos berendezések magas minőségi szabványoknak felelnek meg, 24 hónap garanciával rendelkeznek, és megfelelnek minden EU‑előírásnak.
Ezenfelül 39 000 HUF feletti rendelés esetén ingyenes szállítást kínálunk, rugalmas kedvezmény‑ és akciós rendszert.
Munkatársaink műszaki ismeretei és tapasztalatai lehetővé teszik számunkra, hogy magas színvonalú tanácsadást nyújtsunk, illetve szükség esetén alternatív elektrotermékeket ajánljunk.
Az általunk forgalmazott elektromos berendezések magas minőségi szabványoknak felelnek meg, 24 hónapos garanciával rendelkeznek, és megfelelnek az EU előírásainak.
Reklamáció esetén az áru visszaküldése díjmentes.
