
Értesítést kérek e‑mailben, ha a termék újra elérhető
Előrendelhető termék
- Leírás
- Használati útmutató
- Fizetési módok
- Garancia
Termosztát / 2 pontos hőmérséklet-szabályozó DT-322 - TENSE (Törökország)
Leírás:
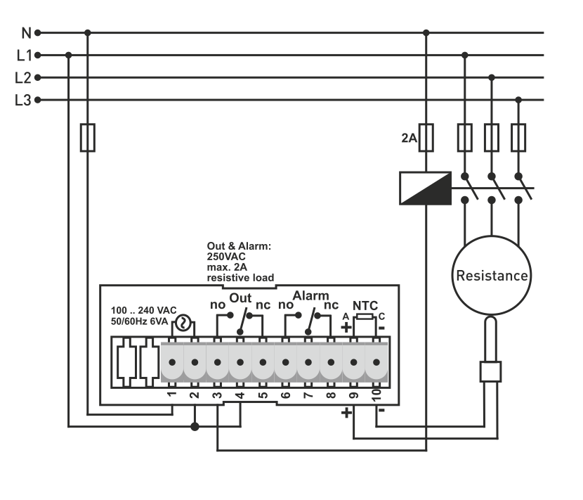
2 pontos hőmérsékletszabályozó panelbeépítésre, ON-OFF üzemmóddal. A fűtési, légkondicionáló, szellőztető rendszerek, épületautomatizálás és ipari alkalmazások hőtechnikai folyamatainak vezérlésére és felügyeletére tervezték.
Fő funkciók
-
Érzékelő típusa: NTC
-
Kimenetek: Relé OUT és ALARM (NO+NC), 250 VAC, 2A
-
Választható funkció: Fűtés/hűtés
-
Állítható hiszterézis a SET és az ALARM esetében
-
OUT kimenet bekapcsolási késleltetése hűtési üzemmódban
-
Állítható ON/OFF időzítők az OUT kimenethez érzékelő hiba esetén
-
Felső és alsó határértékek a SET és ALARM beállításokhoz
-
EEPROM memória a beállítások tárolására
-
Jelszóvédelem a paraméterek illetéktelen megváltoztatása ellen
-
Nagy mérési pontosság
Műszaki paraméterek
-
Mérési tartomány: -19,9 °C ... +99,9 °C
-
Felbontás/lépés: 0,1 °C
-
Tápellátás és működtetés: szabványos panelbeépítési formátum
-
Relékimenetek: 250 VAC / 2 A
Alkalmazás
-
Hőmérséklet-szabályozás ipari berendezésekben, légkondicionálásban és fűtésben.
-
Hőmérsékleti folyamatok felügyelete
-
Berendezésvédelem és folyamatautomatizálás
Letöltés a
FIZETÉSI MÓDOK
Online bankkártyás fizetés – a rendelés befejezése után átirányításra kerül a fizetési felületre, a fizetés visszaigazolását e‑mailben kapja meg.
Utánvét – a fizetési előírásnak megfelelő összeget a futárnak fizeti ki.
Átutalás – e‑mailben legkésőbb a következő munkanapon előlegszámlát küldünk, amelyen megtalálja a bankszámlaszámot, amelyet az utalásnál kell feltüntetni.
Számlára történő fizetés – ezt a fizetési lehetőséget azon partnereink vehetik igénybe, akik cégünkkel keretszerződést kötöttek.
Ha az utolsó két lehetőséget szeretné igénybe venni, kérjük, vegye fel a kapcsolatot menedzserünkkel, aki útmutatást ad, hogyan kaphat ÁFÁ‑s vagy ÁFA‑mentes számlát.
SZÁLLÍTÁSI MÓDOK ÉS KÖLTSÉGEK
- GLS házhozszállítás: 4 500 Ft
- Packeta házhozszállítás: 4 500 Ft
Az általunk szállított villamos berendezések magas minőségi szabványoknak felelnek meg, 24 hónap garanciával rendelkeznek, és megfelelnek minden EU‑előírásnak.
Ezenfelül 39 000 HUF feletti rendelés esetén ingyenes szállítást kínálunk, rugalmas kedvezmény‑ és akciós rendszert.
Munkatársaink műszaki ismeretei és tapasztalatai lehetővé teszik számunkra, hogy magas színvonalú tanácsadást nyújtsunk, illetve szükség esetén alternatív elektrotermékeket ajánljunk.
Az általunk forgalmazott elektromos berendezések magas minőségi szabványoknak felelnek meg, 24 hónapos garanciával rendelkeznek, és megfelelnek az EU előírásainak.
Reklamáció esetén az áru visszaküldése díjmentes.
