
Értesítést kérek e‑mailben, ha a termék újra elérhető
- Leírás
- Használati útmutató
- Fizetési módok
- Garancia
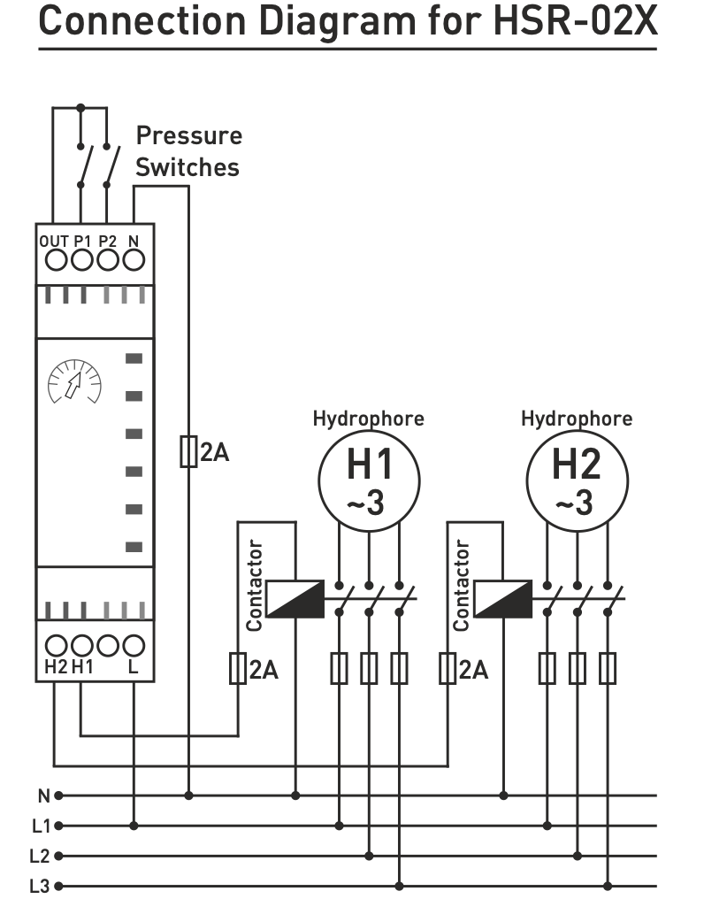
Hidrofor szekvenciális relé időzítővel 2 szivattyúhoz
Termékleírás
A hidrofor szekvenciális relé két szivattyú működésének vezérlésére szolgál a rendszer nyomásától függően.
Biztosítja a következőket:
-
Egyenletes szivattyúforgatás a berendezés élettartamának meghosszabbítása érdekében.
-
A szivattyúk szinkronizált működése, ha több nyomásfokozóra van szükség
-
Automatikus vezérlés az aktuális rendszernyomásnak megfelelően
Fő funkciók
-
Két szivattyú vezérlése egy hidroforrendszerben
-
Szivattyúváltás az egyenletes kopás érdekében
-
Időzítő a szivattyúindítások közötti késleltetés beállításához
-
További nyomásfokozók csatlakoztatásának lehetősége nagyobb rendszerekhez
-
A szivattyúk túlterhelés és túlfutás elleni védelme
Műszaki paraméterek
(ha pontos értékekkel rendelkezik, akkor azokat hozzáadhatjuk, pl. tápegység, teljesítmény, működési tartomány, felszerelés stb.)
-
Szivattyúk száma: 2
-
Szerelési típus: DIN-sín / panel
-
Funkciók: váltakozás, időzítő, nyomásszabályozás
Alkalmazás
-
Vízrendszerek hidrofonokkal és nyomástartályokkal
-
Háztartási és ipari alkalmazások
-
Szivattyúk egyenletes működésének és védelmének biztosítása
-
A nyomásfokozó vezérlése többszivattyús rendszerekben
FIZETÉSI MÓDOK
Online bankkártyás fizetés – a rendelés befejezése után átirányításra kerül a fizetési felületre, a fizetés visszaigazolását e‑mailben kapja meg.
Utánvét – a fizetési előírásnak megfelelő összeget a futárnak fizeti ki.
Átutalás – e‑mailben legkésőbb a következő munkanapon előlegszámlát küldünk, amelyen megtalálja a bankszámlaszámot, amelyet az utalásnál kell feltüntetni.
Számlára történő fizetés – ezt a fizetési lehetőséget azon partnereink vehetik igénybe, akik cégünkkel keretszerződést kötöttek.
Ha az utolsó két lehetőséget szeretné igénybe venni, kérjük, vegye fel a kapcsolatot menedzserünkkel, aki útmutatást ad, hogyan kaphat ÁFÁ‑s vagy ÁFA‑mentes számlát.
SZÁLLÍTÁSI MÓDOK ÉS KÖLTSÉGEK
- GLS házhozszállítás: 4 500 Ft
- Packeta házhozszállítás: 4 500 Ft
Az általunk szállított villamos berendezések magas minőségi szabványoknak felelnek meg, 24 hónap garanciával rendelkeznek, és megfelelnek minden EU‑előírásnak.
Ezenfelül 39 000 HUF feletti rendelés esetén ingyenes szállítást kínálunk, rugalmas kedvezmény‑ és akciós rendszert.
Munkatársaink műszaki ismeretei és tapasztalatai lehetővé teszik számunkra, hogy magas színvonalú tanácsadást nyújtsunk, illetve szükség esetén alternatív elektrotermékeket ajánljunk.
Az általunk forgalmazott elektromos berendezések magas minőségi szabványoknak felelnek meg, 24 hónapos garanciával rendelkeznek, és megfelelnek az EU előírásainak.
Reklamáció esetén az áru visszaküldése díjmentes.
