
Értesítést kérek e‑mailben, ha a termék újra elérhető
Előrendelhető termék
- Leírás
- Használati útmutató
- Fizetési módok
- Garancia
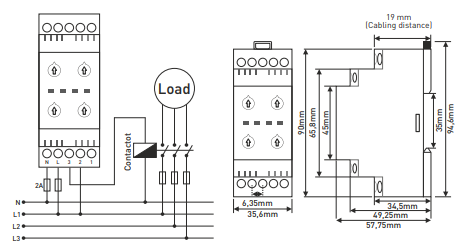
GKM-11 - Egyfázisú túlfeszültség és alulfeszültség relé, TENSE
Termékleírás
A GKM-11 relé az érzékeny berendezések túl- és alulfeszültség elleni védelmére szolgál egyfázisú elosztórendszerekben. A beállított felső vagy alsó feszültséghatár túllépésekor a relé megnyitja a kimeneti érintkezőt és leválasztja a terhelést, megakadályozva a berendezés károsodását.
Funkció és működés
-
Állapotjelzés:
-
Normál állapot - zöld LED
-
Nagyfeszültségű hiba - piros "HV" LED
-
Alacsony feszültség hiba - piros "LV" LED
-
-
Állítható védelem: felső és alsó feszültséghatár, kapcsolási késleltetés (DT) és visszaállítási idő (RT).
-
Reléérintkező: 5 A / 250 V AC (ellenállásos terhelés)
Műszaki adatok
-
Működési feszültség: 220 V AC, 50/60 Hz
-
Magas feszültségtartomány: 230-300 V
-
Alacsony feszültségtartomány: 150-210 V
-
Késleltetési és visszaállítási idő: 0,5-20 s
-
Energiafogyasztás: <6 VA
-
Üzemi hőmérséklet: -20 °C és +55 °C között
-
Szerelés: DIN-sín
-
Súly: 0,1 kg
-
Max. kábelkeresztmetszet: 2,5 mm²
-
Maximális telepítési magasság: 2000 m
Alkalmazás
-
Egyfázisú elosztó- és kapcsolóberendezések
-
Érzékeny elektromos berendezések, háztartási gépek, ipari gépek
FIZETÉSI MÓDOK
Online bankkártyás fizetés – a rendelés befejezése után átirányításra kerül a fizetési felületre, a fizetés visszaigazolását e‑mailben kapja meg.
Utánvét – a fizetési előírásnak megfelelő összeget a futárnak fizeti ki.
Átutalás – e‑mailben legkésőbb a következő munkanapon előlegszámlát küldünk, amelyen megtalálja a bankszámlaszámot, amelyet az utalásnál kell feltüntetni.
Számlára történő fizetés – ezt a fizetési lehetőséget azon partnereink vehetik igénybe, akik cégünkkel keretszerződést kötöttek.
Ha az utolsó két lehetőséget szeretné igénybe venni, kérjük, vegye fel a kapcsolatot menedzserünkkel, aki útmutatást ad, hogyan kaphat ÁFÁ‑s vagy ÁFA‑mentes számlát.
SZÁLLÍTÁSI MÓDOK ÉS KÖLTSÉGEK
- GLS házhozszállítás: 4 500 Ft
- Packeta házhozszállítás: 4 500 Ft
Az általunk szállított villamos berendezések magas minőségi szabványoknak felelnek meg, 24 hónap garanciával rendelkeznek, és megfelelnek minden EU‑előírásnak.
Ezenfelül 39 000 HUF feletti rendelés esetén ingyenes szállítást kínálunk, rugalmas kedvezmény‑ és akciós rendszert.
Munkatársaink műszaki ismeretei és tapasztalatai lehetővé teszik számunkra, hogy magas színvonalú tanácsadást nyújtsunk, illetve szükség esetén alternatív elektrotermékeket ajánljunk.
Az általunk forgalmazott elektromos berendezések magas minőségi szabványoknak felelnek meg, 24 hónapos garanciával rendelkeznek, és megfelelnek az EU előírásainak.
Reklamáció esetén az áru visszaküldése díjmentes.
