
Értesítést kérek e‑mailben, ha a termék újra elérhető
Előrendelhető termék
- Leírás
- Használati útmutató
- Fizetési módok
- Garancia
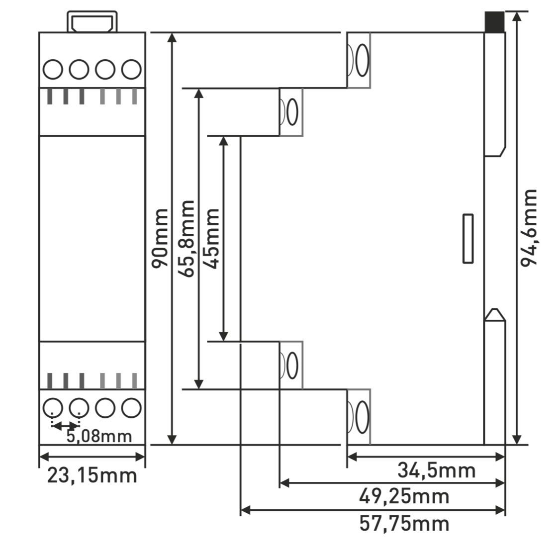
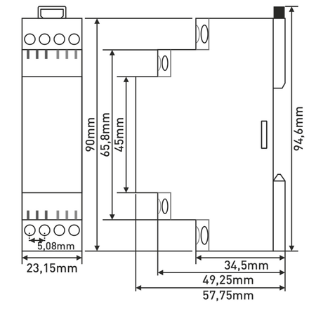
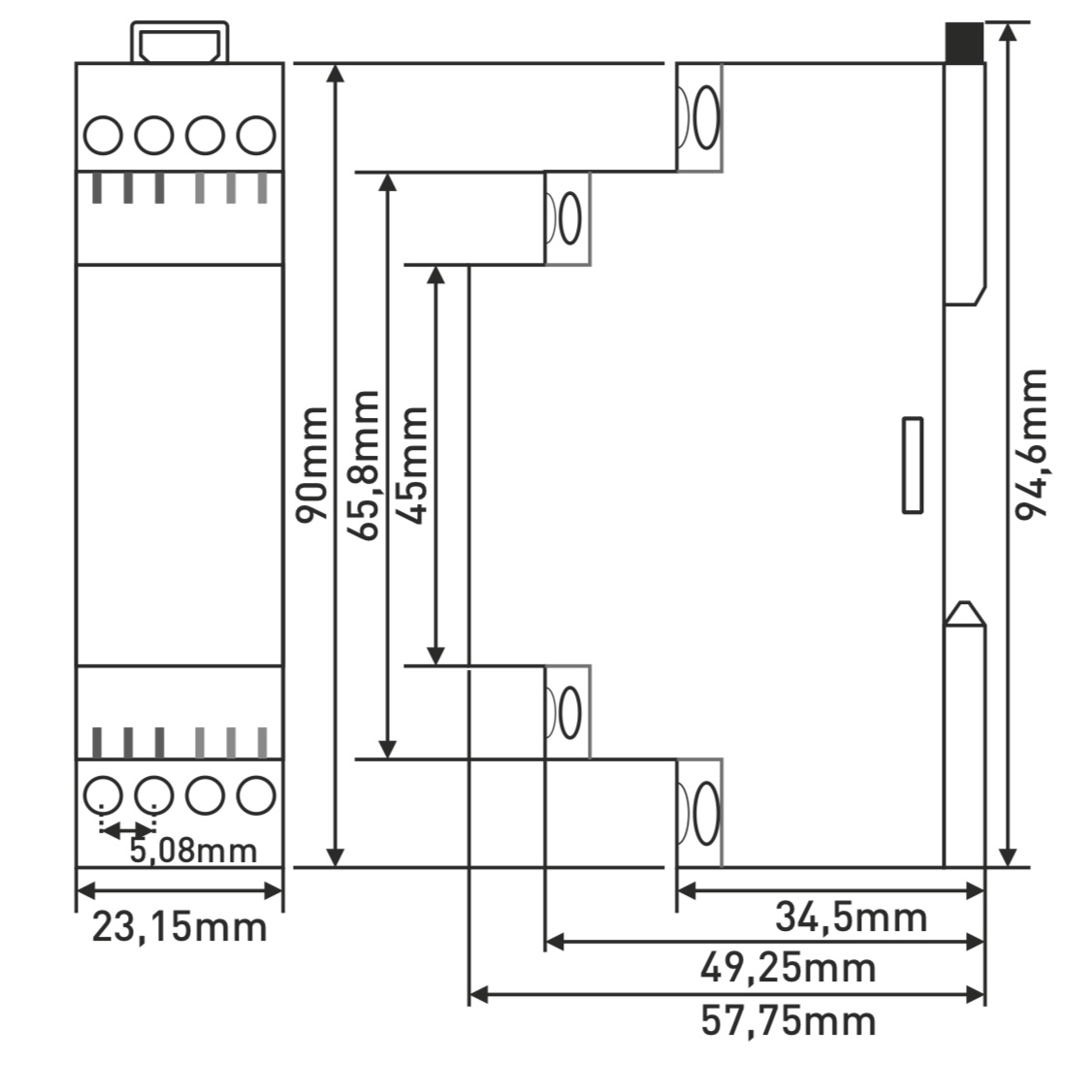
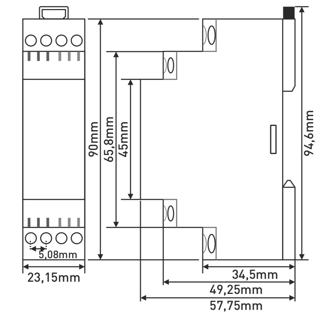
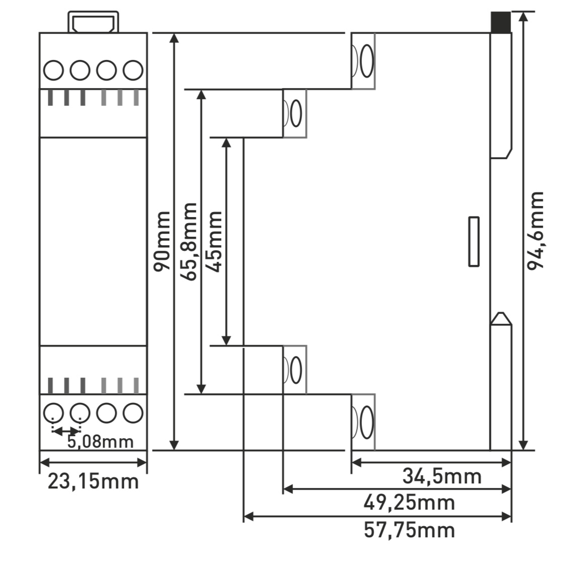
TENSE fázisvédő relé - állítható aszimmetria 5-50 %
A TENSE (Törökország ) fázisvédő reléjét a háromfázisú villanymotorok és más háromfázisú berendezések védelmére tervezték az elektromos hálózatban fellépő hibáktól. A készülék ellenőrzi a helyes fázissorrendet, a fázisaszimmetriát, az alul- és túlfeszültséget, és a beállított határértékek túllépésekor biztosítja a biztonságos terheléslekapcsolást.
A széles beállítási tartománynak köszönhetően a relé alkalmas a legtöbb ipari és kereskedelmi alkalmazáshoz, különösen ott, ahol pontos és stabil motorvédelemre van szükség.
Főbb jellemzők
-
Fázissorrend-szabályozás - védelem a helytelen bekötés ellen.
-
Állítható aszimmetria: 5% - 50%.
-
Állítható alulfeszültség: 260-360 V AC.
-
Állítható túlfeszültség: 400-480 V AC.
-
Állítható hibakésleltetési idő (Err In): 1-30 s.
-
Állítható helyreállítási idő (Err OUT): 1-30 s.
-
Világos kijelzés a 3×3 szegmenses kijelzőn.
-
Nagy pontosság és gyors reagálás a hálózati hibákra.
-
Szerelés szabványos DIN-sínre.
Működési elvek
Normál működés
Ha minden fázisfeszültség a határértékeken belül van, és a fázisok sorrendje helyes:
-
a relé kiold,
-
Az OUT LED világít.
Nagyfeszültségű hiba (H)
-
Ha a fázis túllépi a beállított határértéket → Err In time függőben van, H jelenik meg a kijelzőn.
-
A relé kikapcsol, az OUT kialszik.
-
Ha 5 V a beállított érték alá csökken, Err OUT elindul, a relé újra bekapcsol.
Alacsony feszültség hiba (L)
-
A beállított határérték alá csökken → Err In várakozás, L jelenik meg a kijelzőn.
-
A relé kikapcsol.
-
Amikor a feszültség 5 V-tal a küszöbérték fölé emelkedik → Err OUT várakozás, a relé bekapcsol.
Fázis aszimmetria (Asy)
-
Ha a fázisok közötti feszültségkülönbség meghaladja a beállított küszöbértéket (5-50%):
-
ASy jelenik meg az Err In idő után, a relé kikapcsol.
-
-
Ha az aszimmetria (beállított küszöbérték - 2%) → Err OUT várakozási idő alá csökken, a relé bekapcsol.
Fázissorrend hiba (pHs)
-
Ha fázissorrend hiba lép fel, a relé megvárja az Err In időt, majd megjeleníti a pHs értéket.
-
A relé kikapcsol, és mindaddig kikapcsolva marad, amíg a helyes szekvencia helyre nem áll.
-
A fázissorrend kijavítása után Err OUT lép fel, és a relé bekapcsol.
Műszaki paraméterek
| Paraméter | Érték |
|---|---|
| Üzemi feszültség (Un) | 3×380 V AC + N |
| Frekvencia | 50/60 Hz |
| Tápfeszültség bemenet | < 6 VA |
| Környezeti hőmérséklet | -20 °C és +55 °C között |
| Magas feszültség küszöbérték | 400-480 V AC |
| Alacsony feszültségküszöb | 260-360 V AC |
| Aszimmetria | 5-50% (állítható) |
| Hibaidő (Err In) | 1-30 s |
| Visszaállítási idő (Err OUT) | 1-30 s |
| Relé érintkező | 5 A / 250 V AC (ellenállásos terhelés) |
| Kijelző | 3×3 szegmens, 1 LED |
| Szerelés | DIN sín |
| Súly | < 150 g |
| Max. beépítési magasság | < 2000 m |
| Kábel keresztmetszet | legfeljebb 2,5 mm² |
FIZETÉSI MÓDOK
Online bankkártyás fizetés – a rendelés befejezése után átirányításra kerül a fizetési felületre, a fizetés visszaigazolását e‑mailben kapja meg.
Utánvét – a fizetési előírásnak megfelelő összeget a futárnak fizeti ki.
Átutalás – e‑mailben legkésőbb a következő munkanapon előlegszámlát küldünk, amelyen megtalálja a bankszámlaszámot, amelyet az utalásnál kell feltüntetni.
Számlára történő fizetés – ezt a fizetési lehetőséget azon partnereink vehetik igénybe, akik cégünkkel keretszerződést kötöttek.
Ha az utolsó két lehetőséget szeretné igénybe venni, kérjük, vegye fel a kapcsolatot menedzserünkkel, aki útmutatást ad, hogyan kaphat ÁFÁ‑s vagy ÁFA‑mentes számlát.
SZÁLLÍTÁSI MÓDOK ÉS KÖLTSÉGEK
- GLS házhozszállítás: 4 500 Ft
- Packeta házhozszállítás: 4 500 Ft
Az általunk szállított villamos berendezések magas minőségi szabványoknak felelnek meg, 24 hónap garanciával rendelkeznek, és megfelelnek minden EU‑előírásnak.
Ezenfelül 39 000 HUF feletti rendelés esetén ingyenes szállítást kínálunk, rugalmas kedvezmény‑ és akciós rendszert.
Munkatársaink műszaki ismeretei és tapasztalatai lehetővé teszik számunkra, hogy magas színvonalú tanácsadást nyújtsunk, illetve szükség esetén alternatív elektrotermékeket ajánljunk.
Az általunk forgalmazott elektromos berendezések magas minőségi szabványoknak felelnek meg, 24 hónapos garanciával rendelkeznek, és megfelelnek az EU előírásainak.
Reklamáció esetén az áru visszaküldése díjmentes.
