
Értesítést kérek e‑mailben, ha a termék újra elérhető
- Leírás
- Használati útmutató
- Fizetési módok
- Garancia
Feszültségfigyelő relé késleltetett időzítővel a működési állapotba való visszatéréshez, a megnövekedett és csökkent feszültség figyelése, a minimális és maximális feszültségérték beállítása, fázissorrend-szabályozással GKV-12F, TENSE
A feszültségfigyelő relé működési algoritmusa a következő:
Amikor a relé a tápfeszültségre csatlakozik, és a feszültségértékek megfelelnek a beállított értékeknek, a relé aktiválódik, és a relé LED () világít. Amikor a feszültségértékek meghaladják a beállított értékeket, a megfelelő hiba LED világít, vár egy késleltetési időt (DT), majd a relé deaktiválódik, és a relé LED kialszik. Amikor a feszültség visszatér a normál értékekre, a készülék vár egy visszaállítási időre (RT), amely után a relé aktiválódik, és a relé LED világít.
Szükséges beállítások és hibaüzenetek
-
HV: nagyfeszültség beállítás, ha a feszültség ezen érték fölé emelkedik, a HV LED világít.
-
LV: alacsony feszültség beállítás, amikor a feszültség ez alá az érték alá csökken, az LV LED világít.
-
DT: késleltetési idő, várakozási idő a hiba beírása előtt.
-
RT: visszaállítási idő, a várakozási idő, mielőtt a relé reagál, amikor a feszültség visszatér a normál értékre.
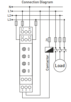
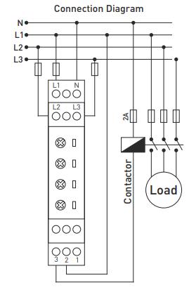
Relé aktiválva: 2 és 3 érintkező zárva, 1 és 2 nyitva.
Relé deaktiválva: 2 és 1 érintkező zárva, 3 és 2 nyitva.
Műszaki adatok
-
Működési feszültség: 3×380 VAC, 50/60 Hz.
-
Névleges üzemi feszültség: 220 VAC, 50/60 Hz.
-
Magas feszültség: 230 V-300 V
-
Alacsony feszültség: 140 V-210 V
-
Késleltetési idő: 0,1 s - 20 s
-
Visszaállítási idő: 0,1 s - 20 s
-
Üzemi teljesítmény: < 6 VA
-
Üzemi hőmérséklet: -20 °C és +55 °C között
-
Kijelző: 4 LED
-
Súly: 0,210 kg
-
Érintkező: 5 A / 250 VAC (ellenállásos terhelés)
-
Működési magasság: < 2000 m
-
Kábelátmérő: 1,5 mm²
FIZETÉSI MÓDOK
Online bankkártyás fizetés – a rendelés befejezése után átirányításra kerül a fizetési felületre, a fizetés visszaigazolását e‑mailben kapja meg.
Utánvét – a fizetési előírásnak megfelelő összeget a futárnak fizeti ki.
Átutalás – e‑mailben legkésőbb a következő munkanapon előlegszámlát küldünk, amelyen megtalálja a bankszámlaszámot, amelyet az utalásnál kell feltüntetni.
Számlára történő fizetés – ezt a fizetési lehetőséget azon partnereink vehetik igénybe, akik cégünkkel keretszerződést kötöttek.
Ha az utolsó két lehetőséget szeretné igénybe venni, kérjük, vegye fel a kapcsolatot menedzserünkkel, aki útmutatást ad, hogyan kaphat ÁFÁ‑s vagy ÁFA‑mentes számlát.
SZÁLLÍTÁSI MÓDOK ÉS KÖLTSÉGEK
- GLS házhozszállítás: 4 500 Ft
- Packeta házhozszállítás: 4 500 Ft
Az általunk szállított villamos berendezések magas minőségi szabványoknak felelnek meg, 24 hónap garanciával rendelkeznek, és megfelelnek minden EU‑előírásnak.
Ezenfelül 39 000 HUF feletti rendelés esetén ingyenes szállítást kínálunk, rugalmas kedvezmény‑ és akciós rendszert.
Munkatársaink műszaki ismeretei és tapasztalatai lehetővé teszik számunkra, hogy magas színvonalú tanácsadást nyújtsunk, illetve szükség esetén alternatív elektrotermékeket ajánljunk.
Az általunk forgalmazott elektromos berendezések magas minőségi szabványoknak felelnek meg, 24 hónapos garanciával rendelkeznek, és megfelelnek az EU előírásainak.
Reklamáció esetén az áru visszaküldése díjmentes.
