
Értesítést kérek e‑mailben, ha a termék újra elérhető
Előrendelhető termék
- Leírás
- Használati útmutató
- Fizetési módok
- Garancia
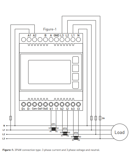
3-fázisú hálózati analizátor / Network analyzer / Network analyzer - multifunkciós digitális panel mérő, áram, feszültség, frekvencia és összteljesítmény kijelző, relé kimenettel, RS485 ModBus RTU - TPM-04SHDL gyártó TENSE (Törökország) panel meters.
A teljesítményelemzőket elektromos értékek mérésére és ellenőrzésére tervezték. A kommunikációs funkciónak köszönhetően a mért energiaértékek önállóan ellenőrizhetők és jelenthetők. A teljesítményelemzőkkel olyan elemzések végezhetők, mint a teljesítményminőség, a hatékonyság és az egységköltség-számítás.
Főbb előnyök:
- RS485 Modbus RTU (1200-19200b/s)
- Háromfázisú feszültségtranszformátor és háromfázisú áramtranszformátor.
-
Megjeleníti a feszültség és az áram harmonikus komponenseit a 31. harmonikusig.
-
Megjeleníti a fázisonkénti aktív teljesítményt (P)
-
Megjeleníti a fázisonkénti reaktív teljesítményt (Q, induktív és kapacitív).
-
Megjeleníti a fázisonkénti látszólagos teljesítményt (S)
-
Megjeleníti az egyes fázisok Cosφ és teljesítménytényező értékeit.
-
Megjeleníti a feszültség (V) és az áram (I) értékeit a fázisok és a semleges fázisok között, és méri a frekvenciát.
-
Megjeleníti a teljes aktív energia import és export értékeket (ΣkWh).
-
Megjeleníti a teljes induktív és kapacitív reaktív energia értékeit (ΣkVArh).
-
Megjeleníti a minimális és maximális értékeket, a maximális igényt.
-
2 relékimenet, 1 digitális bemenet
-
Eseménynaplók (magas/alacsony feszültség/áram, feszültség/áram aszimmetria, THD-I)
-
A menü jelszóval védett.
Általában ezt a hálózatelemzőt árammérő transzformátorokkal használják - 60/5 75/5 100/5 150/5 200/5 250/5 300/5 400/5 500/5 600/5 800/5 1000/5 1500/5 vagy hasonló. Ha az analizátort a ModBus-hoz kívánja csatlakoztatni, kérésre küldünk egy "regisztrációs táblázatot" a ModBus címekkel.
FIZETÉSI MÓDOK
Online bankkártyás fizetés – a rendelés befejezése után átirányításra kerül a fizetési felületre, a fizetés visszaigazolását e‑mailben kapja meg.
Utánvét – a fizetési előírásnak megfelelő összeget a futárnak fizeti ki.
Átutalás – e‑mailben legkésőbb a következő munkanapon előlegszámlát küldünk, amelyen megtalálja a bankszámlaszámot, amelyet az utalásnál kell feltüntetni.
Számlára történő fizetés – ezt a fizetési lehetőséget azon partnereink vehetik igénybe, akik cégünkkel keretszerződést kötöttek.
Ha az utolsó két lehetőséget szeretné igénybe venni, kérjük, vegye fel a kapcsolatot menedzserünkkel, aki útmutatást ad, hogyan kaphat ÁFÁ‑s vagy ÁFA‑mentes számlát.
SZÁLLÍTÁSI MÓDOK ÉS KÖLTSÉGEK
- GLS házhozszállítás: 4 500 Ft
- Packeta házhozszállítás: 4 500 Ft
Az általunk szállított villamos berendezések magas minőségi szabványoknak felelnek meg, 24 hónap garanciával rendelkeznek, és megfelelnek minden EU‑előírásnak.
Ezenfelül 39 000 HUF feletti rendelés esetén ingyenes szállítást kínálunk, rugalmas kedvezmény‑ és akciós rendszert.
Munkatársaink műszaki ismeretei és tapasztalatai lehetővé teszik számunkra, hogy magas színvonalú tanácsadást nyújtsunk, illetve szükség esetén alternatív elektrotermékeket ajánljunk.
Az általunk forgalmazott elektromos berendezések magas minőségi szabványoknak felelnek meg, 24 hónapos garanciával rendelkeznek, és megfelelnek az EU előírásainak.
Reklamáció esetén az áru visszaküldése díjmentes.
