
Értesítést kérek e‑mailben, ha a termék újra elérhető
- Leírás
- Használati útmutató
- Fizetési módok
- Garancia
DS-48 impulzusszámláló - 2× kijelző, 2 bemenet, relékimenet
Termékleírás
A DS-48 impulzusszámláló egy univerzális, két bemenetű, két 4 számjegyű LED kijelzővel (aktuális érték + célérték) felszerelt panelszámláló. Képes mechanikus kapcsolók, PNP/NPN induktív érzékelők és inkrementális encoderek jeleinek számlálására, kivonására és feldolgozására. A be- és kimeneti funkciók széles választékának köszönhetően alkalmas ipari automatizálási rendszerekhez, gyártósorokhoz, mérőállomásokhoz és folyamatszabályozáshoz.
Főbb jellemzők
-
2× 4 számjegyű, 7 szegmensből álló LED-kijelző
-
1× OUT relékimenet + SSR kimenet
-
Többféle üzemmód: számlálás, visszaszámlálás, összeadás több bemenetből, vezérlés második bemeneten keresztül
-
Mechanikus kapcsolók, PNP/NPN érzékelők és kódolók támogatása
-
Választható bemeneti frekvencia: 20 / 50 / 2500 / 7500 Hz
-
Hesla beállítási védelem
-
EEPROM memória - adatmegőrzés áramkimaradás esetén
-
OFFSET és tizedesvessző beállításának lehetősége
-
Az utolsó érték automatikus visszaállítása áramkimaradás után
Funkció
Bemeneti funkció (7 üzemmód):
-
Felfelé számlálás
-
Visszaszámlálás
-
Egyszerre két bemenetről történő összeadás
-
Második bemenet által vezérelt szünet
-
Bemenet negálása
-
Számolás az emelkedő/eső élről
-
Kombinációk: összeadás az egyik élről, kivonás a másikról, negálás stb.
Kimeneti funkciók (9 üzemmód):
-
Relé kioldás a cél elérése után
-
Tartás RESET-re
-
Impulzus kimenet 0,1-999,9 s
-
Vezérlés SSR kimeneten keresztül (NPN)
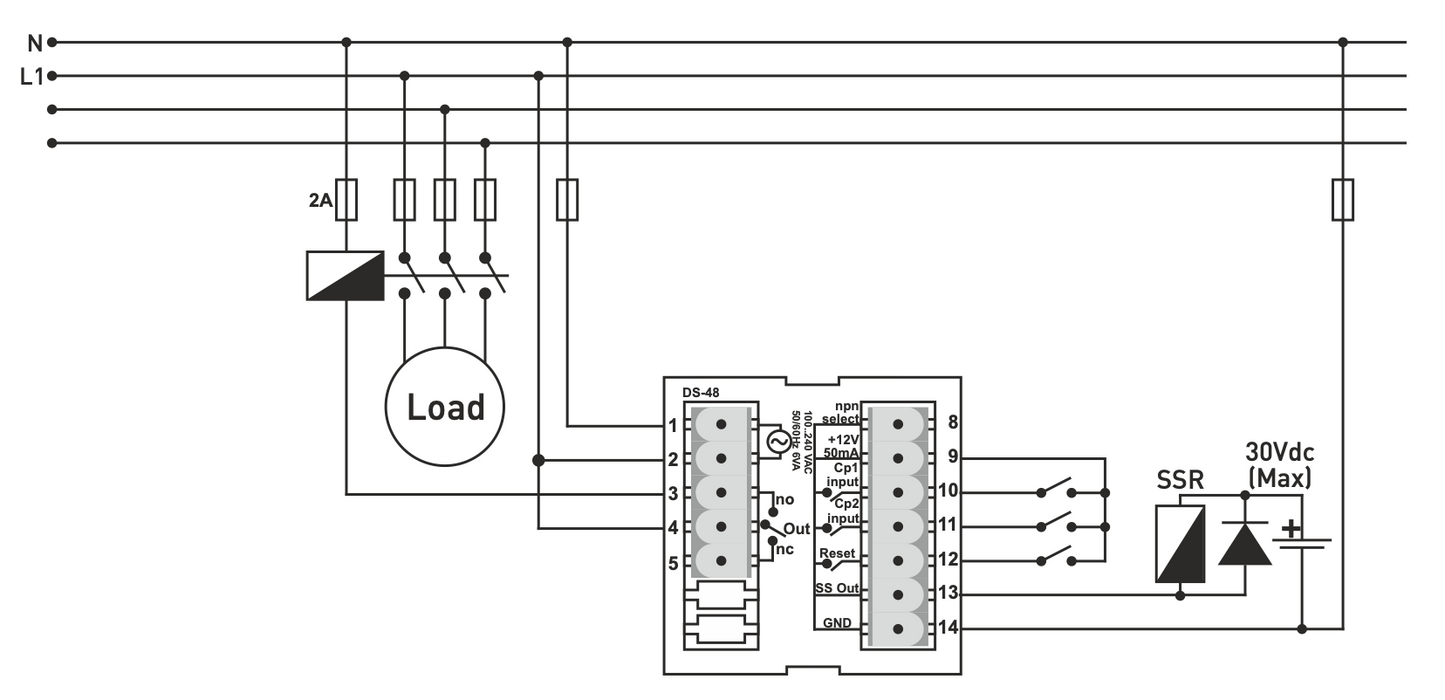
Műszaki paraméterek
Kijelző és méretek
-
Méretek: 48 × 48 × 96 mm
-
Szerelőnyílás: 44 × 44 mm
-
Kijelző: 2 × 4 számjegyű LED
Bemenetek
-
Bemenetek száma: 2
-
Bemenettípusok: mechanikus kapcsoló, PNP/NPN érzékelő, NPN/PNP/totem-pólusú kódoló kimenet
-
Bemeneti feszültség: 5-30 V
-
Maximális bemeneti frekvencia: 7500 Hz
-
Választható frekvenciák: 20 / 50 / 2500 / 7500 Hz
-
Visszaállító bemenet: PNP, min. 10 ms, 12. csatlakozó
-
Érzékelő tápellátás: 12 VDC / 50 mA (max.)
Kimenetek
-
1× SPDT relé 250 VAC, 2 A (ellenállásos terhelés) - COM (4), NO (3), NC (5)
-
1× SSR vezérlés (NPN, max. 100 mA, 30 V) - 13. (SSout), 14. (GND) csatlakozók
Tápegység
-
100-240 V AC, 50/60 Hz
-
Teljesítményfelvétel: < 8 VA
Működési feltételek
-
Üzemi hőmérséklet: -20 °C és +55 °C között
-
Maximális tengerszint feletti magasság: 2000 m
Különleges jellemzők
-
EEPROM memória tárolja az összes beállítást és az aktuális számlálást áramkimaradás után is.
-
Állítható OFFSET a számlálási értékhez
-
Jelszóvédelem a nem kívánt paraméterváltoztatások ellen
-
Választható tizedesvessző (0 / 0,0 / 0,00 / 0,000)
Telepítési ajánlások
-
Használjon árnyékolt és sodrott jelkábeleket, az árnyékolást földelje le.
-
Különítse el a jelkábeleket a táp- és tápkábelektől
-
Használjon F250 mA / 250 VAC biztosítékot a hálózati bemenetre.
-
Védje a berendezést a nedvességtől, a rezgéstől, a portól és a szélsőséges hőmérséklettől.
-
Mechanikus kapcsolók esetén ajánlott a bemeneti frekvenciát 20 Hz-re állítani.
-
Két bemenet használata esetén:
Phs4 üzemmód → max. ¼ bemeneti frekvencia
1u2u, 1u2d, Phs2 módok → max. ½ bemeneti frekvencia
FIZETÉSI MÓDOK
Online bankkártyás fizetés – a rendelés befejezése után átirányításra kerül a fizetési felületre, a fizetés visszaigazolását e‑mailben kapja meg.
Utánvét – a fizetési előírásnak megfelelő összeget a futárnak fizeti ki.
Átutalás – e‑mailben legkésőbb a következő munkanapon előlegszámlát küldünk, amelyen megtalálja a bankszámlaszámot, amelyet az utalásnál kell feltüntetni.
Számlára történő fizetés – ezt a fizetési lehetőséget azon partnereink vehetik igénybe, akik cégünkkel keretszerződést kötöttek.
Ha az utolsó két lehetőséget szeretné igénybe venni, kérjük, vegye fel a kapcsolatot menedzserünkkel, aki útmutatást ad, hogyan kaphat ÁFÁ‑s vagy ÁFA‑mentes számlát.
SZÁLLÍTÁSI MÓDOK ÉS KÖLTSÉGEK
- GLS házhozszállítás: 4 500 Ft
- Packeta házhozszállítás: 4 500 Ft
Az általunk szállított villamos berendezések magas minőségi szabványoknak felelnek meg, 24 hónap garanciával rendelkeznek, és megfelelnek minden EU‑előírásnak.
Ezenfelül 39 000 HUF feletti rendelés esetén ingyenes szállítást kínálunk, rugalmas kedvezmény‑ és akciós rendszert.
Munkatársaink műszaki ismeretei és tapasztalatai lehetővé teszik számunkra, hogy magas színvonalú tanácsadást nyújtsunk, illetve szükség esetén alternatív elektrotermékeket ajánljunk.
Az általunk forgalmazott elektromos berendezések magas minőségi szabványoknak felelnek meg, 24 hónapos garanciával rendelkeznek, és megfelelnek az EU előírásainak.
Reklamáció esetén az áru visszaküldése díjmentes.
