
Értesítést kérek e‑mailben, ha a termék újra elérhető
- Leírás
- Fizetési módok
- Garancia
|
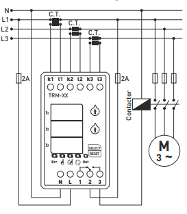
Terhelésfigyelő/korlátozó relé, 3 fázisú, 15-50 A tartomány, gyártó TENSE (Törökország) A TRM-50 digitális túlterhelési relét úgy tervezték, hogy megvédje a terheléseket a nagy áramok okozta károsodástól, miközben lehetővé teszi a működés ellenőrzését.
A készülék használata és működési elve
A készülék bekapcsolásakor:
A TRM-50 sorozatú elektronikus áramrelét úgy tervezték, hogy a maximálisan megengedett áramerősség túllépésekor automatikusan lekapcsolja a fogyasztókat. Programozható kioldási tartomány, kioldási idő és fordított kioldási beállításokkal rendelkezik. Az "üzemi" állapotba való visszatérésnek 3 módja van - KÉZELES, FÉL-AUTÓ, AUTÓ. Visszaállítási módok
Megjegyzés: Az üzemmód megváltoztatásához tartsa lenyomva a SELECT gombot 10 másodpercig. Az üzemmód megváltoztatásakor a megfelelő LED világítani fog. Áram aszimmetria 50% (fix) Ha a fázisok legnagyobb és legkisebb áramerőssége közötti különbség meghaladja az 50%-ot, a készülék 2 másodpercen belül aszimmetria hiba üzemmódba lép (megakadályozza a rendszer károsodását az egyik fázis kiesésekor). Amikor aszimmetriahiba lép fel:
Műszaki paraméterek
Megjegyzés: A TRM-50, TRM-100, TRM-200 és TRM-300 csak a mellékelt áramváltókkal használható.
Alapvető
|
FIZETÉSI MÓDOK
Online bankkártyás fizetés – a rendelés befejezése után átirányításra kerül a fizetési felületre, a fizetés visszaigazolását e‑mailben kapja meg.
Utánvét – a fizetési előírásnak megfelelő összeget a futárnak fizeti ki.
Átutalás – e‑mailben legkésőbb a következő munkanapon előlegszámlát küldünk, amelyen megtalálja a bankszámlaszámot, amelyet az utalásnál kell feltüntetni.
Számlára történő fizetés – ezt a fizetési lehetőséget azon partnereink vehetik igénybe, akik cégünkkel keretszerződést kötöttek.
Ha az utolsó két lehetőséget szeretné igénybe venni, kérjük, vegye fel a kapcsolatot menedzserünkkel, aki útmutatást ad, hogyan kaphat ÁFÁ‑s vagy ÁFA‑mentes számlát.
SZÁLLÍTÁSI MÓDOK ÉS KÖLTSÉGEK
- GLS házhozszállítás: 4 500 Ft
- Packeta házhozszállítás: 4 500 Ft
Az általunk szállított villamos berendezések magas minőségi szabványoknak felelnek meg, 24 hónap garanciával rendelkeznek, és megfelelnek minden EU‑előírásnak.
Ezenfelül 39 000 HUF feletti rendelés esetén ingyenes szállítást kínálunk, rugalmas kedvezmény‑ és akciós rendszert.
Munkatársaink műszaki ismeretei és tapasztalatai lehetővé teszik számunkra, hogy magas színvonalú tanácsadást nyújtsunk, illetve szükség esetén alternatív elektrotermékeket ajánljunk.
Az általunk forgalmazott elektromos berendezések magas minőségi szabványoknak felelnek meg, 24 hónapos garanciával rendelkeznek, és megfelelnek az EU előírásainak.
Reklamáció esetén az áru visszaküldése díjmentes.
