
Értesítést kérek e‑mailben, ha a termék újra elérhető
- Leírás
- Fizetési módok
- Garancia
|
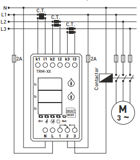
Terhelésfigyelő/korlátozó relé, 3 fázisú, 290-400 A tartomány, gyártó TENSE (Törökország) A TRM-400 digitális túlterhelési relét úgy tervezték, hogy megvédje a terheléseket a nagy áramok okozta károsodástól, miközben lehetővé teszi a működés ellenőrzését.
A készülék használata és működési elve
A készülék bekapcsolásakor:
A TRM-400 sorozatú elektronikus áramrelé úgy van kialakítva, hogy automatikusan lekapcsolja a fogyasztókat, ha a megengedett maximális áramot túllépik. Programozható kioldási tartomány, valamint a kioldási idő és a fordított kioldási idő beállításának lehetősége. A "működő" állapotba való visszatérésnek 3 módja van - KÉZELES, FÉL-AUTÓ, AUTÓ. Visszaállítási módok
Megjegyzés: Az üzemmód megváltoztatásához tartsa lenyomva a SELECT gombot 10 másodpercig. Az üzemmód megváltoztatásakor a megfelelő LED világítani fog. Műszaki paraméterek
Megjegyzés: A TRM-50, TRM-100, TRM-200 és TRM-300 csak a mellékelt áramváltókkal használható.
A TRM-400 a TRM-400-hoz mellékelt 400/5 áramváltóval használható. Alapvető
|
FIZETÉSI MÓDOK
Online bankkártyás fizetés – a rendelés befejezése után átirányításra kerül a fizetési felületre, a fizetés visszaigazolását e‑mailben kapja meg.
Utánvét – a fizetési előírásnak megfelelő összeget a futárnak fizeti ki.
Átutalás – e‑mailben legkésőbb a következő munkanapon előlegszámlát küldünk, amelyen megtalálja a bankszámlaszámot, amelyet az utalásnál kell feltüntetni.
Számlára történő fizetés – ezt a fizetési lehetőséget azon partnereink vehetik igénybe, akik cégünkkel keretszerződést kötöttek.
Ha az utolsó két lehetőséget szeretné igénybe venni, kérjük, vegye fel a kapcsolatot menedzserünkkel, aki útmutatást ad, hogyan kaphat ÁFÁ‑s vagy ÁFA‑mentes számlát.
SZÁLLÍTÁSI MÓDOK ÉS KÖLTSÉGEK
- GLS házhozszállítás: 4 500 Ft
- Packeta házhozszállítás: 4 500 Ft
Az általunk szállított villamos berendezések magas minőségi szabványoknak felelnek meg, 24 hónap garanciával rendelkeznek, és megfelelnek minden EU‑előírásnak.
Ezenfelül 39 000 HUF feletti rendelés esetén ingyenes szállítást kínálunk, rugalmas kedvezmény‑ és akciós rendszert.
Munkatársaink műszaki ismeretei és tapasztalatai lehetővé teszik számunkra, hogy magas színvonalú tanácsadást nyújtsunk, illetve szükség esetén alternatív elektrotermékeket ajánljunk.
Az általunk forgalmazott elektromos berendezések magas minőségi szabványoknak felelnek meg, 24 hónapos garanciával rendelkeznek, és megfelelnek az EU előírásainak.
Reklamáció esetén az áru visszaküldése díjmentes.
