Digitális túláram relé 3×3 számjegyű LED kijelzővel TRM-200
Nem sikerült betölteni az átvétel elérhetőségét
|
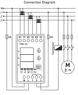
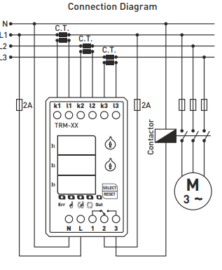
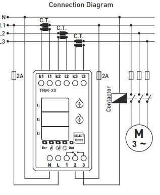
Háromfázisú áramerősség-szabályozó relé 90-200 A tartományban, gyártó TENSE (Törökország) A TRM-200 digitális túláram relék arra szolgálnak, hogy megvédjék a terheléseket a nagy áramok által okozott károktól, miközben lehetővé teszik a működés felügyeletét. - 90-200 A (állítható túláram érték) A készülék használata és működési elve
A készülék bekapcsolásakor: Leírás A TRM-200 sorozatú elektronikus áramrelét úgy tervezték, hogy automatikusan lekapcsolja a készülékeket, amikor a megengedett maximális áramot túllépik. Visszaállítási módok: - Kézi üzemmód: Túláram hiba után a készüléket a Reset gomb megnyomásával kell visszaállítani. Ebben az üzemmódban a megfelelő LED világít. Megjegyzés: Az üzemmód megváltoztatásához tartsa lenyomva a SELECT gombot 10 másodpercig. Az üzemmód megváltoztatásakor a megfelelő LED világít. Aszimmetria 50% (fix) Ha a legnagyobb és a legkisebb fázisáram közötti különbség meghaladja az 50%-ot, a készülék 2 másodpercen belül aszimmetriahiba üzemmódba lép. Aszimmetriahiba esetén: Műszaki paraméterek: - Működési feszültség: 150-260 V AC Megjegyzés: A TRM-50, TRM-100, TRM-200 és TRM-300 csak a szállítási terjedelemben szereplő áramváltókkal használható. A TRM-400 a TRM-400-hoz mellékelt 400/5 áramváltóval használható.
Alapvető
|
Online bankkártyás fizetés – a rendelés befejezése után átirányítjuk a fizetési kapura, a fizetés visszaigazolását e-mailben kapja meg.
Utánvét – a szállító cég futárának kell kifizetnie a rendelés összegét a kézhezvételkor.
Átutalás – e-mailben legkésőbb a következő munkanapon előlegszámlát küldünk Önnek, amelyen megtalálja a bankszámlaszámot, amit a fizetéskor meg kell adnia.
Számlára – ezt a fizetési lehetőséget azok a partnerek vehetik igénybe, akik cégünkkel keretszerződéssel rendelkeznek.
Amennyiben az utóbbi két fizetési mód egyikét szeretné igénybe venni, kérjük, hívja fel menedzserünket, aki tájékoztatja, hogyan kaphat számlát áfával vagy áfa nélkül.
Az általunk szállított elektromos berendezések magas minőségi szabványoknak felelnek meg, 24 hónap garanciával rendelkeznek, és teljesítik az EU összes követelményét.Reklamáció esetén a termék visszaküldése díjmentes.
