
Értesítést kérek e‑mailben, ha a termék újra elérhető
Előrendelhető termék
- Leírás
- Fizetési módok
- Garancia
|
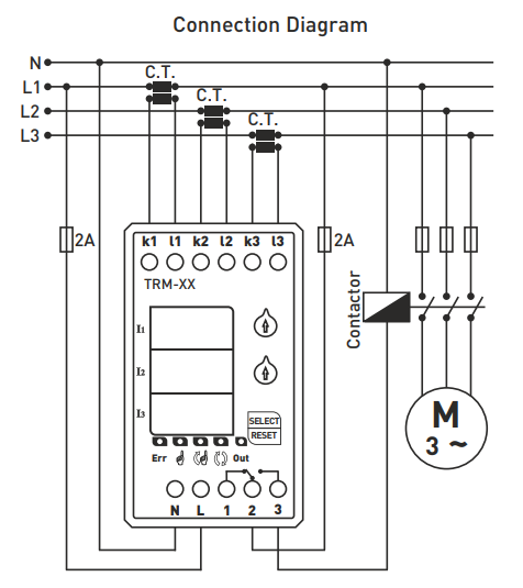
Háromfázisú áramerősség-szabályozó relé 40-100 A tartományban, gyártó TENSE (Törökország) A TRM-100 digitális túláram relék arra szolgálnak, hogy megvédjék a terheléseket a nagy áramok által okozott károktól, miközben lehetővé teszik a működés szabályozását. - 40-100 A (állítható túláram érték)
A készülék használata és működési elve
A készülék bekapcsolásakor:
Leírás A TRM-100 sorozatú elektronikus áramrelét úgy tervezték, hogy automatikusan lekapcsolja a készülékeket, amikor a maximálisan megengedett áramot túllépik.
Visszaállítási módok: - Kézi üzemmód: Túláram hiba után a készüléket a Reset gomb megnyomásával kell visszaállítani. Ebben az üzemmódban a megfelelő LED világít. Megjegyzés: Az üzemmódváltáshoz tartsa lenyomva a SELECT gombot 10 másodpercig. Az üzemmódváltáskor a megfelelő LED kijelző kigyullad. Aszimmetria 50% (fix) Ha a legnagyobb és a legkisebb fázisáram közötti különbség meghaladja az 50%-ot, a készülék 2 másodpercen belül aszimmetria hiba üzemmódba lép. Aszimmetria hiba során: Műszaki paraméterek: - Működési feszültség: 150-260 VAC. Megjegyzés: A TRM-50, TRM-100, TRM-200 és TRM-300 csak a mellékelt áramváltókkal használható.
Alapvető
|
FIZETÉSI MÓDOK
Online bankkártyás fizetés – a rendelés befejezése után átirányításra kerül a fizetési felületre, a fizetés visszaigazolását e‑mailben kapja meg.
Utánvét – a fizetési előírásnak megfelelő összeget a futárnak fizeti ki.
Átutalás – e‑mailben legkésőbb a következő munkanapon előlegszámlát küldünk, amelyen megtalálja a bankszámlaszámot, amelyet az utalásnál kell feltüntetni.
Számlára történő fizetés – ezt a fizetési lehetőséget azon partnereink vehetik igénybe, akik cégünkkel keretszerződést kötöttek.
Ha az utolsó két lehetőséget szeretné igénybe venni, kérjük, vegye fel a kapcsolatot menedzserünkkel, aki útmutatást ad, hogyan kaphat ÁFÁ‑s vagy ÁFA‑mentes számlát.
SZÁLLÍTÁSI MÓDOK ÉS KÖLTSÉGEK
- GLS házhozszállítás: 4 500 Ft
- Packeta házhozszállítás: 4 500 Ft
Az általunk szállított villamos berendezések magas minőségi szabványoknak felelnek meg, 24 hónap garanciával rendelkeznek, és megfelelnek minden EU‑előírásnak.
Ezenfelül 39 000 HUF feletti rendelés esetén ingyenes szállítást kínálunk, rugalmas kedvezmény‑ és akciós rendszert.
Munkatársaink műszaki ismeretei és tapasztalatai lehetővé teszik számunkra, hogy magas színvonalú tanácsadást nyújtsunk, illetve szükség esetén alternatív elektrotermékeket ajánljunk.
Az általunk forgalmazott elektromos berendezések magas minőségi szabványoknak felelnek meg, 24 hónapos garanciával rendelkeznek, és megfelelnek az EU előírásainak.
Reklamáció esetén az áru visszaküldése díjmentes.
