
Értesítést kérek e‑mailben, ha a termék újra elérhető
Előrendelhető termék
- Leírás
- Használati útmutató
- Fizetési módok
- Garancia
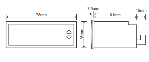
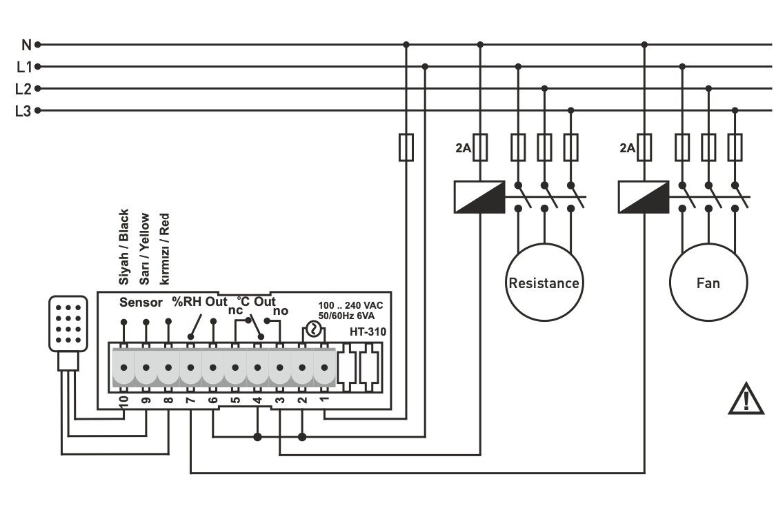
Digitális hőmérséklet- és páratartalom-szabályozó relé. Mérési skála -19,9ºC ...+80ºC, 5 ... 95%RH (made in Turkey, TENSE)
Fűtési, légkondicionáló és szellőztető rendszerek, épületautomatizálás, ipari üzemek hő- és páratartalom-folyamatainak vezérlése és felügyelete.
Hőmérséklet- és páratartalom-szabályozó μP
- Hiszterézis
EEPROM memória a beállítások tárolására
Jelszóvédelem
Nagy pontosság
ºC kimenet - Relé (NO + NC), 250VAC, 2A, ellenállásos terhelés
%RH Kimenet - Relé (NO), 250VAC, 2A, ellenállásos terhelés
Külön állítható "Offset" a hőmérséklet és a páratartalom méréséhez
Beállítható késleltetési időzítő az OUT ON előtt a hűtési funkcióhoz
ON-OFF vezérlési mód
FIZETÉSI MÓDOK
Online bankkártyás fizetés – a rendelés befejezése után átirányításra kerül a fizetési felületre, a fizetés visszaigazolását e‑mailben kapja meg.
Utánvét – a fizetési előírásnak megfelelő összeget a futárnak fizeti ki.
Átutalás – e‑mailben legkésőbb a következő munkanapon előlegszámlát küldünk, amelyen megtalálja a bankszámlaszámot, amelyet az utalásnál kell feltüntetni.
Számlára történő fizetés – ezt a fizetési lehetőséget azon partnereink vehetik igénybe, akik cégünkkel keretszerződést kötöttek.
Ha az utolsó két lehetőséget szeretné igénybe venni, kérjük, vegye fel a kapcsolatot menedzserünkkel, aki útmutatást ad, hogyan kaphat ÁFÁ‑s vagy ÁFA‑mentes számlát.
SZÁLLÍTÁSI MÓDOK ÉS KÖLTSÉGEK
- GLS házhozszállítás: 4 500 Ft
- Packeta házhozszállítás: 4 500 Ft
Az általunk szállított villamos berendezések magas minőségi szabványoknak felelnek meg, 24 hónap garanciával rendelkeznek, és megfelelnek minden EU‑előírásnak.
Ezenfelül 39 000 HUF feletti rendelés esetén ingyenes szállítást kínálunk, rugalmas kedvezmény‑ és akciós rendszert.
Munkatársaink műszaki ismeretei és tapasztalatai lehetővé teszik számunkra, hogy magas színvonalú tanácsadást nyújtsunk, illetve szükség esetén alternatív elektrotermékeket ajánljunk.
Az általunk forgalmazott elektromos berendezések magas minőségi szabványoknak felelnek meg, 24 hónapos garanciával rendelkeznek, és megfelelnek az EU előírásainak.
Reklamáció esetén az áru visszaküldése díjmentes.
