
Értesítést kérek e‑mailben, ha a termék újra elérhető
Előrendelhető termék
- Leírás
- Használati útmutató
- Fizetési módok
- Garancia
DJ-A96T - Háromfázisú digitális táblás árammérő
A DJ-A96T háromfázisú digitális táblás árammérőt háromfázisú rendszerek pontos áramfelügyeletére tervezték. Külső áramváltók (CT) segítségével képes megjeleníteni az egyes fázisok L1, L2, L3 pillanatnyi terhelését. A készülék áttekinthető kijelzőt, egyszerű beállítást és megbízható működést kínál.
Főbb jellemzők
-
Árammérés háromfázisú rendszerekben
-
Külön leolvasás az L1, L2, L3 fázisok számára
-
Mérés külső áramváltókkal
-
A CT-arány egyszerű beállítása
-
Nagy és jól olvasható kijelző - 3×4 számjegy, magassága 14 mm
-
Kompakt panel-kialakítás
Az árammérő műszaki paraméterei
-
Tápfeszültség: 230 V AC
-
Készülékfogyasztás: < 4 VA
-
Árammérési tartomány: 0,1...5,5 A
-
Támogatott CT-tartomány: 5/5 A és 5000/5 A között
-
Mérési pontosság: ±2%
-
Kijelző: LED, 3×4 számjegy, magassága 14 mm
-
Méretek: 97,2 × 97,2 mm
-
Kivágási méret: 91 × 91 mm
-
Mélység: 45 mm
-
A csomag nem tartalmazza az áramváltókat (külön megvásárolhatók).
Működési elv és beállítások
-
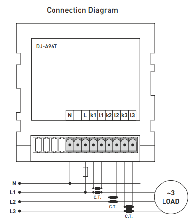
Csatlakoztassa a készüléket a kapcsolási rajznak megfelelően.
-
Csatlakoztassa az áramváltókat a rendszerben várható áramnak megfelelően (átalakítás xxxx/5 A).
-
Csatlakoztassa a CT-vezetékeket a "kx" és "lx" csatlakozókhoz . A CT kimenete nem haladhatja meg az 5 A-t.
-
A tápegység bekapcsolása után tartsa lenyomva a "Menu" gombot 2 másodpercig.
-
A fel/le gombok segítségével állítsa be a használt CT-k átalakítását.
-
A beállításokat a "Menu" gomb hosszú megnyomásával mentse el.
-
A terhelés csatlakoztatásakor az árammérő elkezdi mérni és megjeleníteni az áramot.
Megjegyzés: Az áramváltókat biztonsági okokból mindig földelni kell.
A szilárdtest kimeneti relé műszaki jellemzői
(A felsorolt paraméterek ezúttal az SSR-nek felelnek meg - ha külön kell lennie, akkor fel tudom osztani.)
-
Relé típusa: szilárdtest
-
Vezérlőfeszültség (bemenet): 3...32 V DC
-
Kapcsolási feszültség: 24...480 V AC (motorokhoz nem alkalmas)
-
Kapcsolási feszültségesés: < 3 V
-
Kioldóáram: 5 mA
-
Tekercsfeszültség: 3...32 V DC
-
Maximális kapcsolási áram: 25 A
-
Szigetelési szilárdság: 2500 V AC
-
Kapcsolási módszer: bekapcsolás, amikor az áram átmegy a nullponton.
FIZETÉSI MÓDOK
Online bankkártyás fizetés – a rendelés befejezése után átirányításra kerül a fizetési felületre, a fizetés visszaigazolását e‑mailben kapja meg.
Utánvét – a fizetési előírásnak megfelelő összeget a futárnak fizeti ki.
Átutalás – e‑mailben legkésőbb a következő munkanapon előlegszámlát küldünk, amelyen megtalálja a bankszámlaszámot, amelyet az utalásnál kell feltüntetni.
Számlára történő fizetés – ezt a fizetési lehetőséget azon partnereink vehetik igénybe, akik cégünkkel keretszerződést kötöttek.
Ha az utolsó két lehetőséget szeretné igénybe venni, kérjük, vegye fel a kapcsolatot menedzserünkkel, aki útmutatást ad, hogyan kaphat ÁFÁ‑s vagy ÁFA‑mentes számlát.
SZÁLLÍTÁSI MÓDOK ÉS KÖLTSÉGEK
- GLS házhozszállítás: 4 500 Ft
- Packeta házhozszállítás: 4 500 Ft
Az általunk szállított villamos berendezések magas minőségi szabványoknak felelnek meg, 24 hónap garanciával rendelkeznek, és megfelelnek minden EU‑előírásnak.
Ezenfelül 39 000 HUF feletti rendelés esetén ingyenes szállítást kínálunk, rugalmas kedvezmény‑ és akciós rendszert.
Munkatársaink műszaki ismeretei és tapasztalatai lehetővé teszik számunkra, hogy magas színvonalú tanácsadást nyújtsunk, illetve szükség esetén alternatív elektrotermékeket ajánljunk.
Az általunk forgalmazott elektromos berendezések magas minőségi szabványoknak felelnek meg, 24 hónapos garanciával rendelkeznek, és megfelelnek az EU előírásainak.
Reklamáció esetén az áru visszaküldése díjmentes.
