
Értesítést kérek e‑mailben, ha a termék újra elérhető
- Leírás
- Használati útmutató
- Fizetési módok
- Garancia
Digitális panel multiméter 72x72 mm - TENSE (DAV-72D)
Termékleírás:
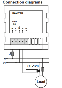
A DAV-72D egy 1 fázisú digitális kombinált feszültség-amméter, amely a fázis és a nullavezető közötti váltakozó feszültség és a külső áramváltó (CT-120, tartozék) által mért terhelőáram folyamatos ellenőrzésére szolgál. A műszer alkalmas elektromos kapcsolótáblákhoz, gyártóüzemekhez és áramelosztó vagy felügyeleti rendszerekhez.
Működési és használati elv:
-
Csatlakoztatás a mérendő fázis- és nullavezetőhöz a feszültségmérő csatlakozókon keresztül.
-
Az áram mérése egy külső CT-120 áramváltón keresztül, amelynek szekunder vezetői a műszer hátoldalán lévő K és L csatlakozókhoz csatlakoznak.
-
Áramellátás bekapcsolásakor a következő kijelzés jelenik meg:
-
Aktuális fázisfeszültség (V)
-
terhelési áram (A)
-
Telepítés és beállítás:
-
Előlapi szerelés (68 × 68 mm-es kivágás)
-
CT-120 bekötése az ábra szerint, a terhelő vezeték a transzformátoron keresztül vezetve.
-
Ne használjon más áramváltókat - a műszert kifejezetten a CT-120-ra kalibrálták.
Műszaki specifikációk:
-
Működési feszültség: 140-270 VAC.
-
Hálózati frekvencia: 50/60 Hz
-
Megjelenített feszültségtartomány: 5-300 V AC
-
Mért áramtartomány: 1-100 A (CT-120-on keresztül)
-
Pontosság:
-
Feszültség: ±1%.
-
Áram: ±3 %
-
-
Kijelző: 2 sor, 3 számjegy, karaktermagasság 14 mm
-
Műszer teljesítménye: <6 VA
-
Üzemi hőmérséklet: -20 °C és +55 °C között
-
Magasság: 2000 m-ig
-
Csatlakozás: dugaszolható csatlakozók, kábelkeresztmetszet legfeljebb 1,5 mm²
-
Szerelés: panel, elülső oldal
-
Súly: legfeljebb 220 g
FIZETÉSI MÓDOK
Online bankkártyás fizetés – a rendelés befejezése után átirányításra kerül a fizetési felületre, a fizetés visszaigazolását e‑mailben kapja meg.
Utánvét – a fizetési előírásnak megfelelő összeget a futárnak fizeti ki.
Átutalás – e‑mailben legkésőbb a következő munkanapon előlegszámlát küldünk, amelyen megtalálja a bankszámlaszámot, amelyet az utalásnál kell feltüntetni.
Számlára történő fizetés – ezt a fizetési lehetőséget azon partnereink vehetik igénybe, akik cégünkkel keretszerződést kötöttek.
Ha az utolsó két lehetőséget szeretné igénybe venni, kérjük, vegye fel a kapcsolatot menedzserünkkel, aki útmutatást ad, hogyan kaphat ÁFÁ‑s vagy ÁFA‑mentes számlát.
SZÁLLÍTÁSI MÓDOK ÉS KÖLTSÉGEK
- GLS házhozszállítás: 4 500 Ft
- Packeta házhozszállítás: 4 500 Ft
Az általunk szállított villamos berendezések magas minőségi szabványoknak felelnek meg, 24 hónap garanciával rendelkeznek, és megfelelnek minden EU‑előírásnak.
Ezenfelül 39 000 HUF feletti rendelés esetén ingyenes szállítást kínálunk, rugalmas kedvezmény‑ és akciós rendszert.
Munkatársaink műszaki ismeretei és tapasztalatai lehetővé teszik számunkra, hogy magas színvonalú tanácsadást nyújtsunk, illetve szükség esetén alternatív elektrotermékeket ajánljunk.
Az általunk forgalmazott elektromos berendezések magas minőségi szabványoknak felelnek meg, 24 hónapos garanciával rendelkeznek, és megfelelnek az EU előírásainak.
Reklamáció esetén az áru visszaküldése díjmentes.
