
Értesítést kérek e‑mailben, ha a termék újra elérhető
Előrendelhető termék
- Leírás
- Használati útmutató
- Fizetési módok
- Garancia
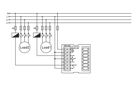
Időciklusos + ON-DELAY relé LED kijelzővel - TENSE ERD-48K (230 VAC)
Termékleírás
A TENSE ERD-48K időrelé két funkciót egyesít egy készülékben - késleltetett ON-Delay és ciklikus vezérlés. Panel- vagy szekrényajtós beépítésre tervezték, és könnyen leolvasható LED-kijelzővel rendelkezik, amely lehetővé teszi az idő egyszerű beállítását és az aktuális állapot ellenőrzését.
A készülék alkalmas világítás, szellőzés, motorok, jelzések és egyéb olyan terhelések automatikus vezérlésére, ahol szekvenciális vagy ismétlődő kapcsolásra van szükség.
Fő funkciók
-
ON-Delay - a kimenetet egy beállított idő elteltével aktiválja.
-
Ciklikus üzemmód (villogó) - a terhelések időszakos be- és kikapcsolása.
-
Módok:
-
Villogás az impulzus kezdetén
-
Blinkr a szünet kezdetén
-
-
LED kijelző a kényelmes beállításhoz és a hátralévő idő kijelzéséhez
-
Alkalmas 48×48 mm-es panelbeépítéshez
Idő beállítása
Négy választható tartomány:
-
0-99,9 másodperc
-
0-999 másodperc
-
0-99,9 perc
-
0-999 perc
A tartomány kiválasztása közvetlenül az előlapon történik.
A használata
-
Automatikus világítás be/ki
-
Szellőztetés ciklikus működéssel
-
Fűtő- és hűtőberendezések vezérlése
-
Jelzőfények vagy hangjelzések vezérlése
-
Ipari időfolyamatok és automatizálás
Áramellátás és telepítés
-
Működési feszültség: 230 VAC
-
Szerelés: panel / szekrényajtó (48×48 mm)
FIZETÉSI MÓDOK
Online bankkártyás fizetés – a rendelés befejezése után átirányításra kerül a fizetési felületre, a fizetés visszaigazolását e‑mailben kapja meg.
Utánvét – a fizetési előírásnak megfelelő összeget a futárnak fizeti ki.
Átutalás – e‑mailben legkésőbb a következő munkanapon előlegszámlát küldünk, amelyen megtalálja a bankszámlaszámot, amelyet az utalásnál kell feltüntetni.
Számlára történő fizetés – ezt a fizetési lehetőséget azon partnereink vehetik igénybe, akik cégünkkel keretszerződést kötöttek.
Ha az utolsó két lehetőséget szeretné igénybe venni, kérjük, vegye fel a kapcsolatot menedzserünkkel, aki útmutatást ad, hogyan kaphat ÁFÁ‑s vagy ÁFA‑mentes számlát.
SZÁLLÍTÁSI MÓDOK ÉS KÖLTSÉGEK
- GLS házhozszállítás: 4 500 Ft
- Packeta házhozszállítás: 4 500 Ft
Az általunk szállított villamos berendezések magas minőségi szabványoknak felelnek meg, 24 hónap garanciával rendelkeznek, és megfelelnek minden EU‑előírásnak.
Ezenfelül 39 000 HUF feletti rendelés esetén ingyenes szállítást kínálunk, rugalmas kedvezmény‑ és akciós rendszert.
Munkatársaink műszaki ismeretei és tapasztalatai lehetővé teszik számunkra, hogy magas színvonalú tanácsadást nyújtsunk, illetve szükség esetén alternatív elektrotermékeket ajánljunk.
Az általunk forgalmazott elektromos berendezések magas minőségi szabványoknak felelnek meg, 24 hónapos garanciával rendelkeznek, és megfelelnek az EU előírásainak.
Reklamáció esetén az áru visszaküldése díjmentes.
