
Értesítést kérek e‑mailben, ha a termék újra elérhető
- Leírás
- Használati útmutató
- Fizetési módok
- Garancia
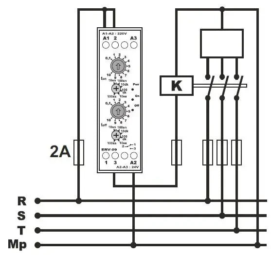
Időrelé - Ciklikus relé / Blinkr (szimmetrikus / aszimmetrikus ciklus)
Termékleírás
A ciklikus időrelé elektromos terhelések, például lámpák, ventilátorok, szivattyúk vagy jelzőberendezések időszakos be- és kikapcsolására szolgál. Lehetővé teszi az impulzus és a szünet hosszának független beállítását, valamint a szimmetrikus vagy aszimmetrikus üzemmódban való működést. Alkalmas vezérlő automatizáláshoz, szellőztetéshez, időzített világításhoz vagy reklámalkalmazásokhoz.
Főbb jellemzők
-
Ciklikus működés állítható bekapcsolási és szünetelési idővel
-
Villogó üzemmód: az impulzus kezdetén vagy a szünet kezdetén
-
Szimmetrikus/aszimmetrikus működési ciklus
-
Kapcsolható kimeneti érintkező
-
Lehetőség a ciklus impulzussal vagy szünettel történő indítására
-
Stabil működés a rendszerek automatikus vezérléséhez
-
DIN-sínre szerelhető 35 mm
Alkalmazás
-
Rendszeres helyiségszellőztetés
-
Ciklikus páraszárítás
-
Reklámvilágítás, villogó jelzések vezérlése
-
keringető szivattyúk vezérlése
-
A szellőzés vagy a fűtés időszakos kapcsolása
-
Vészjelző fény vagy hang
-
Az elektromos berendezések fokozatos bekapcsolása, ha az áramellátás csökken.
Előnyök
-
Egyszerű időbeállítás
-
Nagyfokú sokoldalúság a használatban
-
Az elektromos áramkörök biztonságos és megbízható vezérlése
-
Alkalmas háztartási és ipari vezérlőszekrényekhez
Telepítés
-
Szerelés szabványos 35 mm-es DIN-sínre
FIZETÉSI MÓDOK
Online bankkártyás fizetés – a rendelés befejezése után átirányításra kerül a fizetési felületre, a fizetés visszaigazolását e‑mailben kapja meg.
Utánvét – a fizetési előírásnak megfelelő összeget a futárnak fizeti ki.
Átutalás – e‑mailben legkésőbb a következő munkanapon előlegszámlát küldünk, amelyen megtalálja a bankszámlaszámot, amelyet az utalásnál kell feltüntetni.
Számlára történő fizetés – ezt a fizetési lehetőséget azon partnereink vehetik igénybe, akik cégünkkel keretszerződést kötöttek.
Ha az utolsó két lehetőséget szeretné igénybe venni, kérjük, vegye fel a kapcsolatot menedzserünkkel, aki útmutatást ad, hogyan kaphat ÁFÁ‑s vagy ÁFA‑mentes számlát.
SZÁLLÍTÁSI MÓDOK ÉS KÖLTSÉGEK
- GLS házhozszállítás: 4 500 Ft
- Packeta házhozszállítás: 4 500 Ft
Az általunk szállított villamos berendezések magas minőségi szabványoknak felelnek meg, 24 hónap garanciával rendelkeznek, és megfelelnek minden EU‑előírásnak.
Ezenfelül 39 000 HUF feletti rendelés esetén ingyenes szállítást kínálunk, rugalmas kedvezmény‑ és akciós rendszert.
Munkatársaink műszaki ismeretei és tapasztalatai lehetővé teszik számunkra, hogy magas színvonalú tanácsadást nyújtsunk, illetve szükség esetén alternatív elektrotermékeket ajánljunk.
Az általunk forgalmazott elektromos berendezések magas minőségi szabványoknak felelnek meg, 24 hónapos garanciával rendelkeznek, és megfelelnek az EU előírásainak.
Reklamáció esetén az áru visszaküldése díjmentes.
