
Értesítést kérek e‑mailben, ha a termék újra elérhető
Előrendelhető termék
- Leírás
- Használati útmutató
- Fizetési módok
- Garancia
Ciklikus relé ERV-09D - TENSE (Törökország)
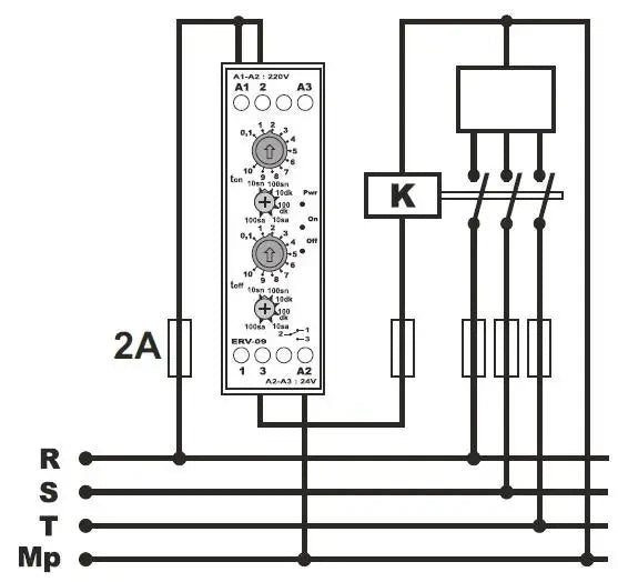
Az ERV-09D jelző és ciklikus relét olyan alkalmazásokhoz tervezték, ahol a berendezések váltakozó (On-Off) vezérlésére van szükség. Alkalmas ipari üzemekhez, gyártósorokhoz, lakó- és irodaházakhoz, illetve minden olyan helyzethez, ahol időszakos terheléskapcsolásra van szükség.
Főbb jellemzők
-
Univerzális tápellátás: 230 V AC vagy 12 V DC
-
Beállítható működési idő (ON): 1 s - 99 perc
-
Állítható készenléti idő (OFF): 1 s - 99 perc
-
A kijelzőn az aktuális beállítások és a visszaszámlálási időlátható
-
ON = üzemidő, OFF = készenléti idő kijelzése
-
DIN sínre szerelhető
-
Alacsony energiafogyasztás: < 6 VA
-
Kompakt és könnyű: súlya < 80 g
Funkciók és kezelőszervek
-
Kettős üzemmód: ON/OFF
-
A beállított idő visszaszámlálása a LED kijelzőn látható
-
Ha az idő percben van beállítva, a jobb oldali pont villog a könnyebb tájékozódás érdekében
-
Ideális lámpák, ventilátorok, motorok és egyéb eszközök ciklikus működtetéséhez
Műszaki specifikációk
| Paraméter | Érték |
|---|---|
| Üzemi feszültség | 100-240 V AC (A1-A2), 12 V DC (A2(-)/A3(+)) |
| Működési frekvencia | 50/60 Hz |
| Üzemi teljesítmény | <6 VA |
| Üzemi hőmérséklet | -20 °C és +55 °C között |
| Időintervallum | 0,1 s - 99 perc |
| Kijelző | 2×2 LED + 1 LED jelzés |
| Érintkező | 5 A / 250 V AC, ellenállásos terhelés |
| Telepítés | DIN sín |
| Súly | <80 g |
| Működési magasság | <2000 m |
| Kábel átmérő | legfeljebb 2,5 mm² |
Az ERV-09D relé megbízható és pontos ciklikus kapcsolást biztosít egyszerű beállítással és az idők megjelenítésével közvetlenül a kijelzőn, így alkalmas ipari és háztartási alkalmazásokhoz.
FIZETÉSI MÓDOK
Online bankkártyás fizetés – a rendelés befejezése után átirányításra kerül a fizetési felületre, a fizetés visszaigazolását e‑mailben kapja meg.
Utánvét – a fizetési előírásnak megfelelő összeget a futárnak fizeti ki.
Átutalás – e‑mailben legkésőbb a következő munkanapon előlegszámlát küldünk, amelyen megtalálja a bankszámlaszámot, amelyet az utalásnál kell feltüntetni.
Számlára történő fizetés – ezt a fizetési lehetőséget azon partnereink vehetik igénybe, akik cégünkkel keretszerződést kötöttek.
Ha az utolsó két lehetőséget szeretné igénybe venni, kérjük, vegye fel a kapcsolatot menedzserünkkel, aki útmutatást ad, hogyan kaphat ÁFÁ‑s vagy ÁFA‑mentes számlát.
SZÁLLÍTÁSI MÓDOK ÉS KÖLTSÉGEK
- GLS házhozszállítás: 4 500 Ft
- Packeta házhozszállítás: 4 500 Ft
Az általunk szállított villamos berendezések magas minőségi szabványoknak felelnek meg, 24 hónap garanciával rendelkeznek, és megfelelnek minden EU‑előírásnak.
Ezenfelül 39 000 HUF feletti rendelés esetén ingyenes szállítást kínálunk, rugalmas kedvezmény‑ és akciós rendszert.
Munkatársaink műszaki ismeretei és tapasztalatai lehetővé teszik számunkra, hogy magas színvonalú tanácsadást nyújtsunk, illetve szükség esetén alternatív elektrotermékeket ajánljunk.
Az általunk forgalmazott elektromos berendezések magas minőségi szabványoknak felelnek meg, 24 hónapos garanciával rendelkeznek, és megfelelnek az EU előírásainak.
Reklamáció esetén az áru visszaküldése díjmentes.
