
Értesítést kérek e‑mailben, ha a termék újra elérhető
Előrendelhető termék
- Leírás
- Használati útmutató
- Fizetési módok
- Garancia
TENSE 3-fázisú panel multiméter - VAHz
Leírás
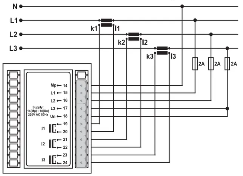
A TENSE digitális 3-fázisú panel multiméter egy többfunkciós mérőműszer a 3-fázisú rendszerek elektromos paramétereinek ellenőrzésére. A műszer lehetővé teszi a feszültség, az áram és a frekvencia mérését, a fázisok helyes csatlakoztatásának ellenőrzését, és alkalmas ipari berendezésekhez, gépekhez és váltakozó áramú áramelosztó rendszerekhez.
Főbb előnyök
-
Többfunkciós mérés: I, U (L-L, L-N), Hz
-
Az áram közvetett mérése csatlakoztatott áramváltókon keresztül
-
Fázisfigyelés és bekötésellenőrzés
-
Az EM-100D és EM-250D modellekhez mellékelt mérőtranszformátor
-
Szerelés szabványos DIN-sínre
Mérési tartományok
| Paraméterek | EM-06 / EM-72 modellek | EM-100D | EM-250D |
|---|---|---|---|
| Áramerősség | 5/5 ... 9995/5 A (közvetett) | 1 - 100 A | 2 - 250 A |
| Feszültség L-N | 1 - 300 V AC | 1 - 300 V AC | 1 - 300 V AC |
| Feszültség L-L | 1 - 500 V AC | 1 - 500 V AC | 1 - 500 V AC |
| Frekvencia | 40 - 60 Hz | 40 - 60 Hz | 40 - 60 Hz |
Ajánlások
-
Az EM-06 és EM-72 modellekhez a következő áramváltókat ajánljuk:
60/5, 75/5, 100/5, 150/5, 200/5, 250/5, 300/5, 400/5, 500/5, 600/5, 800/5, 1000/5, 1500/5. -
A transzformátorok közvetlenül megvásárolhatók webáruházunkban.
Letöltés a
FIZETÉSI MÓDOK
Online bankkártyás fizetés – a rendelés befejezése után átirányításra kerül a fizetési felületre, a fizetés visszaigazolását e‑mailben kapja meg.
Utánvét – a fizetési előírásnak megfelelő összeget a futárnak fizeti ki.
Átutalás – e‑mailben legkésőbb a következő munkanapon előlegszámlát küldünk, amelyen megtalálja a bankszámlaszámot, amelyet az utalásnál kell feltüntetni.
Számlára történő fizetés – ezt a fizetési lehetőséget azon partnereink vehetik igénybe, akik cégünkkel keretszerződést kötöttek.
Ha az utolsó két lehetőséget szeretné igénybe venni, kérjük, vegye fel a kapcsolatot menedzserünkkel, aki útmutatást ad, hogyan kaphat ÁFÁ‑s vagy ÁFA‑mentes számlát.
SZÁLLÍTÁSI MÓDOK ÉS KÖLTSÉGEK
- GLS házhozszállítás: 4 500 Ft
- Packeta házhozszállítás: 4 500 Ft
Az általunk szállított villamos berendezések magas minőségi szabványoknak felelnek meg, 24 hónap garanciával rendelkeznek, és megfelelnek minden EU‑előírásnak.
Ezenfelül 39 000 HUF feletti rendelés esetén ingyenes szállítást kínálunk, rugalmas kedvezmény‑ és akciós rendszert.
Munkatársaink műszaki ismeretei és tapasztalatai lehetővé teszik számunkra, hogy magas színvonalú tanácsadást nyújtsunk, illetve szükség esetén alternatív elektrotermékeket ajánljunk.
Az általunk forgalmazott elektromos berendezések magas minőségi szabványoknak felelnek meg, 24 hónapos garanciával rendelkeznek, és megfelelnek az EU előírásainak.
Reklamáció esetén az áru visszaküldése díjmentes.
