Regulator for single-phase pump up to 30A
Failed to load pickup availability
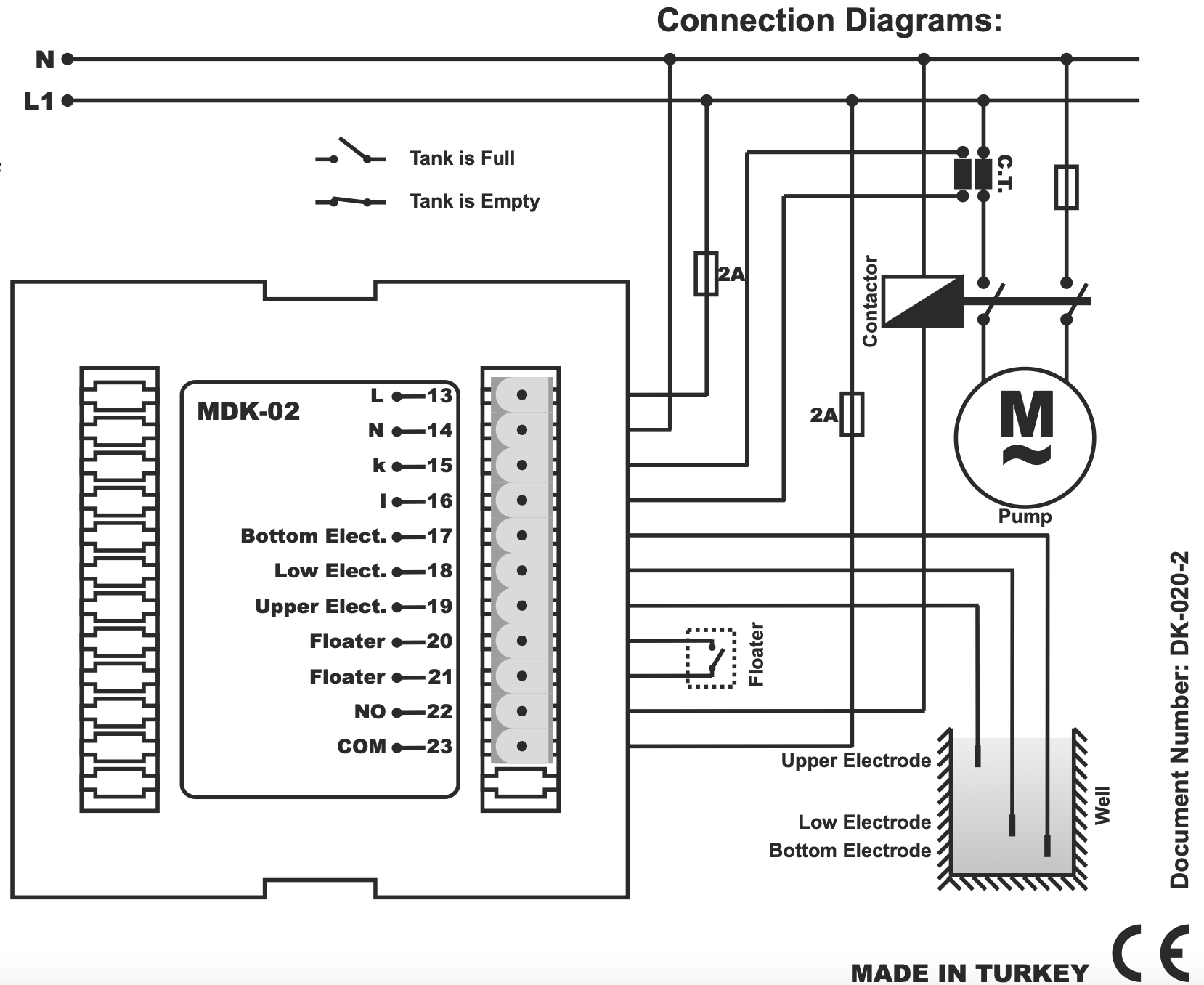
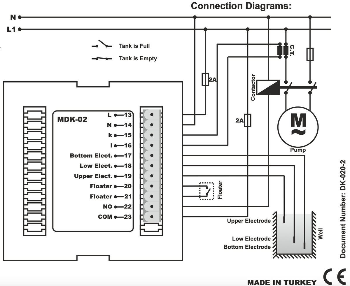
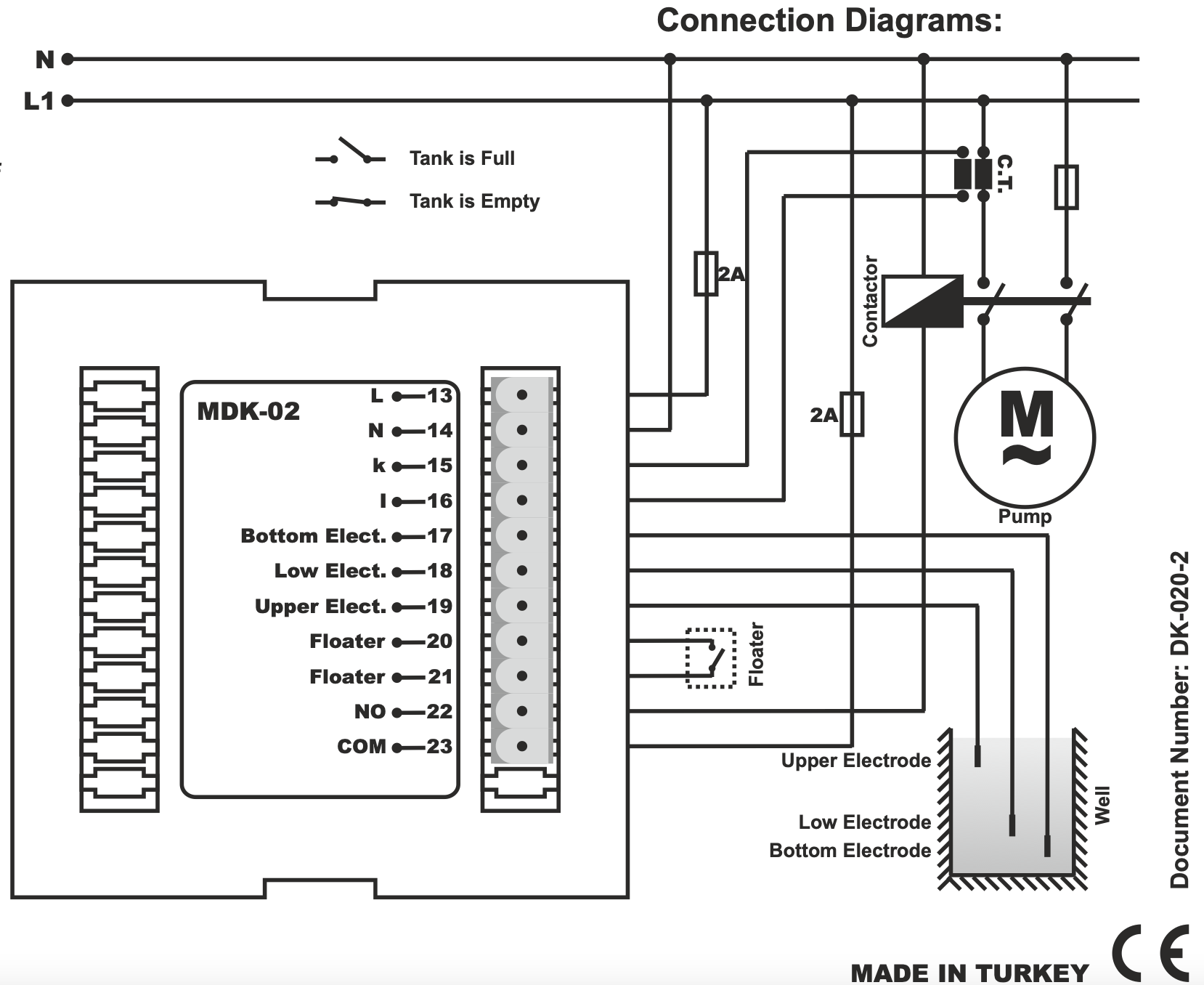
Drilling hole level meter, well level meter, tank level meter / Single-phase protection relay - submersible pump controller, pump protection, pump actuator relay MDK-02 (TENSE)
- 1A - 30A submersible pump (with measuring transformer)
Option for operation with 2 or 3 probes
High/low voltage protection
High/low current protection
Panel construction
Online bank card payment – after completing your order, you will be redirected to the payment gateway, and you will receive payment confirmation by email.
Cash on delivery – the delivery company's courier must pay for the order upon receipt.
Bank transfer – we will send you an advance invoice by email no later than the next business day, on which you will find the bank account number that you must provide when making the payment.
To account – this payment option can be used by partners who have a framework agreement with our company.
If you would like to use one of the latter two payment methods, please call our manager who will inform you how to receive an invoice with or without VAT.
The electrical equipment we supply meets high quality standards, has a 24-month warranty, and meets all EU requirements. In the event of a complaint, returning the product is free of charge.
