RGT-12SVC - 12-level reactive power controller +TCR with RS485 ModBus RTU
Failed to load pickup availability
12 steps + TCR Power factor controller with 2.9" graphic LCD display and RS-485 (TENSE)
The RGT-12SVC reactive power regulator (TENSE ) is a fully automatic device for optimal switching of compensation stages.
Digital processing of the values measured by the regulator ensures high accuracy in the evaluation of effective voltage, current and power factor.
The installation of the device is fully automatic - the controller itself determines the size of each connected compensation stage. These parameters can also be entered directly manually.
The controller switches the compensation stages on and off in such a way that the reactive power is controlled with a minimum number of switching operations. At the same time, the controller takes into account the even load of each stage and gives priority to switching those stages that have been without voltage for the longest time and have the least residual charge. During the control process, the compensation stages are continuously monitored in parallel - faults and changes in values are detected, temporarily withdrawn stages are periodically tested and, if necessary, they are returned to the control process.
Generator input and generator compensation
Adjustable impact, discharge and decay time
Remote communication via RS485 (RS485 ModBus RTU)
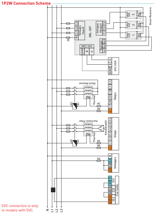
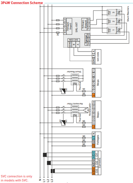
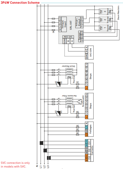
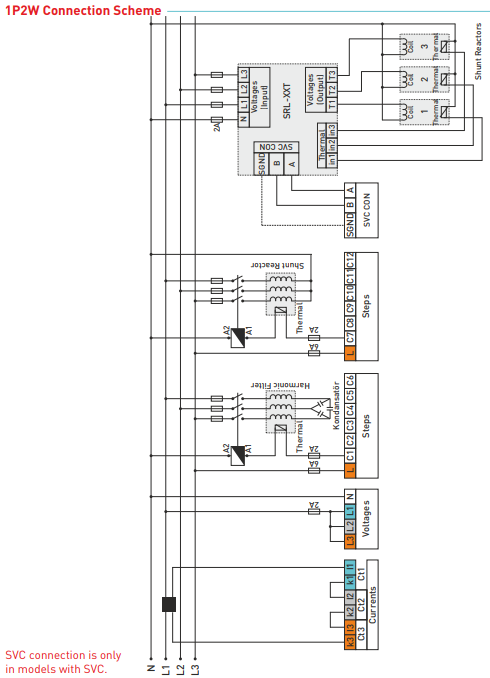
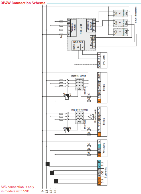
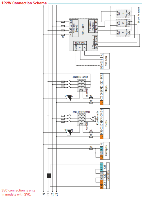
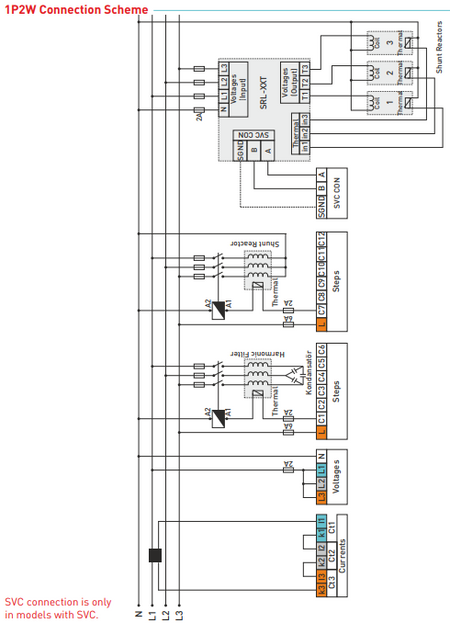
Single-phase, two-phase and three-phase capacitors and shunt reactors can be connected
-
Harmonic voltage and current can be observed up to the 31st harmonic
Total energy (import/export) can be tracked
The THD-V and THD-I values of each phase can be observed.
Create a performance analysis (20 samples 9999 minutes) - for capacitor selection
Online bank card payment – after completing your order, you will be redirected to the payment gateway, and you will receive payment confirmation by email.
Cash on delivery – the delivery company's courier must pay for the order upon receipt.
Bank transfer – we will send you an advance invoice by email no later than the next business day, on which you will find the bank account number that you must provide when making the payment.
To account – this payment option can be used by partners who have a framework agreement with our company.
If you would like to use one of the latter two payment methods, please call our manager who will inform you how to receive an invoice with or without VAT.
The electrical equipment we supply meets high quality standards, has a 24-month warranty, and meets all EU requirements. In the event of a complaint, returning the product is free of charge.
