Network analyzer panel current, voltage, frequency, power, energy, RS485

In stock - 27 items available
SKU: TPM-04SHDL
Common price 60.041 Ft including VAT

3-phase network analyzer / Network analyzer / Network analyzer - multi-function digital panel meter, current, voltage, frequency and total power display, with relay output, RS485 ModBus RTU - TPM-04SHDL manufacturer TENSE (Turkey) panel meters.

Power analyzers are designed to measure and monitor electrical values. Thanks to the communication function, the measured energy values ​​can be independently monitored and reported. Power analyzers can be used to perform analyses such as power quality, efficiency and unit cost calculation.

Main advantages:

  • RS485 Modbus RTU (1200-19200b/s)
  • Three-phase voltage transformer and three-phase current transformer.
  • Displays the harmonic components of voltage and current up to the 31st harmonic.

  • Displays the active power (P) per phase

  • Displays the reactive power per phase (Q, inductive and capacitive).

  • Displays the apparent power (S) per phase

  • Displays the Cosφ and power factor values ​​of each phase.

  • It displays the voltage (V) and current (I) values ​​between phases and neutral, and measures the frequency.

  • Displays the total active energy import and export values ​​(ΣkWh).

  • Displays the values ​​of total inductive and capacitive reactive energy (ΣkVArh).

  • Displays the minimum and maximum values, the maximum demand.

  • 2 relay outputs, 1 digital input

  • Event logs (high/low voltage/current, voltage/current asymmetry, THD-I)

  • The menu is password protected.

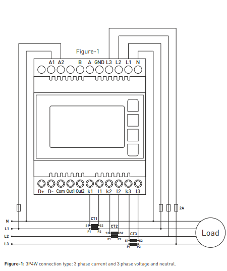
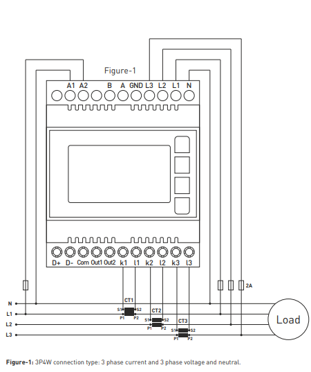
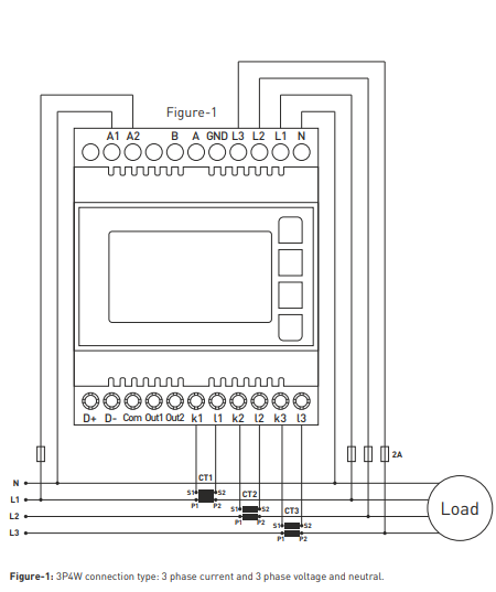
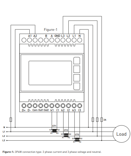
Typically this network analyzer is used with current transformers - 60/5 75/5 100/5 150/5 200/5 250/5 300/5 400/5 500/5 600/5 800/5 1000/5 1500/5 or similar. If you want to connect the analyzer to ModBus, we will send you a "registration table" with ModBus addresses on request.

Online bank card payment – ​​after completing your order, you will be redirected to the payment gateway, and you will receive payment confirmation by email.
Cash on delivery – the delivery company's courier must pay for the order upon receipt.
Bank transfer – we will send you an advance invoice by email no later than the next business day, on which you will find the bank account number that you must provide when making the payment.
To account – this payment option can be used by partners who have a framework agreement with our company.

If you would like to use one of the latter two payment methods, please call our manager who will inform you how to receive an invoice with or without VAT.

The electrical equipment we supply meets high quality standards, has a 24-month warranty, and meets all EU requirements. In the event of a complaint, returning the product is free of charge.