3-phase digital panel meters current multimeter voltage frequency indicator
Failed to load pickup availability
Multimeter - 3-phase panel multimeter, multi-function digital panel meter, current, voltage and frequency display, manufacturer TENSE (Turkey), panel meters
Three-phase VAHz AC panel meter for measuring current, voltage and checking phase connections in three-phase AC equipment, machines or distribution systems.
Main advantages:
- (I,U(LL,LN,HZ);
- Measuring range:
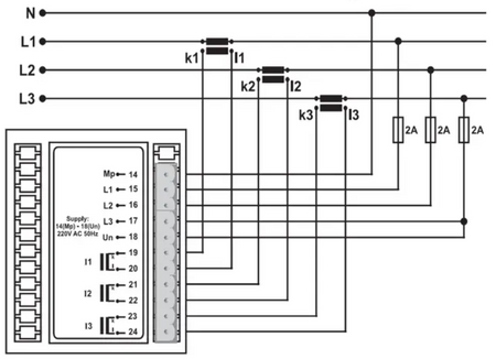
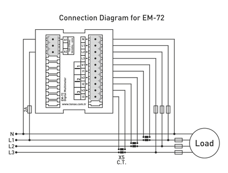
- (EM-06 and EM-72), indirect measurement 5/5...9995/5A (EM-06 and EM-72), 1A - 100A (EM-100D), 2-250A (EM-250D);
Voltage - 1V-300V AC (LN), 1V-500V AC (LL);
- Frequency - 40Hz-60Hz;
Phase tracking;
- Instrument transformer included (EM-100D and EM-250D).
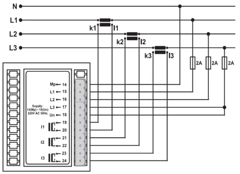
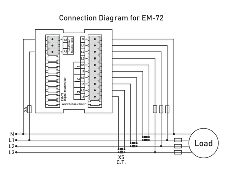
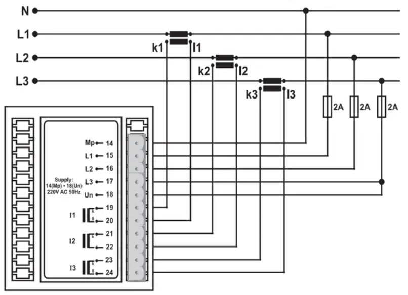
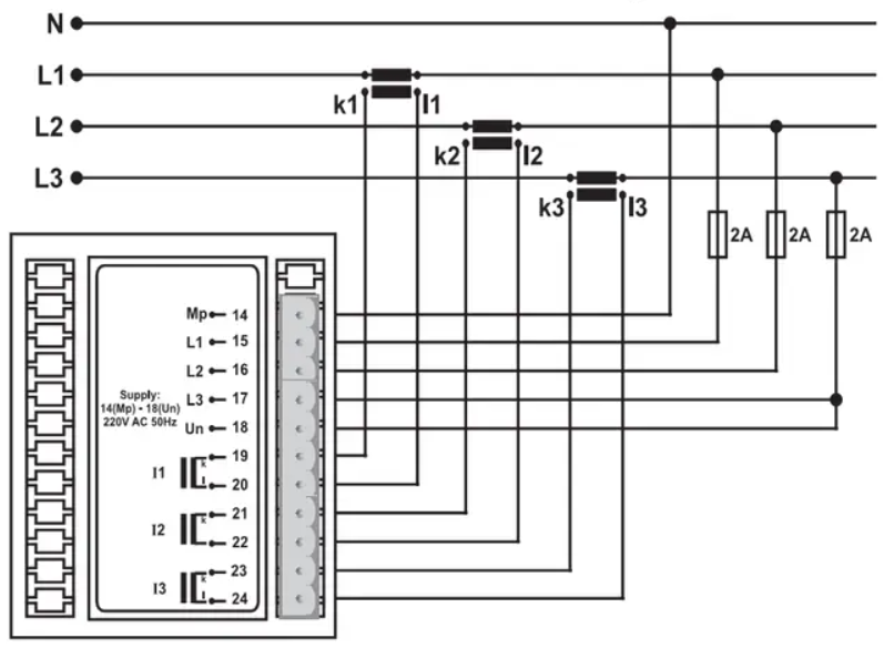
Usually this multimeter (EM-06/EM-72) is used with current transformers - 60/5 75/5 100/5 150/5 200/5 250/5 300/5 400/5 500/5 600/5 800/5 1000/5 1500/5 or similar. You can buy such transformers in our online store,
Online bank card payment – after completing your order, you will be redirected to the payment gateway, and you will receive payment confirmation by email.
Cash on delivery – the delivery company's courier must pay for the order upon receipt.
Bank transfer – we will send you an advance invoice by email no later than the next business day, on which you will find the bank account number that you must provide when making the payment.
To account – this payment option can be used by partners who have a framework agreement with our company.
If you would like to use one of the latter two payment methods, please call our manager who will inform you how to receive an invoice with or without VAT.
The electrical equipment we supply meets high quality standards, has a 24-month warranty, and meets all EU requirements. In the event of a complaint, returning the product is free of charge.
